Skip to main navigation Skip to main content
  • E-Submission

JKSPE : Journal of the Korean Society for Precision Engineering

OPEN ACCESS
ABOUT
BROWSE ARTICLES
EDITORIAL POLICIES
FOR CONTRIBUTORS
REGULAR

백래시비율과 모터입력전압을 고려한 3단 감속 서보시스템의 주파수 분석

Frequency Analysis of the Servo System with Three-Stage Reducer considering the Backlash Ratios and Motor Input Voltage

Journal of the Korean Society for Precision Engineering 2021;38(9):691-699.
Published online: September 1, 2021

1 LIG넥스원㈜ PGM기계융합연구소

1 Mechanical R&D (PGM), LIG Nex1 Co., Ltd.

#E-mail: drbaek100@naver.com, TEL: +82-31-8026-4840
• Received: July 2, 2021   • Revised: July 30, 2021   • Accepted: July 30, 2021

Copyright © The Korean Society for Precision Engineering

This is an Open-Access article distributed under the terms of the Creative Commons Attribution Non-Commercial License (http://creativecommons.org/licenses/by-nc/3.0) which permits unrestricted non-commercial use, distribution, and reproduction in any medium, provided the original work is properly cited.

  • 4 Views
  • 0 Download
prev next
최근 항공기/유도무기 날개구동장치 및 로봇관절 구동장치 등에 있어서 유성기어, 워엄-헬리컬 기어 등을 활용한 기어감속 서보시스템이 많이 사용되고 있으며, 유성기어 및 워엄-헬리컬 기어를 사용한 기어감속 서보시스템의 경우 작은 설치 공간을 가지며 고토크를 발휘할 수 있는 장점이 있는 반면에 스퍼어 기어를 사용한 기어감속 서보시스템보다 동력전달효율이 비교적 낮은 단점이 있다.1,2
서보시스템의 속도제어 대역폭 및 성능은 모터토크 입력에 대한 모터각속도 출력에서 나타나는 시스템의 반공진 및 공진 주파수에 의해 제한을 받게 되며, 특히 반공진주파수는 시스템의 대역폭을 결정하므로 기어감속 서보시스템이 빠른 추종성과 응답성을 갖도록 하기 위해서는 높은 반공진주파수를 갖도록 설계/제작하는 것이 중요하다.3,4 따라서, 설계 단계에서부터 제작될 3단 기어감속 서보시스템의 반공진 및 공진주파수를 보다 정확히 예측하고, 기어감속 서보시스템의 반공진 및 공진주파수에 영향을 주는 설계인자들에 대한 연구가 필요하다.
Baek5-9 등은 1단과 2단 기어감속 서보시스템의 반공진 및 공진주파수를 높이기 위해 구동부 강성을 키우는 방법이 효과적이나 시스템 무게 증가를 동반하여 무게 제한이 큰 분야에 적용하기 쉽지 않음을 보여주었으며, 시스템의 무게 증가 없이 대역폭을 확장시킬 수 있는 적절한 방법은 기어감속 서보시스템 내 기어백래시(Gear Backlash) 크기를 줄이는 것임을 보여주었다. 그러나, 선행연구는 최근 고감속비 구현을 위해 사용되고 있는 3단 기어감속 서보시스템에 대해 다루지 않았다.
본 연구에서는 3단 기어감속 서보시스템을 수학적으로 모델링한 후 각 단 백래시비율과 모터입력전압에 따른 주파수 분석을 통해 속도제어 대역폭을 제한하는 반공진 및 공진주파수를 시스템 무게 증가 없이 가능한 넓게 만들 수 있는 각 단 백래시 비율(크기)과 모터입력전압 크기를 결정하는 방법을 보여주는데 연구 목적이 있다.
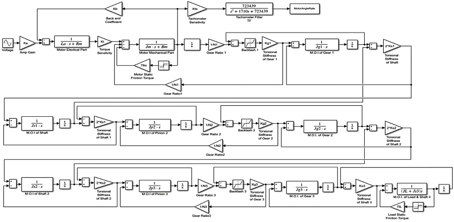
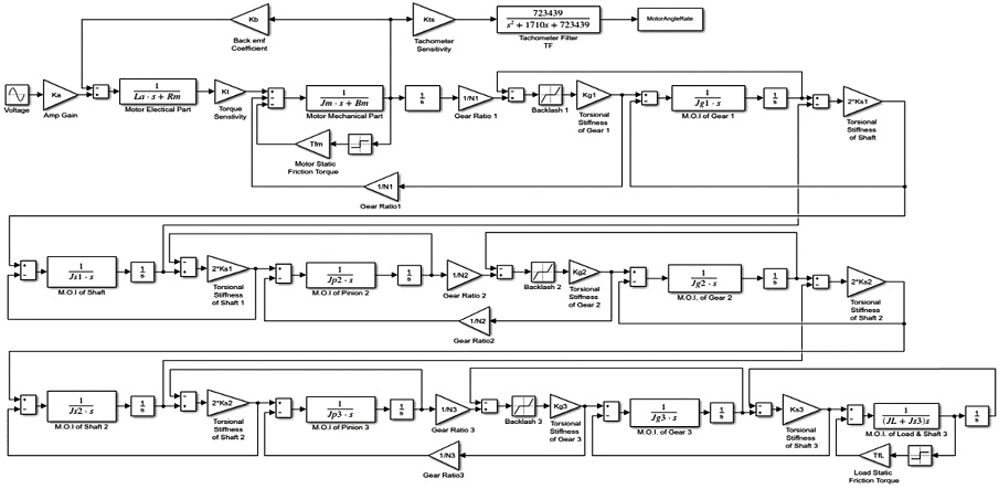
본 연구에서 고려한 3단 기어감속 서보시스템의 구성도는 Fig. 1과 같다. 또한, 3단 기어감속 서보시스템은 Fig. 2(a)의 개략 구조, 모터 전압 증폭기(Motor Amp) 및 태코제너레이터(Tacho-Generator) 필터로 구성되어 있다.
Fig. 1

The constitution diagram for frequency analysis of the servo system with three-stage reducer6 (Adapted from Ref. 6 on the basis of OA)

KSPE_2021_v38n9_691_f001.jpg
Fig. 2

The structure and model of the servo system with three-stage reducer

KSPE_2021_v38n9_691_f002.jpg
모터에 입력되는 전압을 증폭하기 위해 모터 전압 증폭기가 사용되었으며, 구동모터는 Fig. 2(a)에 나타낸 바와 같이 태코제너레이터가 부착된 영구 자석 필드형 DC 모터가 사용되었다. 또한, 태코제너레이터의 출력전압을 필터링하기 위하여 2차 저역필터가 사용되었다.
Fig. 2(a)에 나타낸 피니언 1은 모터와 함께 회전하므로 피니언 1의 관성모멘트는 모터 관성모멘트에 포함시켰으며, 기어 1측에 표현된 비틀림 스프링은 피니언 1과 기어 1의 이 강성에 의해 생기는 비틀림 강성으로 표현하였다.5
회전축 1의 경우 관성모멘트는 기어 1과 피니언 2 사이의 회전축 길이 1/2되는 지점에 집중되어 있다고 가정하였으며, 비틀림 스프링은 회전축 비틀림 강성값의 2배인 비틀림 스프링이 기어 1과 피니언 2에 각각 연결된 것으로 모델링하였다.6
두 번째 감속단의 경우 첫 번째 감속단과 마찬가지로 기어 2측에 표현된 비틀림 스프링 역시 피니언 2와 기어 2의 이 강성에 의한 비틀림 강성으로 표현하였으며, 회전축 2 역시 회전축 1과 같은 방법으로 모델링하였다. 세 번째 감속단(최종 부하단)의 경우 비틀림 스프링 역시 같은 방법으로 모델링하였고, 회전축 3은 부하단에 직접 연결되므로 회전축 3의 관성모멘트는 강체로 고려한 부하 관성모멘트에 포함시키고, 회전축 3의 비틀림 강성은 별도의 비틀림 스프링으로 표현하였다.
모터 전압 증폭기의 특성은 본 연구에서 관심있는 주파수 영역 전체에 걸쳐 일정하도록 설계되어 모터입력전압과 모터 전압 증폭기의 입력전압의 관계식은 다음 식(1)과 같이 표현될 수 있다.8
(1)
Vm=ka Vi
또한, 구동원인 모터의 전기식 방정식은 다음 식(2)식(3)과 같다.
(2)
Ladiadt+Rmia+kbθ˙m=Vm
(3)
Tm=ktia
그리고 모터 회전 각속도를 측정하기 위해 사용된 태코제너레이터의 출력전압과 모터 회전각속도와의 관계는 다음 식(4)와 같다.
(4)
Vt=ktsθ˙m
태코제너레이더 필터를 통과한 태코제너레이터 필터 출력전압은 다음 식(5)와 같다.
(5)
Vos=GfsVts
구동원으로 사용된 모터의 운동방정식은 다음 식(6)과 같다.
(6)
Jmθ¨m+Bmθ˙m=Tm-Tg1/N1-Tf,msignθ˙m
피니언 1과 기어 1 사이의 백래시에 의해 기어 1에 전달된 토크는 다음 식(7)과 같이 비선형식으로 표현되며 백래시 모델은 데드존(Deadzone) 모델을 사용하였다.10
(7)
Tg1=kg1θd1-δ1,θd1>δ10,θd1<δ1kg1θd1+δ1,θd1<-δ1
여기서, 첫 번째 기어 감속단의 각 전달오차(Angular Transmission Error)는 다음 식(8)과 같다.
(8)
θd1=θm/N1-θg1
기어 1의 운동방정식은 다음 식(9)와 같다.
(9)
Jg1θ¨g1=Tg1-2ks1θg1-θs1
회전축 1의 운동방정식은 다음 식(10)과 같다.
(10)
Js1θ¨s1=2ks1θg1+θp2-4ks1θs1
피니언 2의 운동방정식은 다음 식(11)과 같다.
(11)
Jp2θ¨p2=2ks1θs1-θp2-Tg2/N2
식(7)과 같이 피니언 2와 기어 2 사이의 전달토크 Tg2는 다음 식(12)와 같다.
(12)
Tg2=kg2θd2-δ2,θd2>δ20,θd2<δ2kg2θd2+δ2,θd2<-δ2
여기서, 두 번째 기어 감속단의 각 전달오차는 다음 식(13)과 같다.
(13)
θd2=θp2/N2-θg2
기어 2의 운동방정식은 다음 식(14)와 같다.
(14)
Jg2θ¨g2=Tg2-2ks2θg2-θs2
회전축 2의 운동방정식은 다음 식(15)와 같다.
(15)
Js2θ¨s2=2ks2θg2+θp3-4ks2θs2
피니언 3의 운동방정식은 다음 식(16)과 같다.
(16)
Jp3θ¨p3=2ks2θs2-θp3-Tg3/N3
피니언 3와 기어 3 사이의 전달토크 Tg3는 다음 식(17)과 같다.
(17)
Tg3=kg3θd3-δ3,θd3>δ30,θd3<δ3k3θd3+δ3,θd3<-δ3
여기서, 세번째 기어 감속단의 각 전달오차는 다음 식(18)과 같다.
(18)
θd3=θp3/N3-θg3
기어 3의 운동방정식은 다음 식(19)와 같다.
(19)
Jg3θ¨g3=Tg3-ks3θg3-θL
마지막으로 최종 부하단 운동방정식은 다음 식(20)과 같다.
(20)
JL+Js3θ¨L=ks3θg3-θL-Tf,Lsignθ˙L
각 감속단에 존재하는 백래시 bii번째 피니언 고정 시 i번째 기어단에서 측정되는 각도 백래시(Angular Backlash) 크기로 모터 회전축 고정 시 최종 부하단에서 측정되는 전체 백래시는 다음 식(21)과 같다.
(21)
bt=b1/N2 N3+b2/N3 +b3
여기서, Nii번째 감속단의 감속비이다.
그리고 전체 백래시 bt에 대한 각 감속단에 존재하는 백래시 크기의 비율을 백래시비율이라 정의하면 각 감속단의 백래시비율은 다음 식(22)부터 식(24)와 같이 표현할 수 있다.
(22)
BR1=b1/N2 N3/bt×100%
(23)
BR2=b2/N3/bt×100%
(24)
BR3=b3/bt×100%
여기서, BRi는 모터 회전축 고정 시 부하단에서 측정되는 전체백래시 bt중 i번째 감속단에 존재하는 백래시 bi가 차지하는 비율이다. 끝으로 각도 백래시 biδi와 관계는 다음 식(25)와 같다.
(25)
bi=360°δi/πi=1,2,3
지금까지 유도한 식들을 블록선도(Block Diagram)로 나타내면 Fig. 3과 같으며, 3단 기어감속 서보시스템의 제원이 주어지면 모터 전압 증폭기 입력전압 Vi에 대한 태코제너레이더 필터의 출력전압 응답 Vo을 얻을 수 있다.
Fig. 3

Block diagram of the servo system with three-stage reducer

KSPE_2021_v38n9_691_f003.jpg
본 장에서는 전체 백래시 크기가 동일한 상태에서 각 단 백래시비율과 모터입력전압 크기 변화에 따른 3단 기어감속 서보시스템의 주파수 응답 특성 변화를 관찰하였다.
본 연구에서 고려한 3단 기어감속시스템의 경우 최종 부하단에서 측정되는 전체 백래시 btTable 1에 나타낸 바와 같이 0.276o이며, bt = 0.276o를 갖게 만드는 각 감속단의 백래시 조합수는 수많이 존재할 수 있다.
Table 1

Specifications of the considered system

Table 1
Parameter Unit Value
N1, N2 - 4.0
N 3 - 5.0
kg1, kg2 (N·m/rad) 1.114 × 105
kg 3 (N·m/rad) 1.118 × 105
ks1, ks2 (N·m/rad) 3.44 × 102
ks 3 (N·m/rad) 3.67 × 102
Jg1, Jg2 (kg·m2) 9.90 × 10-5
Jg 3 (kg·m2) 3.80 × 10-4
Js1, Js2 (kg·m2) 1.83 × 10-7
Js 3 (kg·m2) 3.13 × 10-7
Jp2, Jp3 (kg·m2) 1.58 × 10-7
JL (kg·m2) 1.1 × 10-2
Tf,L (N·m) 7.0 × 10-3
bt (Degree) 0.276
La (H) 8.50 × 10-4
Rm (Ω) 4.1
kb (V·s/rad) 3.44 × 10-2
kt (N·m/A) 3.49 × 10-2
Jm (kg·m2) 3.49 × 10-2
Tf,m (N·m) 1.40 × 10-2
ka - 4.11
kts (V·s/rad) 8.60 × 10-2
Bm (N·m/(rad/s)) 1.60 × 10-2
Gf(s) - 723439s2+1710s+723439
각 감속단에 존재하는 임의의 백래시 크기 조합은 전체 백래시 크기에 차지하는 비율인 백래시비율로 식(22)부터 식(24)와 같이 같이 나타낼 수 있으며 이것을 백래시비율조합(Backlash Ratio Combination)이라고 정의 하였다.
3단 기어감속 서보시스템의 주파수 응답선도를 얻기 위해 2장에서 유도한 운동방정식들로부터 Fig. 3의 블록선도로 변환한 후각 가진주파수에 대한 시간 영역 응답을 얻기 위하여 MathWorks사의 Matlab Simulink를 사용하였다.
샘플링 시간은 10 μ sec, 솔버(Solver)로는 Runge-Kutta를 사용하였으며, 정상 상태 응답을 얻기 위하여 각 가진주파수별로 4초간 시뮬레이션 한 후 초기 2초간의 데이터는 버리고, 나머지 2초간의 데이터만을 취하여 가진 주파수 성분을 추출하는 주파수 분석을 수행하였다.8
3.1 백래시비율조합 영향
먼저 3단 기어감속 서보시스템 내 백래시가 존재할 때 시스템 주파수 응답 특성에 미치는 영향을 살펴보기 위해 Table 1의 제원을 갖는 3단 기어감속 서보시스템이 백래시제로(bt = 0o)인 경우와 전체 백래시(bt = 0.276o)가 세 번째 감속단(최종 부하단)에만 존재한다고 가정한 두 가지 경우의 주파수 응답선도를 비교해보면 Fig. 4Table 2와 같다. 이때 모터입력전압, Vi는 2.19Vpk로 하였다.
Fig. 4

The Bode diagrams (Vo/Vi) in case of bt = 0o and bt = 0.276o when Vi is 2.19 Vpk

KSPE_2021_v38n9_691_f004.jpg
Table 2

The effect of total backlash increase

Table 2
b1 [o] b2 [o] b3 [o] Anti-Resonance
[dB/Hz]
Resonance
[dB/Hz]
0 0 0 -21.5/28.5 13.4/30.0
0 0 0.276 -20.2/26.0 5.1/28.5
Fig. 4Table 2로부터 3단 기어감속 서보시스템에 백래시(bt = 0.276o)가 존재할 경우 주파수 응답 특성에서 나타나는 반공진 및 공진주파수는 감소함을 알 수 있으며 백래시 제로(Backlash Zero)와 비교해 각각 8.7과 5% 반공진 및 공진주파수가 감소함을 알 수 있다.
3단 기어감속 서보시스템의 경우 최종 부하단에서 측정되는 전체 백래시 크기가 동일하더라도 각 단에 존재하는 백래시 크기는 서로 다른 수많은 조합이 존재할 수 있다. 따라서, 각 감속단에 존재하는 백래시 영향을 살펴보기 위해 최종 부하단에서 측정되는 전체 백래시가 첫 번째, 두 번째 및 세 번째(최종 부하단) 감속단에만 각각 존재한다는 3가지 백래시비율조합(0-0-100%, 0-100-0%, 100-0-0%)에 대해 시스템 주파수 응답선도를 구하여 Fig. 5Table 3에 나타내었다. 여기서 백래시비율조합, 0-0-100%의 의미는 첫 번째와 두 번째 감속단에는 백래시가 존재하지 않고, 세 번째 감속단에 전체 백래시가 100% 존재함을 의미한다.
Fig. 5

The Bode diagrams (Vo/Vi) according to the change of backlash ratio combination s when Vi is 2.19 Vpk

KSPE_2021_v38n9_691_f005.jpg
Table 3

The anti-resonance & resonance frequency according to backlash ratio combination when Vi is 2.19Vpk

Table 3
BR1 (b1)
[% (o)]
BR2 (b2)
[% (o)]
BR3 (b3)
[% (o)]
Anti-Resonance
[dB/Hz]
Resonance
[dB/Hz]
0 (0) 0 (0) 100 (0.276) -20.2/26.0 5.1/28.5
0 (0) 100 (1.38) 0 (0) -14.9/26.5 9.25/29.5
100 (5.52) 0 (0) 0 (0) -10.5/27.0 11.41/30.0
Fig. 5Table 3을 통해 전체 백래시가 첫 번째 감속단에 100% 존재하는 100-0-0% 백래시비율조합이 세 번째 감속단(최종부 하단)에 전체 백래시가 존재한다고 가정한 0-0-100% 백래시비율조합보다 반공진 및 공진주파수 크기가 각각 3.8%(1.0 Hz), 5.2%(1.5 Hz) 큼을 볼 수 있으며, 0-100-0% 백래시비율조합의 경우 앞에 두 백래시비율조합 사이값을 가짐을 볼 수 있다.
결론적으로 3단 기어감속 서보시스템의 전체 백래시 크기가 동일할지라도 각 감속단의 백래시비율조합에 따라 시스템의 응답성을 결정하는 반공진 및 공진주파수가 달라질 수 있으며 백래시비율조합을 적절히 조정하면 시스템 무게 증가 없이 보다 빠른 응답성을 갖는 시스템 설계/제작이 가능할 수 있음을 알 수 있다.
3.2 모터입력전압 크기 영향
본 절에서는 백래시가 존재하는 3단 기어감속 서보시스템에서 모터입력전압의 크기 변화에 따른 반공진 및 공진주파수 변화를 관찰하기 위해 모터입력전압, Vi를 0.73 Vpk (Vm = 3.0 Vpk)에서 4.36 Vpk (Vm = 17.9 Vpk)까지 조금씩 증가시켜 시뮬레이션하였으며, 전체 백래시, bt는 0.276o로 동일하게 유지한 상태에서 시스템 백래시비율조합을 0-0-100%, 0-100-0%, 100-0-0%로 갖는 3가지 경우에 대한 반공진 및 공진주파수 변화를 구해 Fig. 6에 나타내었다.
Fig. 6

The change of anti-resonance & resonance frequency according to the backlash ratio combination when the input voltage Vi is between 0.73 Vpk and 4.36 Vpk

KSPE_2021_v38n9_691_f006.jpg
Fig. 6을 살펴보면 모터입력전압, Vi가 커짐에 따라 3가지 백래시비율조합 모두 반공진 및 공진주파수가 커짐을 볼 수 있다.
모터입력전압이 0.97Vpk (Vm =4.0Vpk)− 2.43Vpk (Vm = 10.0Vpk)인 경우 백래시비율조합에 따라 반공진 및 공진주파수가 크게 차이가 나고, 모터입력전압, Vi가 2.43 Vpk (Vm = 10.0 Vpk) 이상에서는 반공진 및 공진주파수 차이가 크지 않음을 볼 수 있다.
결론적으로 3단 기어감속 서보시스템에 허용되는 전체 백래시 크기가 결정된 경우 가능하면 모터입력전압이 충분히 크도록 시스템을 설계하는 것이 시스템 무게 증가 없이 보다 빠른 응답성을 갖는 시스템 설계/제작에 유리하며, 모터입력전압이 충분히 크지 않은 경우에는 최적의 백래시비율조합을 갖도록 각 단 백래시비율을 결정할 필요가 있다.
백래시비율(크기)를 조정하는 방법으로는 피니언과 기어의 회전축간 거리를 조정하거나 기어 치형 가공 시 정밀가공을 통해 백래시 크기를 조정하는 방법이 있다.11
3.3 백래시비율조합 결정
앞 절에서는 백래시비율조합이 달라짐에 따른 영향을 비교하기 위해 0-0-100%, 0-100-0%, 100-0-0%와 같이 극단적인 백래시비율조합을 갖는 경우를 비교하였다.
그러나 실제 시스템에서는 각 감속단의 원활한 이물림을 위해 상기와 같은 백래시비율조합을 가질 수 없다. 따라서, 시스템이 보다 빠른 응답성을 갖도록 만들기 위해 각 단 백래시비율(크기)는 원활한 이물림에 필요한 각 단 백래시 범위 내에서 찾아야 한다.
Fig. 2(a)에 나타낸 피니언과 기어들의 제원은 Table 4와 같다.
Table 4

Specifications of pinions and gears

Table 4
Stage Item Pitch diameter
[mm]
Module Teeth
No.
Teeth thickness
[mm]
1 Pinion 1 12 1 12 10
Gear 1 48 48
2 Pinion 2 12 12
Gear 2 48 48
3 Pinion 3 12 12
Gear 3 60 60
JIS-B-1702-1 규격에 따르면 기어정밀도 8급으로 기어-피니언을 가공할 경우 원활한 이물림 및 동력전달을 위해 필요한 원주 백래시(Circular Backlash) 크기는 첫 번째/두 번째 감속단의 경우 최소 80에서 최대 320 μm가 필요하며, 세 번째 감속단에 필요한 원주백래시는 최소 100에서 최대 380 μm이다.12
원주백래시 Lb,i와 각도 백래시 bi 관계는 다음 식(26)과 같다.
(26)
bi=360° Lb,iπ Dg,ii=1,2,3
여기서, Lb,ii번째 감속단에서 피니언 i 고정 시 기어 i가 각도백래시만큼 회전할 때 피치원경 위에 한 점이 이동한 원호 거리(m)이다.
전체 백래시가 0.276o이고, 각 감속단이 기어정밀도 8급의 원주백래시를 갖는 경우 각 감속단이 가질 수 있는 백래시비율은 식(21)부터 식(24)식(26)을 이용하여 다음 식(27)부터 식(29)를 구할 수 있다.
(27)
3.4% BR113.8%
(28)
13.8% BR255.4%
(29)
69.2% BR3100%
또한, 3단 기어감속 서보시스템에서 각 감속단 백래시비율의 합은 100%로 다음 식(30)과 같이 표현할 수 있다.
(30)
BR1+BR2+BR3=100%
Table 5식(27)부터 식(30)을 만족하는 각 감속단의 백래시비율조합을 나타낸 표로 BR1은 첫번째 감속단에 허용되는 백래시비율(크기), BR2는 두번째 감속단에 허용되는 백래시비율(크기)를 나타낸다. 또한, 표 가운데 BR3식(29)를 만족하는 백래시비율 중 첫 번째 감속단과 두 번째 감속단의 백래시비율이 주어질 경우 세 번째 감속단이 갖게 되는 백래시비율을 나타낸다.
Table 5

Allowable backlash ratio combination

Table 5
BR1 [%]
4 6 8 10 12 14
BR3 [%]
BR2
[%]
14 82 80 78 76 74 72
16 80 78 76 74 72 70
18 78 76 74 72 70 68
20 76 74 72 70 68 -
22 74 72 70 68 - -
24 72 70 68 - - -
26 70 68 - - - -
28 68 - - - - -
결국 Table 5에 나타낸 BR1, BR2, BR3 백래시비율조합은 Fig. 2(a)에 나타낸 3단기어감속 서보시스템이 원활한 이물림을 가질 수 있는 백래시비율조합이 된다.
Table 5의 백래시비율조합에 따른 3단 기어감속 서보시스템의 반공진 및 공진주파수는 Figs. 7, 8Tables 6, 7과 같으며, Fig. 7Table 6은 모터입력전압, Vi가 1.46Vpk (Vm = 6.0Vpk) 일 때 얻은 결과이며, Fig. 8Table 7은 모터입력전압, Vi가 2.19Vpk (Vm = 9.0Vpk) 일 때 얻은 결과이다.
Fig. 7Table 6으로부터 전체 백래시 크기가 0.276o로 동일할지라도 모터입력전압이 충분히 크지 않은 경우 백래시비율조합(BR1, BR2, BR3)이 (10%, 16%, 74%)와 (10%, 22%, 68%)에서 시스템 응답성을 결정하는 반공진주파수가 최저값 24 Hz 대비 4.1% 높은 25 Hz를 갖게 되며, 공진주파수 역시 상대적으로 높은 27.5 Hz를 갖게 됨을 알 수 있다.
Fig. 7

The change of anti-resonance & resonance frequency according to the backlash ratio combination when the input voltage Vi is 1.46 Vpk

KSPE_2021_v38n9_691_f007.jpg
Table 6

fAR and fR when Vi is 1.46Vpk

Table 6
BR1 [%]
4 6 8 10 12 14
fAR [Hz]
BR2
[%]
14 24 24 24.5 24.5 24.5 24.5
16 25 24.5 24.5 25 24.5 24.5
18 24.5 24.5 24.5 24.5 24.5 24.5
20 24.5 25 25 24.5 24.5 -
22 25 25 24.5 25 - -
24 24.5 25 24.5 - - -
26 24.5 25 - - - -
28 25 - - - - -
fR [Hz]
14 26.5 25 26.5 27 27 27.5
16 25.5 25.5 25.5 27.5 27 27
18 25 26 27 27 27.5 28
20 25.5 25.5 26 26.5 27.5 -
22 26 26.5 27 27.5 - -
24 25.5 26.5 26 - - -
26 26.5 26.5 - - - -
28 26.5 - - - - -
결론적으로 모터입력전압이 Vi= 1.46Vpk (Vm = 6.0Vpk)로 충분히 크지 않은 시스템의 경우 각 단 백래시 크기, (b1, b2, b3)를 (0.552o, 0.3036o, 0.1876o)와 (0.552o, 0.2208o, 0.2042o)로 시스템을 설계/제작하는 것이 시스템이 보다 빠른 응답성을 갖는데 유리함을 알 수 있다.
Fig. 8Table 7을 통해 모터입력전압, Vi가 2.19Vpk (Vm =9.0Vpk)로 충분히 큰 경우 시스템 반공진주파수는 백래시비율조합에 상관없이 26 Hz로 일정한 반면 공진주파수는 첫 번째, 두 번째 감속단의 백래시비율 BR1, BR2가 각각 8% 이상, 22% 이하일 때 최대가 됨을 알 수 있다. 서보시스템의 속도제어 대역폭(Control Bandwidth)는 주로 시스템 반공진주파수에 의해 결정되나 높은 공진주파수를 갖는 시스템이 보다 안정적인 시스템 성능 구현에 유리하므로 Table 7에 박스로 표시한 백래시비율조합을 갖도록 시스템을 설계/제작하는 것이 시스템 무게 증가 없이 보다 빠른 응답성을 갖는 시스템 설계/제작에 유리함을 알 수 있다.
Fig. 8

The change of anti-resonance & resonance frequency according to the backlash ratio combination when the input voltage Vi is 2.19 Vpk

KSPE_2021_v38n9_691_f008.jpg
Table 7

fAR and fR when Vi is 2.19 Vpk

Table 7
BR1 [%]
4 6 8 10 12 14
fAR [Hz]
BR2
[%]
14 26 26 26 26 26 26
16 26 26 26 26 26 26
18 26 26 26 26 26 26
20 26 26 26 26 26 -
22 26 26 26 26
24 26 26 26
26 26 26
28 26 - - - - -
fR [Hz]
14 28 28 28.5 28.5 28.5 29
16 28.5 28.5 28.5 28.5 29 29
18 28.5 28.5 28.5 28.5 29 29
20 28.5 28.5 29 29 29 -
22 28.5 28.5 29 29 - -
24 28.5 28.5 28.5 - - -
26 28.5 28.5 - - - -
28 28.5 - - - - -
결론적으로 3단 기어감속 서보시스템 설계 시 가능한 큰 모터입력전압을 갖도록 설계하는 것이 시스템 응답성에 미치는 각 감속단의 백래시 영향을 최소화할 수 있으며, 시스템에 허용되는 전체 백래시가 정해진 경우 첫 번째와 두 번째 감속단의 백래시비율을 상기와 같이 설계/제작하면 보다 빠르고 안정적인 서보시스템 구현에 유리함을 알 수 있다.
본 연구에서는 3단 기어감속 서보시스템을 수학적으로 모델링하고, 각 단 백래시비율(크기)과 모터입력전압 크기 변화에 따른 시스템 반공진 및 공진주파수 변화를 주파수 분석 시뮬레이션을 통해 관찰하였다. 모터입력전압 크기가 충분히 큰 경우에는 시스템 반공진주파수에 미치는 각 단 백래시비율(크기) 영향이 최소화(제거)됨을 알았으며, 모터입력전압 크기가 충분히 크지 않은 경우에는 각 단 백래시비율(크기)에 따라 반공진 및 공진주파수를 최대로 만드는 백래시비율(크기)이 존재함을 알았다. 따라서, 3단 기어감속 서보시스템 설계 시 가능하면 큰 모터 입력전압을 갖도록 설계하고, 시스템에 허용되는 전체 백래시 크기가 정해진 경우 시스템 반공진 및 공진주파수가 최대가 되는 백래시비율조합을 찾아 서보시스템을 설계/제작하면 무게 증가 없이 보다 빠른 응답성을 갖는 시스템을 구현할 수 있다고 생각한다.

BRi

Backlash Ratio of ith Gear Reduction Stage (i = 1,2,3)

Bm

Viscous Damping Coefficient of Motor (N·m/(rad/sec))

bi

Angular Backlash to be Measured at the Gear i(o) (i = 1,2,3)

bt

Total Backlash to be Measured at the Output Stage (o)

fAR

Anti-Resonance Frequency (Hz)

fR

Resonance Frequency (Hz)

Gf (s)

Transfer Function of Tachometer Filter

ia

Motor Current (A)

Jg,i, JL, Jm, Js,i, Jp,i

Moment of Inertia of Gear i, Load, Motor, Shaft i, and Pinion i (kg·m2)

ka

Gain of Motor Amplifier (V/V)

kb

Back emf Constant of Motor (V·s/rad)

kgi

Torsional Stiffness due to Tooth between Pinion i and Gear i (N·m/rad) (i = 1,2,3)

ksi

Torsional Stiffness of Shaft i (N·m/rad) (i = 1,2,3)

kt

Torque Sensitivity of Motor (N·m/A)

kts

Tachometer Sensitivity (V·s/rad)

La

Inductance of Motor (H)

Lb,i

Circular Backlash on Pitch Diameter at the Gear i (m)

Ni

Gear Ratio of Pinion i and Gear i (i = 1,2,3)

Rm

Resistance of Motor (Ω)

Tf,L, Tf,m

Static Friction Torque of Load and Motor (N·m)

Tgi

Transmitted Torque of Gear i (N·m) (i = 1,2,3)

Tm, TL

Motor and Load Torque (N·m)

Vi

Input Voltage of Motor Amplifier (V)

Vm

Input Voltage of Motor (V)

Vt

Output Voltage of Tachometer (V)

Vo

Output Voltage of Tachometer Filter (V)

δi

Half the Value of Angular Backlash to be Measured at the Side of Gear i (i = 1,2,3)

θdi

Angular Transmission Error of ith Stage (rad) (i = 1,2,3)

θgi, θL, θm, θpi, θsi

Rotation Angle of Gear i, Load, Motor, Pinion i, and Shaft i (rad)

sign(·)

Sign of Value in the Parenthesis
  • 1.
    Lee, B. J., “Development of Differential Planetary Reduction Gear and Actuator Mechanism for Articulated Robots,” https://scienceon.kisti.re.kr/commons/util/originalView.do?cn=TRKO201900024265&dbt=TRKO&rn= (Accessed 17 AUGUST 2021)
  • 2.
    Jeong, S. H., Seol, J. W., Heo, S. H., Lee, B. H., and Cho, Y. K., “Design and Performance Test of 10,000 lbf-in Class Dual Redundant Hinge Line Electro-Mechanical Actuator System,” Journal of the Korean Society for Aeronautical & Space Sciences, Vol. 47, No. 2, pp. 153-160, 2019.
    10.5139/JKSAS.2019.47.2.153
  • 3.
    Bigley, W. J., “Wideband Base Motion Isolation Control via the State Equalization Technique,” Optical Engineering, Vol. 32, No. 11, pp. 2805-2811, 1993.
    10.1117/12.148097
  • 4.
    Bigley, W. and Rizzo, V., “Wideband Linear Quadratic Control of a Gyro-Stabilized Electro-Optical Sight System,” IEEE Control Systems Magazine, Vol. 7, No. 4, pp. 20-24, 1987.
    10.1109/MCS.1987.1105331
  • 5.
    Baek, J., Kwak, Y. K., and Kim, S., “On the Frequency Bandwidth Change of a Servo System with a Gear Reducer due to Backlash and Motor Input Voltage,” Archive of Applied Mechanics, Vol. 73, No. 5, pp. 367-376, 2003.
    10.1007/s00419-003-0293-6
  • 6.
    Baek, J. H., Hong, S. M., Yang, T. S., Kim, S. H., and Kwak, Y. K., “Frequency Response Characteristics of Two-Staged Gear Reduction Servo System according to the Backlash Contribution Ratio Variation of Each Gear Reduction Stage,” Journal of the Korean Society for Precision Engineering, Vol. 19, No. 5, pp. 103-109, 2002.
  • 7.
    Baek, J., Kwak, Y. K., and Kim, S., “Backlash Estimation of a Seeker Gimbal with Two-Stage Gear Reducers,” The International Journal of Advanced Manufacturing Technology, Vol. 21, No. 8, pp. 604-611, 2003.
    10.1007/s00170-002-1378-z
  • 8.
    Baek, J. H., “The Utilization of Frequency Response Characteristic for the Detection of Change of Backlash Magnitude,” Journal of the Korea Society for Simulation, Vol. 24, No. 3, pp. 45-54, 2015.
    10.9709/JKSS.2015.24.3.045
  • 9.
    Baek, J. H., “The Change of the Influence of Backlash Ratio according to the Change of Motor Input Voltage,” Journal of the Korean Society for Precision Engineering, Vol. 34, No. 11, pp. 771-779, 2017.
    10.7736/KSPE.2017.34.11.771
  • 10.
    Nordin, M., Galic', J., and Gutman, P. O., “New Models for Backlash and Gear Play,” International Journal of Adaptive Control and Signal Processing, Vol. 11, No. 1, pp. 49-63, 1997.
    10.1002/(SICI)1099-1115(199702)11:1<49::AID-ACS394>3.0.CO;2-X
  • 11.
    Park, Y. C., “Mechanical Design,” Bosung Publisher, 1981.
  • 12.
    MiSUMi, “Backlash Tolerance of Spur Gear,” https://kr.misumiec.com/special/gear/tolerance/backlash/ (Accessed 17 AUGUST 2021)
Joo Hyun Baek
KSPE_2021_v38n9_691_bf001.jpg
Ph.D./Chief Research Engineer in LIG Nex1 Co., Ltd.. His research interest is dynamics of nonlinear systems, fault diagnostics, and biomimetic robot.
Tae Young Chun
KSPE_2021_v38n9_691_bf002.jpg
Chief Research Engineer in LIG Nex1 Co., Ltd.. His research interest is the mechanical system design with a servo driving system.
Jong Geun Jeon
KSPE_2021_v38n9_691_bf003.jpg
Chief Research Engineer in LIG Nex1 Co., Ltd.. His research interest is the system design of a missile and a structure design.
Young Hwan Jo
KSPE_2021_v38n9_691_bf004.jpg
Chief Research Engineer in LIG Nex1 Co., Ltd.. His research interest is the system design of a missile and a guided bomb.

Download Citation

Download a citation file in RIS format that can be imported by all major citation management software, including EndNote, ProCite, RefWorks, and Reference Manager.

Format:

Include:

Frequency Analysis of the Servo System with Three-Stage Reducer considering the Backlash Ratios and Motor Input Voltage
J. Korean Soc. Precis. Eng.. 2021;38(9):691-699.   Published online September 1, 2021
Download Citation

Download a citation file in RIS format that can be imported by all major citation management software, including EndNote, ProCite, RefWorks, and Reference Manager.

Format:
Include:
Frequency Analysis of the Servo System with Three-Stage Reducer considering the Backlash Ratios and Motor Input Voltage
J. Korean Soc. Precis. Eng.. 2021;38(9):691-699.   Published online September 1, 2021
Close

Figure

  • 0
  • 1
  • 2
  • 3
  • 4
  • 5
  • 6
  • 7
Frequency Analysis of the Servo System with Three-Stage Reducer considering the Backlash Ratios and Motor Input Voltage
Image Image Image Image Image Image Image Image
Fig. 1 The constitution diagram for frequency analysis of the servo system with three-stage reducer6 (Adapted from Ref. 6 on the basis of OA)
Fig. 2 The structure and model of the servo system with three-stage reducer
Fig. 3 Block diagram of the servo system with three-stage reducer
Fig. 4 The Bode diagrams (Vo/Vi) in case of bt = 0o and bt = 0.276o when Vi is 2.19 Vpk
Fig. 5 The Bode diagrams (Vo/Vi) according to the change of backlash ratio combination s when Vi is 2.19 Vpk
Fig. 6 The change of anti-resonance & resonance frequency according to the backlash ratio combination when the input voltage Vi is between 0.73 Vpk and 4.36 Vpk
Fig. 7 The change of anti-resonance & resonance frequency according to the backlash ratio combination when the input voltage Vi is 1.46 Vpk
Fig. 8 The change of anti-resonance & resonance frequency according to the backlash ratio combination when the input voltage Vi is 2.19 Vpk
Frequency Analysis of the Servo System with Three-Stage Reducer considering the Backlash Ratios and Motor Input Voltage

Specifications of the considered system

Parameter Unit Value
N1, N2 - 4.0
N 3 - 5.0
kg1, kg2 (N·m/rad) 1.114 × 105
kg 3 (N·m/rad) 1.118 × 105
ks1, ks2 (N·m/rad) 3.44 × 102
ks 3 (N·m/rad) 3.67 × 102
Jg1, Jg2 (kg·m2) 9.90 × 10-5
Jg 3 (kg·m2) 3.80 × 10-4
Js1, Js2 (kg·m2) 1.83 × 10-7
Js 3 (kg·m2) 3.13 × 10-7
Jp2, Jp3 (kg·m2) 1.58 × 10-7
JL (kg·m2) 1.1 × 10-2
Tf,L (N·m) 7.0 × 10-3
bt (Degree) 0.276
La (H) 8.50 × 10-4
Rm (Ω) 4.1
kb (V·s/rad) 3.44 × 10-2
kt (N·m/A) 3.49 × 10-2
Jm (kg·m2) 3.49 × 10-2
Tf,m (N·m) 1.40 × 10-2
ka - 4.11
kts (V·s/rad) 8.60 × 10-2
Bm (N·m/(rad/s)) 1.60 × 10-2
Gf(s) - 723439 s 2 + 1710 s + 723439

The effect of total backlash increase

b1 [o] b2 [o] b3 [o] Anti-Resonance
[dB/Hz]
Resonance
[dB/Hz]
0 0 0 -21.5/28.5 13.4/30.0
0 0 0.276 -20.2/26.0 5.1/28.5

The anti-resonance & resonance frequency according to backlash ratio combination when Vi is 2.19Vpk

BR1 (b1)
[% (o)]
BR2 (b2)
[% (o)]
BR3 (b3)
[% (o)]
Anti-Resonance
[dB/Hz]
Resonance
[dB/Hz]
0 (0) 0 (0) 100 (0.276) -20.2/26.0 5.1/28.5
0 (0) 100 (1.38) 0 (0) -14.9/26.5 9.25/29.5
100 (5.52) 0 (0) 0 (0) -10.5/27.0 11.41/30.0

Specifications of pinions and gears

Stage Item Pitch diameter
[mm]
Module Teeth
No.
Teeth thickness
[mm]
1 Pinion 1 12 1 12 10
Gear 1 48 48
2 Pinion 2 12 12
Gear 2 48 48
3 Pinion 3 12 12
Gear 3 60 60

Allowable backlash ratio combination

BR1 [%]
4 6 8 10 12 14
BR3 [%]
BR2
[%]
14 82 80 78 76 74 72
16 80 78 76 74 72 70
18 78 76 74 72 70 68
20 76 74 72 70 68 -
22 74 72 70 68 - -
24 72 70 68 - - -
26 70 68 - - - -
28 68 - - - - -

fAR and fR when Vi is 1.46Vpk

BR1 [%]
4 6 8 10 12 14
fAR [Hz]
BR2
[%]
14 24 24 24.5 24.5 24.5 24.5
16 25 24.5 24.5 25 24.5 24.5
18 24.5 24.5 24.5 24.5 24.5 24.5
20 24.5 25 25 24.5 24.5 -
22 25 25 24.5 25 - -
24 24.5 25 24.5 - - -
26 24.5 25 - - - -
28 25 - - - - -
fR [Hz]
14 26.5 25 26.5 27 27 27.5
16 25.5 25.5 25.5 27.5 27 27
18 25 26 27 27 27.5 28
20 25.5 25.5 26 26.5 27.5 -
22 26 26.5 27 27.5 - -
24 25.5 26.5 26 - - -
26 26.5 26.5 - - - -
28 26.5 - - - - -

fAR and fR when Vi is 2.19 Vpk

BR1 [%]
4 6 8 10 12 14
fAR [Hz]
BR2
[%]
14 26 26 26 26 26 26
16 26 26 26 26 26 26
18 26 26 26 26 26 26
20 26 26 26 26 26 -
22 26 26 26 26
24 26 26 26
26 26 26
28 26 - - - - -
fR [Hz]
14 28 28 28.5 28.5 28.5 29
16 28.5 28.5 28.5 28.5 29 29
18 28.5 28.5 28.5 28.5 29 29
20 28.5 28.5 29 29 29 -
22 28.5 28.5 29 29 - -
24 28.5 28.5 28.5 - - -
26 28.5 28.5 - - - -
28 28.5 - - - - -
Table 1 Specifications of the considered system
Table 2 The effect of total backlash increase
Table 3 The anti-resonance & resonance frequency according to backlash ratio combination when Vi is 2.19Vpk
Table 4 Specifications of pinions and gears
Table 5 Allowable backlash ratio combination
Table 6 fAR and fR when Vi is 1.46Vpk
Table 7 fAR and fR when Vi is 2.19 Vpk