Skip to main navigation Skip to main content
  • E-Submission

JKSPE : Journal of the Korean Society for Precision Engineering

OPEN ACCESS
ABOUT
BROWSE ARTICLES
EDITORIAL POLICIES
FOR CONTRIBUTORS
REGULAR

그리퍼 내에서 물체의 위치를 인지하기 위한 그리퍼의 5축 힘/모멘트센서 개발

Development of 5-axis Force/Moment Sensor of Gripper to Recognize the Position of an Object within the Gripper

Journal of the Korean Society for Precision Engineering 2023;40(5):415-422.
Published online: May 1, 2023

1 경상국립대학교 대학원 제어계측공학과

2 경상국립대학교 제어로봇공학과

1 Department of Control and Instrumentation Engineering, Graduate School, Gyeongsang National University

2 Department of Control and Robot Engineering (ERI), Gyeongsang National University

#E-mail: gskim@gnu.ac.kr, TEL: +82-55-772-1745
• Received: December 1, 2022   • Revised: January 26, 2023   • Accepted: January 27, 2023

Copyright © The Korean Society for Precision Engineering

This is an Open-Access article distributed under the terms of the Creative Commons Attribution Non-Commercial License (http://creativecommons.org/licenses/by-nc/3.0) which permits unrestricted non-commercial use, distribution, and reproduction in any medium, provided the original work is properly cited.

  • 6 Views
  • 0 Download
  • 1 Crossref
prev next
  • In this paper, we describe the development of a 5-axis force/moment sensor of an intelligent gripper designed to grasp the weight of an unknown object and the position of the object in the gripper. The 5-axis force/moment sensor consists of an Fx force sensor, Fy force sensor, and Fz force sensor to measure weight, along with an Mx moment sensor and Mz moment sensor to determine the position of an object in the gripper. These sensors are all built within a single body. Each sensor sensing part of the 5-axis force/moment sensor was newly modeled and custom designed using software, and each sensor was manufactured by attaching a strain gauge. The results of the characteristic test of the fabricated 5-axis force/moment sensor showed that the rated output error was within 0.1%, the reproducibility error was within 0.05%, and the nonlinearity error was within 0.04%. Therefore, the 5-axis force/moment sensor developed in this paper can be attached to an intelligent gripper and be used to grasp the weight of an unknown object as well as the position of the object in the gripper.
로봇의 그리퍼는 다양한 종류의 미지물체를 안전하게 잡은 후에 테이블 등의 위에 놓는 작업, 상자 등에 넣는 작업 등을 수행해야 한다. 그리고 로봇이 물체를 정확한 위치에 놓기 위해서는 물체의 중심이 그리퍼의 어느 위치에 있는지를 인지해야 한다. 로봇의 그리퍼가 금속 물체를 잡을 때에는 단단하고 강성이 높으므로 떨어지지 않을 정도로 잡는 힘을 가하여 잡으면 된다. 그러나 금속 이외의 물체는 파괴되지 않고, 떨어지지 않도록 안전하게 잡아야 한다. 현재의 로봇 그리퍼는 다양한 미지물체를 안전하게 잡아 드는 것을 수행하기가 매우 어렵다.
Bicchi [1]는 로봇 손을 조작 손동작, 견고성, 조작성 등을 고려하여 인체공학적으로 설계하였고, Kyberd [2]는 손의 상태, 잡는 힘, 미끄러짐 등의 정보를 마이크로프로세서가 읽어 1개 이상의 자유도를 제어할 수 있는 로봇손을 설계하였다. Chelpanov [3]은 산업용 로봇의 그리퍼의 기계적인 동작에 대해 분석하였고, Tai [4]는 그리퍼의 기능을 향상시키기 위해 압전, 형상 기억 합금, 스마트 유체, 탄소 섬유 등을 이용하여 설계하였고, 이것은 부드럽거나 깨지기 쉬운 물체를 잡기 위한 것이다. Honarpardaz [5]는 산업용 로봇에 부착하기 위해 자동으로 동작하는 손가락을 설계하였고, Birglen [6]은 다양한 물체를 감아쥘 수 있는 손가락 관절 엑츄에이터가 없는 로봇손가락을 설계하였다. Fantoni [7]는 물체의 특성에만 의존하지 않고 공급 조건, 취급 특성, 배치 및 해제 조건과 같은 많은 다른 매개변수를 고려한 그리퍼 선택에 대해 연구하였고, Roberge [8]는 그리퍼가 미끄러지지 않고 최대 의 힘과 모멘트를 발휘할 수 있도록 촉각센서를 이용한 그리퍼를 설계하였다. Huang [9]는 로봇의 우치제어와 그리퍼의 힘제어를 수행할 수 있는 제어장치를 설계하였다.
산업체에서 금속 공작물을 처리하기 위해 사용되는 공압식 그리퍼는 금속의 무게 등을 고려하여 작업자가 수동으로 공기압을 조정하고 그것에 따라 항상 일정한 공기압을 가하여 잡는다. 전기식 그리퍼는 공압식 그리퍼와 마찬가지로 작업자가 잡는 힘에 상응하는 모터 드라이브에 공급되는 전류값을 결정하고, 그것을 기준으로 제어하여 잡는다. 위와 같이 현재까지 개발된 로봇 그리퍼는 다양한 물체를 스스로 안전하게 잡기 못한다. 이것은 그리퍼 스스로 물체에 따라 적당한 잡는 힘을 결정하지 못하기 때문이다. 그리퍼가 미지물체를 안전하게 잡기 위해서는 그리퍼가 물체를 잡아 드는 순간 무게의 무게를 측정하고, 그 무게에 따라 잡는 힘을 조절해야 한다. 그리퍼가 미지물체를 무게를 측정하기 위해서는 물체를 잡는 그리퍼 판에 3축 힘센서(Fx 힘센서, Fy 힘센서, Fz 힘센서)를 부착해야 한다. 그리고 물체가 그리퍼 판의 중심으로부터 얼마나 떨어져 있는지를 정량적으로 파악하기 위해서는 모멘트센서가 부착되어야 한다. 즉, 그리퍼가 물체의 무게를 측정하여 잡는 힘을 결정한 후 안전하게 잡고, 그리퍼 내에 물체의 위치를 정량적으로 인지하기 위해서는 5축 힘/모멘트센서가 그리퍼 판에 부착되어야 한다.
지금까지 다양한 모양과 크기로 다축 힘/모멘트센서가 개발되었다. Kim [10]과 Joung [11]은 각각 하지재활로봇의 종아리 링크와 허벅지 링크에 2축 센서를 설계 및 제작하였으나 센서길이가 300 mm 이상이고, 힘 Fx와 Fy만 동시에 측정할 수 있는 단점을 가지고 있다. Song [12]는 4축 힘/토크센서를 설계 및 제작하였나 힘 Fx와 Fy, 토크 Mx와 My를 동시에 측정할 수 있어 물체의 무게를 측정할 수 없는 단점을 가지고 있다. ATI [13]은 2축-6축 힘/토크센서를 제작하여 판매하고 있으나 센서의 모양이 사각형 혹은 원형으로 되어 있어 그리퍼의 손가락에 부착하기 어려울 뿐만 아니라 가격이 1천만원대로 매우 고가이므로 사용하기 어렵다. 그러므로 지능형 그리퍼에 부착되어 물체의 무게와 그러퍼 내의 물체의 위치를 인지하기 위한 5축 힘/모멘트센서의 개발이 필요하다.
본 논문에서는 물체의 무게와 그리퍼 내에서 물체의 위치를 인지하기 위한 지능형 그리퍼의 5축 힘/모멘트센서(Fx 힘센서, Fy 힘센서, Fz 힘센서, Mx 모멘트센서, Mz 모멘트센서)를 설계 및 제작하였다. 5축 힘/모멘트센서의 감지부를 설계하였고, 감지부의 크기를 결정하기 위한 구조해석을 실시하였으며, 스트레인게이지를 각 센서 감지부에 부착하여 제작하였다. 그리고 제작한 5축 힘/모멘트센서의 특성실험을 실시하였다.
2.1 그리퍼의 물체 위치인지 원리
Fig. 1은 5축 힘/모멘트 센서를 이용한 지능형 그리퍼의 물체 무게측정 및 위치인지 원리를 나타내고 있고, 이것은 그리퍼 기계장치(Gripper Mechanism), 그리퍼 판(GRIPPER PLATE), 두개의 5축 힘/모멘트센서(5-axis-force Sensor) 등으로 구성된다. 그리퍼 기계장치는 엑츄에이터의 모터의 회전에 따라 스퍼어기어가 회전되고, 이것에 의해 레버에 부착된 그리퍼 판이 수평으로 이동되어 물체를 잡는다. 그리퍼가 물체를 잡아 들게되면 5축 힘/모멘트센서의 Fx 힘센서, Fy 힘센서, Fz 힘센서가 무게를 측정하고, 무게에 따른 잡는 힘을 결정하여 잡는 제어를 실시한다. 동시에 Mx 모멘트 센서와 Mz 모멘트센서를 이용하여 그리퍼 내에서의 물체의 위치를 인지한다.
Fig. 1

Object position recognition principle of intelligent gripper using the 5-axis force/moment sensor

KSPE_2023_v40n5_415_f001.jpg
물체의 무게를 측정하여 계산하는 식은 다음과 같이 쓸 수 있다.
(1)
W=Fx1-Fx22+Fy1-Fy22+Fz1-Fz22
여기서, W는 미지물체의 무게[N], Fx1 Fx2 는 5축 힘/모멘트센서1과 2의 각 힘센서로부터 측정된 x방향의 힘[N], Fy1 Fy2 는 5축 힘/모멘트센서1과 2의 각 힘센서로부터 측정된 y방향의 힘[N], Fz1 Fz2 는 5축 힘/모멘트센서1과 2의 각 힘센서로부터 측정된 z방향의 힘[N]이다.
잡는 힘제어를 위한 잡는 힘 Fx계산식은 다음과 같이 표현 할 수 있다.
(2)
Fx=Fx1-Fx2
그리퍼 내에서의 물체의 위치 인지는 다음 식에 의해 계산될 수 있다.
(3)
X=Mz1Fx1=Mz2Fx2
(4)
X=Mx1Fz1=Mx2Fz2
여기서, X는 물체의 중심으로부터 그리퍼의 중심까지의 거리[m], Mx1 Mx2 는 5축 힘/모멘트센서1과 2의 각 모멘트센서로부터 측정된 z방향의 모멘트[Nm], Mz1 Mz2 는 5축 힘/모멘트 센서1과 2의 각 모멘트센서로부터 측정된 z방향의 모멘트[Nm]이다.
2.2 그리퍼의 5축 힘/모멘트센서 구조
Fig. 2는 지능형 그리퍼의 5축 힘/모멘트센서의 구조를 나타내고 있다. 이것은 Fx 힘센서와 Mz 모멘트센서 감지부(Sensing Element of Fx Force Sensor and Mz Moment Sensor), Fy 힘센서 감지부(Sensing Element of Fy Force Sensor), Fz 힘센서와 Mx 모멘트센서 감지부(Sensing Element of Fz Force Sensor and Mx Moment Sensor), 상부 고정(Upper Fixture), 하부 고정구1과 2 (Lower Fixture 1 and 2) 등으로 구성되고, 이것들은 한 몸체로 되어 있다. 각각의 감지부는 평행평판으로 구성되어 있고, 두개의 감지부가 하나 혹은 두개의 센서를 제작하는데 사용된다. 각 센서의 제작은 스트레인게이지를 평판에 부착하여 브리지 회로를 구성한다. Fx 힘센서/Mz 모멘트센서 감지부의 크기인 길이, 폭, 두께는 l1, b1, t1이고, Fy 힘센서 감지부의 크기는 l2, b2, t2이며, Fz 힘센서/Mx 모멘트센서 감지부의 크기는 l3, b3, t3이다. 그리고 상부 고정구는 링크와 고정되어 있고, 하부 고정구 1과 2는 그리퍼 판과 고정되어 있다.
Fig. 2

Structure of the 5-axis force/moment sensor of intelligent gripper

KSPE_2023_v40n5_415_f002.jpg
2.3 그리퍼의 5축 힘/모멘트센서의 설계
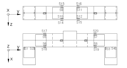
Fig. 3은 지능형 그리퍼의 5축 힘/모멘트센서의 스트레인게이지 부착위치를 나타내고 있고, Fx 힘센서의 부착위치는 S5-S8, Fy 힘센서는 S1-S4, Fz 힘센서는 S9-S12, Mx 모멘트센서는 S13-S16, Mz 모멘트센서는 S17-S20이다.
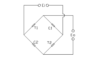
Fig. 4는 각 센서의 휘스톤브리지를 나타내고 있고, 이것은 5개의 각 센서를 제작할 때 부착된 4개의 스트레인게이지로 구성된다. 각각 스트레인게이지 부착위치는 T1 (S1, S5, S9, S13, S17)과 T(S3, S7, S11, S15, S17)는 인장 스트레인게이지, (S2, S6, S10, S14, S18)1과 C2 (S4, S8, S12, S16, S20)는 압축 스트레인게이지이다. 인장 스트레인게이지 부착위치는 5축 힘/모멘트센서에 힘을 가하였을 때 스트레인게이지 부착위치에서 양의 변형률이 발생되고, 압축 스트레인게이지 부착위치는 5축 힘/모멘트센서에 힘을 가하였을 때 스트레인게이지 부착위치에서 음의 변형률이 발생된다.
Fig. 3

Strain gage location of each sensor of the 5-axis force/moment sensor

KSPE_2023_v40n5_415_f003.jpg
Fig. 4

Wheatstone bridge circuit of each sensor

KSPE_2023_v40n5_415_f004.jpg
각 센서를 설계할 때는 먼저 정격출력을 결정하고, 정격출력에 맞도록 각 스트레인게이지 부착위치에서의 변형률이 정격변형률에 맞도록 구조해석을 실시해야 한다. 즉, 센서의 감지부 크기는 정격변형률을 고려하여 결정되어야 한다.
정격변형률를 계산하는 식은 다음과 같이 쓸 수 있다.
(5)
ε=εT1-εC1+εT2-εC2
여기서, ε는 각 센서의 정격변형률, εT1 는 각 센서의 스트레인게이지 부착위치 T1에서의 인장변형률, εC1 는 각 센서의 스트레인게이지 부착위치 C1에서의 압축변형률 εT2 는 각 센서의 스트레인게이지 부착위치 T2에서의 인장변형률 εC2 는 각 센서의 스트레인게이지 부착위치 C2에서의 압축변형률이다.
5축 힘/모멘트센서의 각 힘센서와 모멘트센서의 정격출력을 계산하는 식은 다음과 같이 나타낼 수 있다.
(6)
EoEi=14Kε
여기서, Eo는 각 센서의 휘스톤브리지 회로의 출력전압, Ei는 각 센서의 휘스톤브리지 회로의 입력전압, K는 각 센서의 스트레인게이지의 게이지 상수이다.
구조해석을 통하여 5축 힘/모멘트센서의 각 감지부의 크기를 결정하기 위해서는 각 센서의 설계변수가 필요하다. 설계변수는 5축 힘/모멘트센서의 각 힘센서와 모멘트센서의 정격출력을 각각 0.5 mV/V, 각 힘센서의 정격용량을 각각 30 N, Mx 모멘트센서와 Mz 모멘트센서의 정격용량을 각각 3 Nm와 2 Nm, 각 힘센서와 모멘트센서의 정격변형률을 각각 1,000 μm/m, 각 힘센서와 모멘트센서의 감지부 길이 l1, l2, l3은 각각 12 mm, 폭 b1, b2, b3는 각각 15 mm로 결정하였고, 스트레인게이지 부착위치는 감지부 폭의 중심선과 보의 시작점부터 2 mm 떨어진 지점이다. 이것은 스트레인게이지의 크기(3 × 5.2 mm)를 고려하였기 때문이다. 재료의 종단성계수는 5축 힘/모멘트센서의 재질이 알루미늄 70계열이므로 70 GPa, 프와송의 비는 0.3이다. 각 힘센서와 모멘트센서의 정격출력을 0.5 mV/V로 결정한 것은 감지부가 평행평판이므로 안전성을 고려하였기 때문이다. 5축 힘/모멘트센서의 구조해석은 결정한 각각의 설계변수를 소프트웨어(ANSYS)에 입력하여 실시하였다. Fig. 5는 지능형 그리퍼의 5축 힘/모멘트센서의 구조해석 결과를 나타내고있다. Fig. 5(a)는 5축 힘/모멘트센서의 격자를 나눈 것을 나타내고 있고, 격자 크기는 각 센서 감지부의 길이방향으로는 0.5 mm, 폭방향으로는 20등분, 두께 방향으로는 3등분으로 하였다. Figs. 5(b)는 Fx 힘센서의 결과, 5(c)는 Fy 힘센서의 결과, 5(d)는 Fz 힘센서의 결과, 5(e)는 Mx 모멘트센서의 결과, 5(f)는 Mz 모멘트센서의 결과를 각각 나타내고 있고, 이것들은 각각 가해준 힘과 모멘트 방향으로 변형됨을 보이고 있으며, 모두 예상했던 것과 같이 변형되었다.
Fig. 5

Structural analysis of 5-axis force/moment sensor

KSPE_2023_v40n5_415_f005.jpg
Fig. 6은 Fx 힘센서의 정격용량인 힘 30 N이 5축 힘/모멘트센서에 가해졌을 때 Fx 힘센서 감지부의 변형률을 나타내고 있다. 변형률이 0 μm/m인 지점은 보의 시작지점으로부터 6.2 mm 지점이며, 보의 양쪽 끝부분 쪽으로 변형률이 증가되었다. 이것은 평행판보의 특징으로 나타나는 현상이다. 그리고 보의 양끝의 변형률은 감소하는 경향을 보였고, 이것은 보와 블록이 겹치는 부분에서 발생하는 소프트웨어의 끝효과 때문이다. 그리고 Fy 힘센서 감지부의 변형률은 ±6 μm/m 이내를 나타내고 있고, Fz힘센서/Mx 모멘트센서 감지부의 변형률은 ±1 μm/m 이내를 나타내고 있다. Fig. 7은 Fy 힘센서의 정격용량인 힘 30 N이 5축 힘/모멘트센서에 가해졌을 때 Fy 힘센서 감지부의 변형률을 나타내고 있다. 변형률이 0 μm/m인 지점은 보의 시작지점으로부터 6.3 mm 지점이며, 보의 양쪽 끝부분 쪽으로 변형률이 증가되었다. 그리고 Fx 힘센서/Mz 모멘트센서 감지부의 변형률은 약 4 mm 지점에서 0 μm/m이었고, 양쪽 끝으로 갈수록 최대 62 μm/m까지 증가하는 경향을 보였다. 그리고 Fz 힘센서/Mx 모멘트센서 감지부의 변형률은 ±8 μm/m 이내를 나타내고 있다.
Fig. 6

When a force of 30 N (rated capacity of the Fx force sensor) is applied to the 5-axis force/moment sensor, the strain of Fx force sensor sensing part

KSPE_2023_v40n5_415_f006.jpg
Fig. 7

When a force of 30 N (rated capacity of the Fy force sensor) is applied to the 5-axis force/moment sensor, the strain of Fy force sensor sensing part

KSPE_2023_v40n5_415_f007.jpg
Fig. 8은 Fz 힘센서의 정격용량인 힘 30 N이 5축 힘/모멘트센서에 가해졌을 때 Fz 힘센서 감지부의 변형률을 나타내고 있다. 변형률이 0 μm/m인 지점은 보의 시작지점으로부터 5.4 mm 지점이며, 보의 양쪽 끝부분 쪽으로 변형률이 증가되었다. 그리고 Fy 힘센서와 Fx 힘센서/Mz 모멘트센서 감지부의 변형률은 ±0 μm/m 정도이었다. Fig. 9는 Mx 모멘트센서의 정격용량인 모멘트 2.272 N이 5축 힘/모멘트센서에 가해졌을 때 Mx 모멘트센서 감지부의 변형률을 나타내고 있다. 변형률이 0 μm/m인 지점은 보의 시작지점으로부터 8.1 mm 지점이며, 보의 양쪽 끝부분쪽으로 변형률이 증가되었다. 그리고 Fy 힘센서와 Fx 힘센서/Mz 모멘트센서 감지부의 변형률은 ±0 μm/m 정도 이었다.
Fig. 8

When a force of 30 N (rated capacity of the Fz force sensor) is applied to the 5-axis force/moment sensor, the strain of Fz force sensor sensing part

KSPE_2023_v40n5_415_f008.jpg
Fig. 9

When a moment of 3 Nm (rated capacity of the Mx moment sensor) is applied to the 5-axis force/moment sensor, the strain of Mx moment sensor sensing part

KSPE_2023_v40n5_415_f009.jpg
Fig. 10은 Mz 모멘트센서의 정격용량인 모멘트 3.675 N이 5축 힘/모멘트센서에 가해졌을 때 Mz 모멘트센서 감지부의 변형률을 나타내고 있다. 변형률이 0 μm/m인 지점은 보의 시작지점으로부터 7.4 mm 지점이며, 보의 양쪽 끝부분 쪽으로 변형률이 증가되었다. 그리고 Fy 힘센서 감지부의 변형률은 보의 중간부분에서 ±36 μm/m 정도로 가장 크게 나타났고 양 끝 쪽으로 갈수록 감소함을 보였다. Fz 힘센서/Mx 모멘트센서 감지부의 변형률은 ±0 μm/m 정도부터 ±42 μm/m까지 점점 증가함을 보이고 있다.
Fig. 10

When a moment of 2 Nm (rated capacity of the Mz moment sensor) is applied to the 5-axis force/moment sensor, the strain of Mz moment sensor sensing part

KSPE_2023_v40n5_415_f010.jpg
Table 1은 구조해석 결과로부터 얻은 5축 힘/모멘트센서의 스트레인게이지 부착위치에서의 인장과 압축변형률을 각각 나타내었고, 이것은 Figs. 6부터 10(a)의 각 보의 끝으로부터 2 mm 떨어진 위치에서 발생한 변형률이다. 각 힘센서와 모멘트센서 감지부의 정격변형률은 식(5)에 의해 계산되었고, 오차는 각 센서의 설계목표로 설정한 정격변형률 1,000 μm/m를 기준으로 계산되었다. 오차는 최대 1.2%이었고, 이것은 보의 두께를 0.01 mm 단위로 설계하였기 때문이다.
Table 1

Rated strain at strain gage attachment location of 5-axis force/moment sensor

Table 1
Sensor ε T1 ε C1 ε T2 ε C1 ε Error [%]
Fx 253 -253 253 -253 1,012 1.2
Fy 252 -252 252 -252 1,008 0.8
Fz 253 -253 253 -253 1,012 1.2
Mx 248 -248 248 -248 992 -0.8
Mz 249 -249 249 -249 996 -0.4
소프트웨어를 이용하여 구조해석을 실시한 결과로부터 얻은 Fx 힘센서/Mz 모멘트센서 감지부의 크기인 길이, 폭, 두께(l1, b1, t1)는 각각 12.00, 15.00, 0.70 mm이었고, Fy 힘센서 감지부의 크기(l2, b2, t2)는 각각 12.00, 15.00, 0.70 mm이었으며, Fz 힘센서/Mx 모멘트센서 감지부의 크기(l3, b3, t3)는 각각 12.00, 15.00, 0.70 mm이었다. Table 2는 5축 힘/모멘트센서의 각센서의 정격출력을 나타내고 있고, 이것은 센서를 제작하기 위해 사용 예정인 스트레인게이지(N2A-13-S1452-350)의 게이지 상수 2.03과 Table 1의 정격변형률을 식(6)에 대입하여 계산되었다. 정격출력오차는 설계기준으로 설정한 각 센서의 정격출력 0.5 mV/V를 기준으로 계산되었다. 5축 힘/모멘트센서 중 가장 큰 정격출력 오차는 Fx 힘센서와 Fz 힘센서가 각각 2.7% 이내이었다. 그러므로 5축 힘/모멘트센서의 설계는 우수하게 진행된 것으로 판단된다.
Table 2

Rated output of each sensor of 5-axis force/moment sensor

Table 2
Sensor Rated output [mV/V] Error [%]
Fx 0.51359 2.7
Fy 0.51156 2.3
Fz 0.51359 2.7
Mx 0.50344 0.7
My 0.50547 1.1
Fig. 11은 제작된 지능형 그리퍼 5축 힘/모멘트센서를 나나내고 있고, 이것은 각 힘센서와 모멘트센서의 스크레인게이지 부착위치에 스트레인게이지(MM 사, N2A-13-S1452-350, 미국)을 부착하였고, 휘스톤브리지를 구성하였으며, 부착된 스트레인게이지를 보호하기 위해 실리콘처리를 실시하였다. 제작된 5축 힘/모멘트센서가 사용되기 위해서는 정격출력 특성실험이 실시되어야 한다.
Fig. 11

Manufactured 5-axis force/moment sensor

KSPE_2023_v40n5_415_f011.jpg
제작된 5축 힘/모멘트센서가 설계변수로 결정한 정격출력과 사용이 가능한지를 확인하기 위해서는 특성실험을 실시해야 하고, 그 결과를 이용하여 비직선성오차와 재현도오차, 상호간섭오차 등을 계산해야 한다.
Figs. 12는 제작된 5축 힘/모멘트센서를 특성실험하기 위한 실험장치를 나타내고 있고, 12(a)는 다축 힘/모멘트센서 교정장치(6-axis Force/Moment Sensor Calibration System) [14], 제작된 5축 힘/모멘트센서의 정격출력을 측정하기 위한 정밀측정장치(Precision Measuring System: DMP40), 기준힘센서(Reference Force Sensor) 등으로 구성된다. 특성실험시, Figs. 12(b)는 힘 Fx, 12(c)는 힘Fy, 12(d)는 힘Fz, 12(e)는 힘Mx, 12(f)는 힘Mz를 각각 가하는 모습을 나타내고 있다. 특성실험은 다음과 같이 실시하였다. 첫째, 5축 힘/모멘트센서를 다축 힘/모멘트센서 교정장치에 고정한다. 둘째, 각 센서의 정격힘/모멘트를 5등분(Fx 힘센서: 증가순 힘 0, 6, 12, 18, 24, 30 N, 감소순 힘은 증가순 힘의 역순임)하여 힘 혹은 모멘트를 증가순과 감소순으로 가한다. 셋째, 각 힘/모멘트의 힘을 가한 후 정밀측정장치로 측정한다. 네째, 측정한 값들을 이용하여 각 센서의 정격출력, 비직선성오차, 재현도오차 등을 계산한다.
Fig. 12

Characteristic test of manufactured 5-axis force/moment sensor

KSPE_2023_v40n5_415_f012.jpg
Table 3은 제작된 5축 힘/모멘트센서의 각 센서의 정격출력, 비직선성오차, 재현도오차를 각각 나타내고 있다. 최대 정격출력오는 -1.95% 이내이었고, 최대 비직선성오차와 재현도오차는 각각 0.05% 이내이었다. 이들 오차는 기존의 다축 힘/모멘트센서의 각 오차들과 유사하다. Figs. 13(a)는 5축 힘/모멘트센서의 각 센서의 비직선성오차를 나타내고 있고, 12(b)는 재현성오차를 나타내고 있다. Table 3에서 나타낸 것과 같이 각각의 오차는 0.05% 이내를 나타내고 있다.
Table 3

Rated output error, nonlinearity error and reproducibility error of each sensor of 5-axis force/moment sensor

Table 3
Sensor R. O.
[FEM,
mV/V]
R. O.
[test,
mV/V]
R.O.
error
[%]
Nonlinearity
error [%]
Reproducibility
error [%]
Fx 0.51359 0.5078 -1.13 0.04 0.04
Fy 0.51156 0.5027 -1.73 0.04 0.04
Fz 0.51359 0.5036 -1.95 0.04 0.04
Mx 0.50344 0.5100 1.31 0.05 0.05
Mz 0.50547 0.5101 0.92 0.05 0.05
Fig. 13

Nonlinearity error and reproducibility error of each sensor of 5-axis force/moment sensor

KSPE_2023_v40n5_415_f013.jpg
따라서 본 논문에서 제작한 5축 힘/모멘트센서는 지능형 그리퍼에 부착하여 사용될 수 있고, 이것은 Fx 힘센서, Fy 힘센서, Fz 힘센서의 측정값과 식(1)을 이용하여 미지물체를 안전하게 잡고, Mx 모멘트센서, Mz 모멘트센서와 식(2)식(3)을 이용하여 그리퍼 내에서의 물체의 위치를 인지하는데 활용할 수 있을 것으로 판단된다. 지능형 그리퍼가 미지물체를 안전하게 잡고 그리퍼 내에서 물체의 위치를 인지하는 것은 추후에 지능형 그리퍼가 제작되고, 이 그리퍼를 특성실험한 후에 실행될 것이다.
본 논문에서는 미지물체를 안전하게 잡고 그리퍼 내에서 물체의 위치를 인지하기 위한 5축 힘/모멘트센서(Fx 힘센서, Fy 힘센서, Fz 힘센서, Mx 모멘트센서, Mz 모멘트센서)를 설계 및 제작하였다. 5축 힘/모멘트센서는 특수한 지능형 그리퍼에 부착되도록 모델링하였고, 소프트웨어를 이용하여 구조해석을 통해 각 센서의 감지부를 설계하였다. 5축 힘/모멘트센서의 각 센서의 최대 정격변형률오차는 1.2% 이내이었고, 최대 정격출력오차는 2.7% 이내이었다. Fx 힘센서/Mz 모멘트센서 감지부의 크기 l1, b1, t1는 각각 12.00, 15.00, 0.70 mm이었고, Fy 힘센서 감지부의 크기 l2, b2, t2는 각각 12.00, 15.00, 0.70 mm이었며, Fz 힘센서/Mx 모멘트센서 감지부의 크기 l3, b3, t3는 각각 12.00, 15.00, 0.70 mm이었다. 제작된 5축 힘/모멘트센서를 특성 실험한 결과, 최대 정격출력오차는 -1.95% 이내, 비직선성오차와 재현도오차는 각각 0.05% 이내이었다. 따라서 제작한 5축 힘/모멘트센서는 지능형 그리퍼에 부착하여 물체의 무게와 위치를 인지하기 위하여 사용될 수 있을 것으로 판단된다.
추후 연구로는 제작한 5축 힘/모멘트센서를 지능형 그리퍼에 부착하여 미지물체를 안전하게 잡고, 그리퍼 내에 물체의 위치를 인지하는 것이다.
본 과제(결과물)는 2022년도 교육부의 재원으로 한국연구재단의 지원을 받아 수행된 지자체-대학 협력기반 지역혁신 사업의 결과입니다(2021RIS-003).
  • 1.
    Bicchi, A., (2000), Hands for dexterous manipulation and robust grasping: A difficult road toward simplicity, IEEE Transactions on Robotics and Automation, 16(6), 652-662.
    10.1109/70.897777
  • 2.
    Kyberd, P. J., Evans, M., Te Winkel, S., (1998), An intelligent anthropomorphic hand, with automatic grasp, Robotica, 16(5), 531-536.
    10.1017/S0263574798000691
  • 3.
    Chelpanov, I., Kolpashnikov, S., (1983), Problems with the mechanics of industrial robot grippers, Mechanism and Machine Theory, 18(4), 295-299.
    10.1016/0094-114X(83)90122-2
  • 4.
    Tai, K., El-Sayed, A.-R., Shahriari, M., Biglarbegian, M., Mahmud, S., (2016), State of the art robotic grippers and applications, Robotics, 5(2). https://www.mdpi.com/2218-6581/5/2/11
    10.3390/robotics5020011
  • 5.
    Honarpardaz, M., Tarkian, M., Ölvander, J., Feng, X., (2017), Finger design automation for industrial robot grippers: A review, Robotics and Autonomous Systems, 87, 104-119.
    10.1016/j.robot.2016.10.003
  • 6.
    Birglen, L., (2015), Enhancing versatility and safety of industrial grippers with adaptive robotic fingers, Proceedings of the 2015 IEEE/RSJ International Conference on Intelligent Robots and Systems (IROS), 2911-2916.
    10.1109/IROS.2015.7353778
  • 7.
    Fantoni, G., Capiferri, S., Tilli, J., (2014), Method for supporting the selection of robot grippers, Procedia CIRP, 21, 330-335.
    10.1016/j.procir.2014.03.152
  • 8.
    Roberge, J.-P., Ruotolo, W., Duchaine, V., Cutkosky, M., (2018), Improving industrial grippers with adhesion-controlled friction, IEEE Robotics and Automation Letters, 3(2), 1041-1048.
    10.1109/LRA.2018.2794618
  • 9.
    Huang, S.-J., Chang, W.-H., Su, J.-Y., (2017), Intelligent robotic gripper with adaptive grasping force, International Journal of Control, Automation and Systems, 15(5), 2272-2282.
    10.1007/s12555-016-0249-6
  • 10.
    Kim, H.-S., Kim, G.-S., (2017), Development of calf link force sensors of walking assist robot for leg patients, Journal of Sensor Science and Technology, 26(2), 114-121.
    10.5369/JSST.2017.26.2.114
  • 11.
    Joung, J. H., Kim, G. S., (2017), Design of a force sensor for thigh force measurement of a wearable walking robot, Journal of the Korean Society for Precision Engineering, 34(10), 707-713.
    10.7736/KSPE.2017.34.10.707
  • 12.
    Song, A., Wu, J., Qin, G., Huang, W., (2007), A novel self-decoupled four degree-of-freedom wrist force/torque sensor, Measurement, 40(9-10), 883-891.
    10.1016/j.measurement.2006.11.018
  • 13.
    ATI Industrial Automation, Multi-axis force / torque sensors. https://www.ati-ia.com/products/ft/sensors.aspx
  • 14.
    Kim, G.-S., Yoon, J.-W., (2007), Development of calibration system for multi-axis force/moment sensor and its uncertainty evaluation, Journal of the Korean Society for Precision Engineering, 24(10), 91-98.
Jin Kim
KSPE_2023_v40n5_415_bf001.jpg
M.Sc. candidate in the Department of Control and Instrumentation Engineering, Gyeongsang National University. His research interest is sensor, industrial robot and Intelligent robot.
Gab-Soon Kim
KSPE_2023_v40n5_415_bf002.jpg
Professor in the Department of Control and Instrumentation Engineering, Gyeongsnag National University. His research interest is walking aid robot and intelligent robot.

Download Citation

Download a citation file in RIS format that can be imported by all major citation management software, including EndNote, ProCite, RefWorks, and Reference Manager.

Format:

Include:

Development of 5-axis Force/Moment Sensor of Gripper to Recognize the Position of an Object within the Gripper
J. Korean Soc. Precis. Eng.. 2023;40(5):415-422.   Published online May 1, 2023
Download Citation

Download a citation file in RIS format that can be imported by all major citation management software, including EndNote, ProCite, RefWorks, and Reference Manager.

Format:
Include:
Development of 5-axis Force/Moment Sensor of Gripper to Recognize the Position of an Object within the Gripper
J. Korean Soc. Precis. Eng.. 2023;40(5):415-422.   Published online May 1, 2023
Close

Figure

  • 0
  • 1
  • 2
  • 3
  • 4
  • 5
  • 6
  • 7
  • 8
  • 9
  • 10
  • 11
  • 12
Development of 5-axis Force/Moment Sensor of Gripper to Recognize the Position of an Object within the Gripper
Image Image Image Image Image Image Image Image Image Image Image Image Image
Fig. 1 Object position recognition principle of intelligent gripper using the 5-axis force/moment sensor
Fig. 2 Structure of the 5-axis force/moment sensor of intelligent gripper
Fig. 3 Strain gage location of each sensor of the 5-axis force/moment sensor
Fig. 4 Wheatstone bridge circuit of each sensor
Fig. 5 Structural analysis of 5-axis force/moment sensor
Fig. 6 When a force of 30 N (rated capacity of the Fx force sensor) is applied to the 5-axis force/moment sensor, the strain of Fx force sensor sensing part
Fig. 7 When a force of 30 N (rated capacity of the Fy force sensor) is applied to the 5-axis force/moment sensor, the strain of Fy force sensor sensing part
Fig. 8 When a force of 30 N (rated capacity of the Fz force sensor) is applied to the 5-axis force/moment sensor, the strain of Fz force sensor sensing part
Fig. 9 When a moment of 3 Nm (rated capacity of the Mx moment sensor) is applied to the 5-axis force/moment sensor, the strain of Mx moment sensor sensing part
Fig. 10 When a moment of 2 Nm (rated capacity of the Mz moment sensor) is applied to the 5-axis force/moment sensor, the strain of Mz moment sensor sensing part
Fig. 11 Manufactured 5-axis force/moment sensor
Fig. 12 Characteristic test of manufactured 5-axis force/moment sensor
Fig. 13 Nonlinearity error and reproducibility error of each sensor of 5-axis force/moment sensor
Development of 5-axis Force/Moment Sensor of Gripper to Recognize the Position of an Object within the Gripper

Rated strain at strain gage attachment location of 5-axis force/moment sensor

Sensor ε T1 ε C1 ε T2 ε C1 ε Error [%]
Fx 253 -253 253 -253 1,012 1.2
Fy 252 -252 252 -252 1,008 0.8
Fz 253 -253 253 -253 1,012 1.2
Mx 248 -248 248 -248 992 -0.8
Mz 249 -249 249 -249 996 -0.4

Rated output of each sensor of 5-axis force/moment sensor

Sensor Rated output [mV/V] Error [%]
Fx 0.51359 2.7
Fy 0.51156 2.3
Fz 0.51359 2.7
Mx 0.50344 0.7
My 0.50547 1.1

Rated output error, nonlinearity error and reproducibility error of each sensor of 5-axis force/moment sensor

Sensor R. O.
[FEM,
mV/V]
R. O.
[test,
mV/V]
R.O.
error
[%]
Nonlinearity
error [%]
Reproducibility
error [%]
Fx 0.51359 0.5078 -1.13 0.04 0.04
Fy 0.51156 0.5027 -1.73 0.04 0.04
Fz 0.51359 0.5036 -1.95 0.04 0.04
Mx 0.50344 0.5100 1.31 0.05 0.05
Mz 0.50547 0.5101 0.92 0.05 0.05
Table 1 Rated strain at strain gage attachment location of 5-axis force/moment sensor
Table 2 Rated output of each sensor of 5-axis force/moment sensor
Table 3 Rated output error, nonlinearity error and reproducibility error of each sensor of 5-axis force/moment sensor