Skip to main navigation Skip to main content
  • E-Submission

JKSPE : Journal of the Korean Society for Precision Engineering

OPEN ACCESS
ABOUT
BROWSE ARTICLES
EDITORIAL POLICIES
FOR CONTRIBUTORS
REGULAR

저 관성을 가지는 공작기계의 터렛 서보 시스템에서 과도상태의 진동억제를 위한 댐핑 보상기법

A Damping Compensation Method for Suppressing Vibration in a Transient State in a Turret Servo System of a Machine Tools with Low Inertia

Journal of the Korean Society for Precision Engineering 2023;40(6):425-431.
Published online: June 1, 2023

1 계명문화대학교 드론미디어과

2 DN솔루션즈 선행제어1팀

3 경북대학교 전자공학부

4 대구기계부품연구원 미래자동차사업단/전동화연구팀

1 Department of Drone and Media Engineering, Keimyung College University

2 Advanced Control Development Team 1, DN Solutions

3 School of Electronics Engineering, Kyungpook National University

4 Center for Future Vehicle/E-Powertrain Research Team, the Daegu Mechatronics and Materials Institute

#E-mail: chul.yun@dncompany.com, TEL: +82-55-280-4394
• Received: January 26, 2023   • Revised: March 5, 2023   • Accepted: March 7, 2023

Copyright © The Korean Society for Precision Engineering

This is an Open-Access article distributed under the terms of the Creative Commons Attribution Non-Commercial License (http://creativecommons.org/licenses/by-nc/3.0) which permits unrestricted non-commercial use, distribution, and reproduction in any medium, provided the original work is properly cited.

  • 5 Views
  • 0 Download
next
  • In general, rotor inertia has an inversely proportional relationship with proportional gain and bandwidth in a turret speed control system of machine tools; thus, this system has a disadvantage, such as weak disturbance caused by a decrease in the damping ratio and an increase in bandwidth due to low rotor inertia. This paper proposes a damping compensator that is resistance to disturbances in order to improve the above problems. The proposed damping compensator reduces the residual vibration induced in the transient state by using a digital high-pass filter. The experimental results showed that the overshoot was reduced by about 5.5% in the speed response and by about 20% in the torque response in the no-load condition. Under the load condition of 4.8 N.m, the torque response showed that the undershoot was reduced by about 26%.
최근 산업계의 요구에 따라 다품종 소량생산 체제로 생산방식이 변화되고 있다. 4차 산업혁명의 중심인 스마트 제조 분야에서는 고도화된 기능을 가지는 제품이 요구됨에 따라 공작기계의 가공 능력이 고속화와 초정밀화가 동시에 이루어지는 추세로 기술개발이 이루어지고 있다.
이는 공작기계를 이루는 기계적 부품들이 경량화 되어 기계 구조의 강도가 상대적으로 취약해지는 단점을 가지게 된다. 한편, 공작기계의 자동 공구대 장치(Turret Lathe: 이하 터렛)의 구동력을 발생시키는 서보 모터는 코어의 적층 길이를 줄여 소형 경량화를 이루고 있다.
이로 인해 Fig. 1과 같이 크기 변경 이전의 서보 모터와 동일 출력을 발생시키기 위해 전류 밀도를 높이는 설계를 하고 있으나, 회전자의 질량이 감소하여 서보 모터의 회전자 관성이 줄어들게 된다.
Fig. 1

The hollow shaft of turret servo motor

KSPE_2023_v40n6_425_f001.jpg
회전자 형상 및 크기에 따른 관성은 식(1)과 같다.
(1)
GD2=12WD2+d2kgfcm2
여기서, GD2는 부하관성, W는 질량[kgf], d는 내경[cm], D는 외경[cm]이다.
식(1)과 같이 내외경은 동일하고 코어의 적층 길이를 줄이면 질량이 줄어들어 비례적으로 회전자의 관성이 줄어들게 된다.
일반적으로 회전자 관성은 터렛의 속도제어 시스템에서 비례 이득, 그리고 대역폭과 반비례 관계를 가지므로 저 관성에 따른 감쇠비 감소와 대역폭 증가로 나타나 급격한 외란에 취약해지는 단점을 가진다.
결과적으로 터렛의 속도제어 시스템의 속응성을 향상시키기 위해 제어 이득 증가 시 과도상태에서의 잔류진동이 유발되어 공진 대역 이하로 제어 이득을 설정해야 하는 문제가 발생한다[1,2].
이러한 문제를 해결하기 위해서 종래에는 관성을 늘리는 것과 같은 효과를 얻을 수 있는 가속도 피드백 보상기가 연구되었다[3-5].
일반적으로 공작기계의 터렛 서보 제어 시스템에서는 가속도를 측정하기가 용이하지 못하다.
실제 구현 시 DSP와 같은 제어기에 속도 변화에 따른 미분 성분을 구현해야 하므로 시스템이 발산할 가능성이 높다.
이를 개선하기 위해 일반적으로 저역통과필터로 필터링을 하지만 공작기계의 모델에 따른 터렛의 기계시스템 파라미터 차이로 인해 차단주파수 선정에 따라 원하지 않는 시스템 응답을 얻을 수 있어 세심한 주의가 필요하다.
따라서, 본 논문에서는 위에서 언급한 문제점을 개선하기 위해서 터렛용 서보 모터 회전자의 저 관성에 따른 과도상태 진동 억제에 중점을 두어 댐핑 보상기를 제안한다.
제안한 댐핑 보상기는 디지털 고역통과필터를 사용한다. 따라서, 터렛용 서보 모터 가변속 시 과도상태에서 나타나는 고주파 진동 성분만을 추출하여 속도제어기 출력으로 전향보상해줌으로써 과도상태에서 유발되는 잔류진동을 저감한다.
제안된 기법은 다음과 같은 특징이 있다.
첫째, 소프트웨어로 구성하기 때문에 부가적인 하드웨어를 필요로 하지 않는 장점이 있다.
둘째, 진동하는 토크 지령 성분만으로 계산하므로 서보 모터의 제원과 터렛의 기계시스템의 파라미터 차이를 고려할 필요가 없다.
모의실험과 실험을 통해 제안한 방법의 유용성을 확인한다.
2.1 터렛 서보 시스템에서 저 관성에 따른 외란 영향 분석
속도제어기의 경우 일반적으로 전류제어기의 상위 제어기에 놓이게 되며 속도제어계에서 부하는 외란 입력으로, 터렛 서보 제어 시스템에서는 부하가 크게 변화하는 동작이 많다.
부하변화에 대한 속도응답특성은 전류제어 특성 이상으로 중요시되며 전류제어계에서 발생되는 전류 오차의 영향도 어느 정도는 속도제어계를 통해서 보상할 수 있어야 한다.
따라서, 전류제어기 못지않게 속도제어기의 설계도 고성능 구동시스템에서는 중요시된다. 일반적으로 회전하는 시스템의 경우 토크방정식은 식(2)로 주어진다. 또한 벡터제어가 되고 있는 영구자석형 서보모터의 토크 방정식은 식(3)으로 주어진다[6].
(2)
Te-TL=Jmdωrmdt+Bmωrm
(3)
Te=32P2ϕmiqse=KTiqse
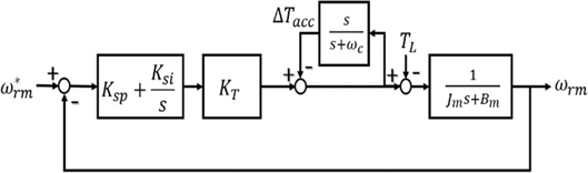
여기서, Te는 전기적 토크, TL은 부하토크, Jm은 관성계수, ωrm은 전동기 각속도, Bm은 마찰 계수, ϕm은 정격자속, iqse 는 동기좌표계 q축 전류, p는 극수, KT는 토크상수이다. 식(2), 식(3)으로부터 샘플러와 영차-홀드를 포함시켜 PI 속도제어계를 나타내면 Fig. 2와 같은 블록도를 그릴 수 있고, 샘플러와 영차-홀드를 근사화 하면 식(4)와 같다[6].
(4)
Gss=2sTss+2=2fsss+2fss
Fig. 2

The block-diagram of speed controller with sampler and zero-order holder

KSPE_2023_v40n6_425_f002.jpg
여기서, Tss(= 1/fss)는 속도제어기의 샘플링 주기이다.
또한, 개루프 전달함수는 식(5)로 표현되며, 식(5)를 이용하여 속도 응답에 대한 폐루프 전달함수는 식(6), 외란응답에 대한 폐루프 전달함수는 식(7)로 표현된다.
(5)
TSCos=2fsss+2fssKsps+KsisKTJms+Bm=bKsps+Ksiss2+a0s+a1
여기서, Ksp, Ksi는 PI 속도제어기의 이득을 나타내고, a0 = (Bm + 2fssJm)/Jm, a1 = 2fssBm/Jm, b = 2fssKT/Jm이다.
(6)
ωrmωrm*=Tscos1+Tscos
(7)
ωrmTL=Tscos1+Tscos
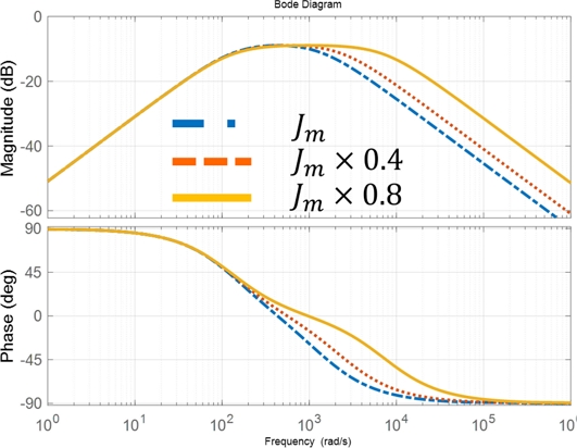
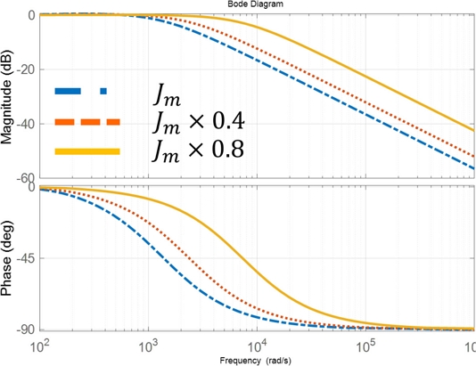
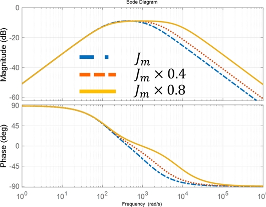
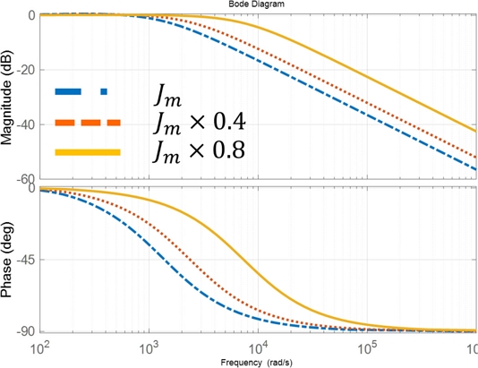
식(6)을 이용한 주파수응답은 Fig. 3에, 식(7)을 이용한 주파수 응답은 Fig. 4로 나타난다.
Fig. 3

Frequency response for ωrm/ωrm*

KSPE_2023_v40n6_425_f003.jpg
Fig. 4

Frequency response for ωrm/TL

KSPE_2023_v40n6_425_f004.jpg
Figs. 3, 4에서 알 수 있듯, 서보 모터의 회전자 관성이 작아 질수록 대역폭이 증가하고 고주파 영역에서의 응답의 크기가 크게 증가하는 것을 볼 수 있다. 이는 외란이 천천히 변하는 저주파 영역에서는 서보 모터 속도제어 시스템의 동적 강성이 속도 제어기의 적분 이득에 의해서 결정되어 정상상태 오차가 없지만, 반대로 외란이 급격하게 변하는 고주파 영역에서는 서보 모터 속도제어 시스템의 동적 강성이 서보 모터의 회전자 관성에 의존적인 것을 알 수 있다. 그 결과 저 관성일수록 감쇠비가 낮아 급격한 외란에 취약해지는 것을 알 수 있다[7].
2.2 제안하는 댐핑 저감 기법
저 관성에 의해 서보 모터의 가변속 시 과도상태에서 잔류 진동이 나타난다. 줄어든 관성을 고려한 토크 방정식을 식(8)과 같이 다시 표현할 수 있다.
(8)
Te=Jm-Jm~dωrmdt+Bmωrm+TL=Tacc-Tacc~+TBm+TL
Tacc~성분에 의해 과도상태에서 잔류 진동이 나타나므로 이를 저감하기 위해 먼저 Fig. 5와 같이 측정된 토크에 의해 고역통과필터로 진동 토크만 추출한다. 여기서, ωc는 고역통과 필터의 차단 주파수이다.
Fig. 5

Vibratory torque detection

KSPE_2023_v40n6_425_f005.jpg
추출된 진동 토크 성분을 Fig. 6에서와 같이 속도제어기 출력에 전향 보상함으로써 목표 지점에서 유발되는 잔류진동을 저감할 수 있다.
Fig. 6

Proposed damping compensator

KSPE_2023_v40n6_425_f006.jpg
본 논문에서 제안한 저 관성 시스템에서 외란에 강인한 댐핑 보상기의 타당성을 확인하기 위해 모의실험을 수행하였다.
모의실험을 위한 터렛 서보 시스템 블록도는 Fig. 8과 같고, 사용된 모터의 파라미터는 Table 1과 같다.
Fig. 7

Structure of turret servo system for simulation

KSPE_2023_v40n6_425_f007.jpg
Fig. 8

Speed response

KSPE_2023_v40n6_425_f008.jpg
Table 1

Motor parameters

Table 1
Rated power [KW] 2
Back EMF constant (φf) [Wb] 0.61
Pole number (P) 8 Poles
Rated current (Is-rate) [A] 11
Rated torque (Te) [Nm] 9.55
Rated speed [RPM] 2,000
Inertial (Jm) [kgm2] 0.003778
모의실험 조건은 다음과 같다.
  • ① 모터 회전자 관성 값: 기존 관성의 50%

  • ② 속도, 전류, 자속 제어기는 모두 PI 제어기를 사용

  • ③ PI 제어기는 모두 안티-와인드업 기법 적용

  • ④ 인버터의 경우 공간전압 PWM 방식을 이용

  • ⑤ 속도지령에 대해 100-110 ms 정격부하를 스텝 형태로 인가함

Fig. 8에 정격 속도지령에 대한 속도응답을 나타내었다. Figs. 98의 A영역을 확대하였고, Figs. 108의 B영역을 확대하여 나타내었다. Figs. 8에서 10까지의 결과 댐핑 보상기가 없는 경우 속도응답의 진동에 비해 제안된 강성 보상기가 포함된 경우 확연하게 속도응답의 진동이 줄어드는 것을 확인할 수 있다.
Fig. 9

Magnification of aera A in Fig 8

KSPE_2023_v40n6_425_f009.jpg
Fig. 10

Magnification of aera B in Fig 8

KSPE_2023_v40n6_425_f010.jpg
다음으로 Fig. 11에 정격 속도지령에 대한 토크 응답을 나타내었다. Figs. 1211의 A 영역을, Figs. 1311의 B영역을 확대하여 나타내었다. Fig. 11에서 A영역 이전 상태에서는 저 관성에 따른 영향이 없는 것으로 나타났으나, Figs. 1213에서 알 수 있듯 댐핑 보상기가 없는 경우에 비해 제안한 강성보상기를 추가한 경우 확연하게 고조파 진동이 저감되는 것을 할 수 있다.
Fig. 11

Torque response

KSPE_2023_v40n6_425_f011.jpg
Fig. 12

Magnification of aera A in Fig 11

KSPE_2023_v40n6_425_f012.jpg
Fig. 13

Magnification or aera B in Fig 11

KSPE_2023_v40n6_425_f013.jpg
실험 시스템에서는 Fig. 14와 같이 서보 모터용 제어기, 서보 모터가 장착된 터렛으로 구성되어 있다.
Fig. 14

Experiment construction

KSPE_2023_v40n6_425_f014.jpg
실험에서 사용한 서보 모터의 제정수는 Table 1과 같다.
Figs. 15(a)는 무부하 상태에서 공구변경 위치지령에 댐핑 필터를 적용하지 않는 상태로 속도와 토크응답을 나타내고, 15(b)는 무부하 상태에서 공구변경 위치지령에 댐핑 필터를 적용한 상태로 속도와 토크응답을 나타낸다.
Fig. 15

Speed and torque response at no load

KSPE_2023_v40n6_425_f015.jpg
Figs. 16(a)는 4.8 Nm부하 상태에서 공구변경 위치지령에 댐핑 필터를 적용하지 않는 상태로 속도와 토크응답을 나타내고, 16(b)는 4.8 Nm부하 상태에서 공구변경 위치지령에 댐핑 필터를 적용한 상태로 속도와 토크응답을 나타낸다.
Fig. 16

Speed and torque response at 4.8 N.m load

KSPE_2023_v40n6_425_f016.jpg
Fig. 15(a)에서 2.85초 부근의 속도응답은 2,200 RPM으로 그리고 토크 응답은 정격의 300%로 나타났고, Fig. 15(b)에서는 2,090 RPM으로 그리고 토크 응답은 정격의 280%로 나타났다. 무부하 상태에서 댐핑 필터를 적용한 결과 속도는 약 5.5% 토크는 약 20%의 오버슈트이 감소되었다.
Figs. 16에서 속도응답은 15의 결과와 같고 16(a)에서 2.85초 부근의 토크 응답은 정상상태 대비 약 80% 정도 언더슈트이 발생했고, 16(b)에서 2.85초 부근의 토크 응답은 정상상태 대비 약 54% 정도 언더슈트이 발생했다. 4.8 N.m부하 상태에서 댐핑 필터를 적용한 결과 토크는 약 26% 언더슈트이 감소되었다.
Figs. 15에서 16까지의 실험결과 댐핑 보상기가 없는 경우 속도와 토크응답의 진동에 비해 제안된 댐핑 보상기가 포함된 경우 과도상태에서 확연하게 속도와 토크응답의 언더슈트 그리고 진동이 줄어드는 것을 확인할 수 있다.
자동제어용 장비의 구동력을 발생시키는 서보 모터는 소형 경량화의 요구에 따라 코어의 적층 길이를 줄이고 동일한 출력을 발생시키기 위해 전류밀도를 높이지만 회전자 질량의 감소로 회전자 관성이 줄어들게 된다. 회전자 관성은 서보 모터 속도 제어 시스템에서 비례 이득 그리고 대역폭과 반비례 관계를 가지므로 저 관성에 따른 감쇠비 감소와 대역폭 증가로 나타나 급격한 외란에 취약해지는 단점이 가진다. 따라서, 본 논문에서는 이런 문제점들을 개선하기 위해서 외란에 강인한 댐핑 보상기를 제안하였다. 제안한 댐핑 보상기는 고역통과필터를 이용하여 저 관성을 가지는 서보 모터의 가변속 시 과도상태에서 나타나는 잔류진동 성분만을 추출하여 속도제어기 출력으로 전향보상해줌으로써 목표 지점에서 유발되는 잔류진동을 저감하는 방법이다. 모의실험과 실험을 통해서 제안한 방법의 유용성을 확인하였으며 3가지의 결과를 도출할 수 있다.
첫째 2.1절에서는 주파수 응답으로 터렛 서보 시스템에서 관성 변화에 따른 외란 영향을 분석 하였다. 둘째 줄어든 관성을 고려하여 잔류 진동을 가지는 토크 방정식을 식(8)과 같이 보였고, 이를 저감할 수 있는 댐핑필터를 제안하였다. 셋째 실험결과 무부하 상태에서는 속도응답은 약 5.5%, 토크응답은 약 20%의 오버수트가 감소됨을 보였다. 그리고 4.8 N.m의 부하 상태에서는 속도응답은 무부하 상태와 같고 토크응답은 약 26%의 언더슈트가 감소됨을 보였다.

ωrm

Angular Velocity

Te

Electric Torque

TL

Load Torque

Jm

Rotor Inertia

ϕm

Permanent Magnetic

DSP

Digital Signal Processor
  • 1.
    Park, J. Y., (2006), Parameter estimator design of servo motor for automatic pallet changer system of machine tools, M.Sc. Thesis, Kyungpook National University.
  • 2.
    Oh, T. H., (2006), A comparison study on the characteristics of IPD controller for improved driving rigidity of automatic pallet exchange system for machine tools, M.Sc. Thesis, Kyungpook National University.
  • 3.
    Gürhanli, A., (2018), Modified acceleration feedback for practical disturbance rejection in motor drives, Turkish Journal of Electrical Engineering and Computer Sciences, 26(4), 2151-2161.
    10.3906/elk-1411-80
  • 4.
    Gannel, L., Welch, R. H., (2003), Improving the dynamic motion behavior of a servo system with low mechanical stiffness, Proceedings of the 38th IAS Annual Meeting on Conference Record of the Industry Applications Conference, 40-44.
  • 5.
    O'Sullivan, T. M., Bingham, C. M., Schofield, N., (2006), High-performance control of dual-inertia servo-drive systems using low-cost integrated SAW torque transducers, IEEE Transactions on Industrial Electronics, 53(4), 1226-1237.
    10.1109/TIE.2006.878311
  • 6.
    Cho, N. S., (2012), The design of maximized degree of stability PI current and speed controller for ac motor control, Ph.D. Thesis, Kyungpook National University.
  • 7.
    Yun, C., Jang, T. S., Choi, N. W., Kim, S. D., Oh, M. S., Park, J. Y., Oh, T. H., (2022), The damping compensation method using digital filter for low inertia of servo system in machine tools, Proceedings of the Korean Society for Precision Engineering 2022 Spring Conference. http://www.riss.or.kr/search/detail/DetailView.do?p_mat_type=1a0202e37d52c72d&control_no=83400f75afae999c7f7a54760bb41745&keyword=
Nae Soo Cho
KSPE_2023_v40n6_425_bf001.jpg
Professor in the Department of Drone and Media, Keimyung College University. His research interest are motor control and embedded systems.
Tae Ho Oh
KSPE_2023_v40n6_425_bf002.jpg
Manager in the R&D Center, Advanced Control Development Team 1, DN Solutions. His research interest is servo and spindle motor design in machine tools.
Woo Hyen Kwon
KSPE_2023_v40n6_425_bf003.jpg
Professor Emeritus in the School of Electronics Engineering, Kyungpook National University. His research interests are in the area of static power converters and CNC drive systems.
Jung Ho Lee
KSPE_2023_v40n6_425_bf004.jpg
He received the B.S., M.S., and Ph.D. degrees in Electrical Engineering from Kyungpook National University, Daegu, South Korea, in 2012, 2014, and 2022, respectively. Since 2022, he has been as a Researcher with the Daegu Mechatronics and Materials Institute, Daegu, South Korea. His current research interests include electric machine drives and power electronics.
Chul Yun
KSPE_2023_v40n6_425_bf005.jpg
Senior Manager in the R&D Center, Advanced Control Development Team 1, DN Solutions. His research interests are servo, spindle motor control and power conversion in machine tools.

Download Citation

Download a citation file in RIS format that can be imported by all major citation management software, including EndNote, ProCite, RefWorks, and Reference Manager.

Format:

Include:

A Damping Compensation Method for Suppressing Vibration in a Transient State in a Turret Servo System of a Machine Tools with Low Inertia
J. Korean Soc. Precis. Eng.. 2023;40(6):425-431.   Published online June 1, 2023
Download Citation

Download a citation file in RIS format that can be imported by all major citation management software, including EndNote, ProCite, RefWorks, and Reference Manager.

Format:
Include:
A Damping Compensation Method for Suppressing Vibration in a Transient State in a Turret Servo System of a Machine Tools with Low Inertia
J. Korean Soc. Precis. Eng.. 2023;40(6):425-431.   Published online June 1, 2023
Close

Figure

  • 0
  • 1
  • 2
  • 3
  • 4
  • 5
  • 6
  • 7
  • 8
  • 9
  • 10
  • 11
  • 12
  • 13
  • 14
  • 15
A Damping Compensation Method for Suppressing Vibration in a Transient State in a Turret Servo System of a Machine Tools with Low Inertia
Image Image Image Image Image Image Image Image Image Image Image Image Image Image Image Image
Fig. 1 The hollow shaft of turret servo motor
Fig. 2 The block-diagram of speed controller with sampler and zero-order holder
Fig. 3 Frequency response for ωrm/ωrm*
Fig. 4 Frequency response for ωrm/TL
Fig. 5 Vibratory torque detection
Fig. 6 Proposed damping compensator
Fig. 7 Structure of turret servo system for simulation
Fig. 8 Speed response
Fig. 9 Magnification of aera A in Fig 8
Fig. 10 Magnification of aera B in Fig 8
Fig. 11 Torque response
Fig. 12 Magnification of aera A in Fig 11
Fig. 13 Magnification or aera B in Fig 11
Fig. 14 Experiment construction
Fig. 15 Speed and torque response at no load
Fig. 16 Speed and torque response at 4.8 N.m load
A Damping Compensation Method for Suppressing Vibration in a Transient State in a Turret Servo System of a Machine Tools with Low Inertia

Motor parameters

Rated power [KW] 2
Back EMF constant (φf) [Wb] 0.61
Pole number (P) 8 Poles
Rated current (Is-rate) [A] 11
Rated torque (Te) [Nm] 9.55
Rated speed [RPM] 2,000
Inertial (Jm) [kgm2] 0.003778
Table 1 Motor parameters