Skip to main navigation Skip to main content
  • E-Submission

JKSPE : Journal of the Korean Society for Precision Engineering

OPEN ACCESS
ABOUT
BROWSE ARTICLES
EDITORIAL POLICIES
FOR CONTRIBUTORS
REGULAR

초소형 위성용 전기 추력기 전원 및 가스 공급 장치의 소형 경량화 방안에 관한 연구

Study on Miniaturization and Lightweight Method of Electric Thruster Power and Gas Supply Device for Micro Satellite

Journal of the Korean Society for Precision Engineering 2024;41(11):889-896.
Published online: November 1, 2024

1 ㈜이피에스텍 연구소

1 Laboratory, EPS Tech Co., Ltd JFIFddDuckydqhttp://ns.adobe.com/xap/1.0/ Adobed     ! 1AQa"q 2#w8B36v7XRr$9bCt%u&Ws'(xy4T5fH  !1AQaq"2B Rbr#u67Ѳ3sTt5v8Sc$4ĂCÔ%UӅFV ?_Aנj- H>>,m*>fzp"TrKkr^r.|_&]|*vPuܶvoQ1mwVJUhu-I"=LniAƕ8"۲ k*ҿ[yu:.vUQ+)%F DHyVBk>Hy8jݹ q~9D4KRmzQ)^ʔ.J%k_tVi5NTjg!'ky|5asOȻ)R۸ߩFMԿ3L4j6dڜ#NIwUF]JqB/(FafJRzq3\G՛ ?~\ 6)6W4m[O^L0E&rRMض*C .]Unl-1 1r#Rj/&QɈ׉˩s6Rj=5Tg.y.·Pӡ:JJS:C8-2u]d&vUz;7p9 5VnL֢"y)">iי(IDDd| Yj0; LRfS:ktYK%*N2^m|&dğth":ey)uPQZW)gcC3Pv&MMWd&Ŵ۲mvTRoժM03*F3Yd6\8,\hݻ kߔi<k NTwSԪmljj[>->ptU%'LR>&EBH$MQAUx[$Z6vi&_a.KIQ{hyƒ j"JOC9eFҝfj;˚Ω<[3_m% lQ@4g=5$(J]Yc-OMq<Ǎ wSzڗ)k$7VIP붾ͯnV+卵*t]iЎD31~SA1éC2u)ʼnQn-Uoi3:grI8ؓWm*G zܕ)ZקJ}Y YlGeJ6cB2I NS3Q>k=KTBT]W6+SOXQgGR? telˊ%-Re\hѯ2TF"C/OJΩ6r[N.0{SpljjX1“jOsӥ;ҭhe}xu`Ք&.)yO̒ Fߑ.$Qw;9Iw2o+RVJMSOj[SoҌZ%;`d$blQ{Ro{Imڌ>3egf\O֝Uzx"䢸g+mv%Gʆ:|V[N'&ס-ޝ'kfE|K,G&˳98Juin/\\Qݿ̋v~Ǩ!rtWU d|E߫R4d}.qPw*Ӭv5YEcn~f5c%MTMkb-F>5JT,})QHg%{("ӔȸWMsYyWNRrkkJr0XドnͫT}r-jj,Ŕʍ\Q2Ri>v$5!]"JB2WɅ)]VԜUc8i|.jeRO6^V.¸ Q&#|ܶ-*uOG%JAtRZRr]FFG\۩w+?'zչSѧt jz>KW&ot{7P&2D;&\\>Q2JzܗAKSfeNn[jRrԕf6,q,F1tRfԗ>vֶևj-&R'Zi2=xv~Elbsvm8=ӛ"ū񕜈BȩlWau[]ٷBߨF~J!|Ipr3R̴#Yp)={7:G{+:\W}n|Q#%)7^-h"Ƒq:M*%J&$T軨I333׎g_- ucBwwjp[6i25$̏bU’ٱRv?G\~#Iͪb7<<}Ezt" q_Inw,7-d,G÷%T* Wg1"䥱kq/A.,_KhqŒxwvo u2ۥۧ.bQ}XκA$֣ +K״ZUNmڸII{.v{5z5ѮRme[moyƾd~cRݾK'j.\i&/S6f|b=5: p!6i_ 4j6=.si˧eƾtS^c.Y^RJVS-Vi3,esi08?H$GvZgg?gi䤟2adw릿:"۪lkSN>q-4kI܋ێe̊qۅgDoѨ9; #T.Q;7#~_Ufstb_'w~Xw1Xk,vcOt._}v}8"(4Z\ۘgk?J?bm_c!g{HZV]Fkk%~gEt)b秴vΰB|꽸}mp~E6ݹv;7P٤v+ri*3Ԣ|'O14_~7nP{7ZU\Vű[ +7󖱅o#:ǥŬ\|3r%TJX]V7ez¨Y]lc|O3V! R zbJ'PnGqVJ"19WVeOF埜EaEJωqCN5Z g-9[S<$sUK5b|7sn\7x qmv##FF\ w[=-43$^ooVSiXօv7iB۴yg>]Vf"r$J3""32!Zh[K%7GvNLs+4nB/B{vlsobJaҺJR:0g%&zR\ S3T[&ִor*ⷳc3ʊO[iozW٨%$gn:ܶWwFBԹjHP&z u&F2\f;ipW73 [; '_̽b;vib!oec dC-tS__$Xs]l9&z$2/N>%'[}b{h/{`{Ji׉׏ YJB/X%}.|+{(S:qz]4_Kѵo`^tY_4S#* ^zvݾMr+TrkQ g.8Ͽ^i>ӈǙvix>$o( ^qt*&t1oJVu-ql5U6jCЉmĻ*"?JT=K'O/|=Vo}l0b}}f?X[?/\JSBe,kP8ETJ==?.p5ފgbU9}ǶdNKk—_$8̸͓ۍ8Di\BԿ-1v{FF]|.^ۅ{vl12׏z7-R7wE?\nh\jN/Kձr_oBw"N QMBZqe-m:ӨSn6j4%!hQ;sv'm4kcM=!8\m[M4{SMliۇ%eֽR&N:{2A8)THLK3Zj[jPBx#BگMf:G1\`edcʮ?|w(-̮vXt,bW2;.ιNHRR#YwTM"<;mk\.foIDjmlJ;vxy7o7i\,KQŊ9d^Mmgc L*.T6tLeIuOH3SJQ3=F/ʿ<9\JM6mN6=<{xkP!F1QR[I$6ُimXu2An2yԒMU q f[IB-'䤯jYm52&JG\zд\~vdg QtHGXw&1Lw+nDEdC1w|YJmvP)HZ>i0BPβә?R:QO["]I_Jʏۍ>QKyu^bycBq4lXF~l [\*N>-J6,Gq(Zr5h]CwYӤU~ʶߑ u*SIv%ZfJ7)! FS*s_\|IŸZ)J ]ܜi4"z[+Z,MOZ))}|Ʀ(RUNIII.S'ˍO~˨rn}M)xxӕ0 eyҵ7YMAB]ӣU:/ѭ*6bcwP͵ "+qēVjŹO|GtY4V j[mLV M -m>",B$ GD1~j6O4|LxnNmqATNR3ε|DŽa[fmn-ڭ+FiK7Pcm;r5 l8r{#-]'nrFh2ruycb;pW=njRqRJ(d mnpckNnʹ+6]tz~E=ʕ l ZZ5jSi3#47.Lcfe`9؏v囜.F\-UZ:*0_<Νu9Lӵm&)_3\^ҹ3"1n1v_|uRʞͫr'iȧN_kH׺8xXrj=\МH)V\ˬ.Xʸ oVRC}ySU9/OBY먌5 ٿwޞ)rw8Ӫi5*5ZΗcGƱ !ZۄlmpjJ -l <R̵/JAպZuq\IdUS 48wXJJtcg4cI~aqߓwŷrm-v)G7yS^7H^-\mŌAq|"m9IBnF㏉9[N+mmy/!KKۉ%n +BdddfFF6FQRN-U5;Sv'm4kcM=Mn)\qιqUd9F%",6MGdT%-+~ f%+y֛^3SrF>6lc(֪vۊN;g._0Sѧ]ETWرkQKzGe9ʨsKA"yC y2\[5 rԭ7Gk5Mzw_4sM3hxЊ'oÍ5jsub )ͪ~tR2H]R͍>̋m6=%(˿(Wrr-܅y5(ܔJ޺YunW̹븹NsqK ]/QR#"ZMDfD|43Qw|._ԡSqTZBg??O Ϥ)/E_U|i}2 9Z?¹0:x'3,whǣ?C y-A~=daJј&M?D1_PS+Oi&;a @;Dž7[ zZC"bv:jjMQk$M RԸ3uA\=wI.AwC"^.{?-\NSiˏ"b}T/}q/ o.1M}R%:-ZniʒL$SgrBW*,Mw'N\ɇ{s\j]VryG'8f`}'N<*/`U숻z CwHq18J+vԕKss4R53/&XTt1bZƟo\=%nO)h$rBi-nKĪ^ ջڜlwkYm[̑+/QrZo%TQ;TLs($2C:s.%+eoNttq۰kK7O0m_t_pZ1SsSM7"mevFZ[w -FJ*T*jФQRg BSu|]g:ɵzjqwmltL.e3sRMچkSmjkmWœިm++¦'tILk*բQ D,PB\lI[9{%Gb R6öۍmX-MaʉA931cs..G4CujQտ[9 }G-xwl)IQz j Ó"rqe&=]꾧֎c)<kӳ+0JrRR3'TnXi^xMF Bު*tIL.[h"2"nKzZe'ZV/RrNYz]8죝n]Ķܩ>^Ժ]u-7^\mZjܣ9+Rmn ߑv?oꋘ?&ƪy^N4o=3-ؔ̿*`}V݁ ƒPu8%$ ݗ]wt;\y\>='OjPIp/nJU8{϶FNMsf"ίNqƹ(+ ݮF2Km |jܴZs%zf*eȫ?]4)I۵nR&FX + [jDh(#哑9q9Eծj8noǕZf\J-l&Z˫}`ӎhyrΉn\űn]9pʌӣ"׮Wt?N4_I_~54#/my1Xr*척aS#DT >q ssΛW;3oUaJSRMDgQnt:Ql,/ ܷfRqiM Ȼ>Cob;A>ڦWقM9X~/!'MW.}Vrߔꔵ!5|iB(0-zF=}okڢE$^wW~nokY߮\6՜̌{i-AF*9)\t9IV6۸5ZUF6R$ŨQIq砳YUZ]eyv >hI櫥N )&l JulwE1GDOuFN2| }馥uC1rޫV+^gdb&W[4<^e4YW,d|htͮsUM)۸8:{3d{AѢ)~ \#J=NdƮꮓ90 |1K$v*?мS ]i$J,C,SG?/_՜pMSƯM|mG1V1$~K>CSvkuj=&) -,yLjuFHK{c駗.SOua;BrSqj-ۍZ#'Jys7[g2z/.u4+XV2VQ.ޕ)$"(%)#Z7suZ%j }BǬݕe)Jvz8zJf:hIN|svO1O#IEcۍjݽ:SdὮvu^@:o^5cs>i/VqmVm]ؔܢn6'vޑ̗J4Wn@OlKbX ;n:hgJ9ŻyǑz8f܌q&Y fN0N;[69 rbׅC2/#kE l&2~èMR.*%g=Ft.%؝e8<.e=Uv{~㻏"EˑnvDѭ͜Lu3u0:U֝$[M5<:oi+V4V9 6nXvx&_ q Qqw3W:uϔ2yb/(ɳ|5zQiJ#r|Hw#.W?4aDŲ\ugWG;Cw鐢K|xg)##=O.dF˟jMUvWĻsr.z]kPc9"]R)mkfOd*uYf١RsB Aîh=k]ʳUrrZsq`d#r$/Ը3o^&lRWȍyuW̦Y4QDUMJ65ƒ[+ygk XK_±k#y:8(TJOSQhJt2.DR}"5[) r)6V6u5k:eXZmv𭤔!푊Q[qQ}ҹLE- 8qIZG|UM4j}Mܕ[Vwm{} Naqµ"ԈM zOpKѰ?IAD3Ir0'/q1itoB5{%wkOBn-ۜduqIzYK60{+DʕܞqIt";r1mG/\/ym[6JƫR \L=S=OT@Ix[TMm{>ݾտ֒ݸӉLYIx>+"JVNzx||5rI?C{oz8۹e\R-^\A2F R+N9 vlT]"ۭ d)t֞i #E2jB@׵=#/N+!ĕhx}I!cM`ąZ*ŻɄҒ߮Y.Z}='/oۙ3IpW̮hT7cTSuz9>B}΄&h!>lӵn~j˅IvU.'v'CSZw8QK3G> ,J59ٷ+HSg䧎hJdzvwv-cvxS5[̊n~ؿ%ַX?O0\6ne 6kn9.ϯ} *h 8_QhLݣ7q +=XBҲ5?[[)+F`=4 }B,sNg==u*Nj9k_GJ)+R~GSPBȒZ:(K]heL=vKPӢwq(NrG^ثϣ?#tC?.ͼ[ۅo؞y#%ǛjVyLSw%T*s92JTM%"YkQО.q)gCͲn8cgi6j1MѾ[{9h^vƘǚםidfi.^RHmg&rׇz:}݃}xT$ضk'5s-狶,\vpbPD،=Okf.c#cdz2FK5T!&)|ntD<+OŹU i-G[EE*FDfeaf2QƤM\UG_{ǹm%\yrGy:.\4wjPGUJޕUV7Do\7Vy_13w;[?c]H\$IJ,*L]3b%L{y.JRKG2sq,B6T}(#nW|km+q5] r㪍bJ@y{byz,b踊3ϻJ,'^xd،)JVw#.Vټc''ÝպWtbRؒJz۠8!o9IۄS95E9ؔ-e9JR{dmnッ<[~n${~Њ$W?&ՐY_? #a.ߑv?oꋘ?&ơ|y^N4o=3t=~7!/M3>n8W홎2M`Qx+ z qy8%]7_~540ۦ彷]Wq CѡwkďyF5Dum_}~P(5.(X,K9vᯐ?leB9;Jhm#3{CxGE-S{;@Fz˙]=O'!ɿ]' r`:7'2bЖ>Iy,/eTy/V<.H?UYY{\^#ѣr9^7?xoRȆ7EoS_&??zϾM?(~Q-K&>"~aߨ t7Emsϛ+?;fCr)fY+>z$tIkjn_>vnrֳki-˹l= t;'EyC¥|/BLwBJdgjۛ$s S1|ɍV%JI6KvəhzIlBYɒ|0"Sy0F>eo5W)O+X˻u';v)2vVq۳kۮws?UʑBǴYO漪e2MIjPAک\b1)DDؚKm6ZWΨgȕ۶yjڳ 2ضN[C[|r@9Jfo<_eI7q.|cÊV߷:i.:$ȋ)1%%)ADZCEBxJ0MJۥy(bNsKM9k43IwNt.\%N簤I'.j|ƃ2$grBEٌ\}9:v*!n7M(ɽ]7c@XxƱԨ37īf62cTTfFK]9wntQHͮvٱI/f|j=7}\_V5U^+:uljSȃY(XI.ȱmo1甅jڎIZ2>#\*:gY|4k\8ZwSqtyA!+];бޞKծË¥e)#5ap.QK^8VdU{*ѽL\=qmjnB5>{ Ӟ`v±5 ^k&O~Oshɷ,;6nOW>u6{RqS`)S%jp\ipdEBLfTWy$GIYw~䲭J.1vSY5z.V>^+Ǎvc.I[R{QsNR3ӎfhd>y?UJ*}~[e\i5U^͛E]G_FS(Iɿ]i8:4zj~շsW,ˆsy:%O}iur]iF5~3M:Ӟ#N06)4ߧgdawIotiz:1r5YDZLHBSi;NQc44la=Y kQIT*ըl:tq2(է9VO4뒳܂~2rq'nrVZŦ[t7\oլfb/mlpc.I8콚q^1iE~䰳mi[dۧw֤ICfdFeCsg:i| 6擣׋* 96lust^{%99UNRvaMܽo ammi$em4D6DD\nA%$$#}۷/ݕr99JMն[oT޲E"KTaP+HGkŴj5TM5xƱOS-k`ۛkٝWz;{kS}F;~q|~^_|euwnE'pSupUP)V]vE+t =ZRaVdG6= *.ϼnj9:UɷbېmF_tޫgHjVS'śǕًdkkѻ_]Kv?nT>)^e=Ar1'3ԔILyD?:-^in):{7.؂\.:V }#뺾.3r̸*xbFM aȵz 6SQ:ײj[ 8nn iFMw rR"5M5I旘35f^j='j:nNW.ʭocZvZKV^ɚJ.cM1ZI7E'6rg탸5oZ=[m Z`\hbMUR١Ȗĉ):Jin!_7Dй+f̷eKҷvͨBPR(V`y6tw*MRΝcB.ڭTnc;P$8nFvm4(D(R#R-L -2:FP lxZKQc6I("Km%$E, 78uXIFA$RQI$JbInG]c[ֹ:ZM+n^')JmJMJRu{e)7jQDw~%yQl}BZujSSf۩QZ+Dzhd5o%BIc'GZ?}΍:>Ɵivז-%݌J5MqGWTVʦh݇ܟ~Օ_6 n'{3~mϬj'J11OȻn߃r Qr\3y٘+WӍ'WxEs^O3 o~[|7>]]H9݇ZomT@]?5B:Z߂'`V_+/MSKX߆ޠk3?o7y:4R/7þ] iG߬aBRU&?r&/} cQߥGj2?C5Yśe7hU=?+ x龳f-܈czW^7p%-(\D4h{UK&ӡn^m]Fݢ:`δvj俜F+) y[{{ 7 tu>gvrěOj'5 iRg[ͶFjGe n~qT$ci ۚ0oԹc*jL[sVWqj\ݻ&6"WoK:cnWmrv)o>66(F>=W^bf#c zzʞtپy%mՉPël e}J.\Zk4ttt>oEM=q)hJjI=ͥ(%]脼_88ф;͛gWG;Cw~˘$4=uWdĜTثNDkiQL9U*O"4XP`02,Ge-k5$h>ܼ]3vr6!9RQPIVSnM(ۓ{>;/Qͱv{3&-[rc)ܚI$n{Sv3[j00)-D3z}MRzVQпj,T[uVs0\}Sid;r(ݝJ>æʺL&c[jPK0~d(FKÝW\m]GTcF|Iׁ)I3~#oX%vҦEݑؼ5Żv2qAZTE^..M{ʐfȏ2##.R}*KʛZz^ӞN*lPťLf\G6[WVQquV]XAi)5J!,$iJ6o$tPZc;Kjx_n3`qIelV~vLy{fn匋Ѿn%;zV.n'-ұdd2߽1bZksPe3TI9)$ԩIN9Vơ\=2885N\ p)/a柛w9g_lױo8ݷ iixJV& ғRi{N^_oAŮE6Y7I$Nk$|Q)-*4Z)^¸%4Qm [I%.c-OV+C֧R#%ѨCe3i;w$G+_dy| Fzj$DI(=OA gj%v/]8qԯNIS*֩',Q%\44ZZ%D|Ǧʴ6&vֵI$%8(ԬƾS&#Z. }6z?b/|Jl{ץv&mpx4Z$”ڝ4-H%dGKfM:sKSRWeJAn]>s6应-W9'H]'uȫYvgK^\czp|My\鏩w/ËQ.)]\QiS`8uL뚛̸=J"ܻi\å'-)54Ue]:K\퓡vK xwBqrH\*֕TnzC.mT=t-H]SČ~Nu╏NÅ3f|͡G~B+Xm[Q7U{9"~jgK Zoʰ7"qJ,ekSeNGgϳ] ^.6:s}_,%eRg<5⿨z{ZPun#jRІ.6g T.!]xa c#jN$Zpl̋H WZu8WmMRýsĮ?Mco~sx TU҆Q :KDG4n42.<3/'^?6/ܠڒ^yrrÿr2\D}}B]^E~^T cɛ7϶Y[<֞[7d}2%QPqOLEQR\CIsj1?\}%tJ0e~ *sk"*)&ۓEi#{1J8Hrt|'ܝRr8)=ƔN'RVz:cf]F7bZyZUȘ4x8,#JG̒?.W9XnO]KO]%]ƻ O5Γ/3qÓj؍/r̺rƵ 5\&m6h.xoeX[=<3%< lZ"2h\Z[&jW3ejm?k&[]ųj+{N{66leu_+lj]q* 7g*knأYv= q ەdxЬZ|%GUrQ3jLŒqET]1% qkXYūYc[7Ś]QY\jko\</Lc7+'hMSUc6qXyؙ~6#ѯv.0$BQi5YyIhɍiy=KD!n3Vm[V%W-B%swa97ajۗ m+9~]fKq|Ddaˑ0A]_v޺mM5* F-BYHJ5}q>ʉ.6hyDmpD׬'-_v5;5[8K[viJ.3dR:oYHHh9I7:۽fi+wm^ [)odPѱ52CZUJicSw\&_s0uBȍh32džzQflcd^m|7GѹE!fO5]]H9݇ZomT@]?5B:Z߂'`V_+/MSKX߆ޠk3?o7y:4R/7þ] iG߬aBRU&?r&/} cQߥGj2?C5Yśe7hU=?+ x龳f-܈czW^7p%5|Y:SJE\U-(a_cƣUǽXXKiȞNlmۊڭڄR!**ܤMeȽ$|X5(Ź\rJ~ܮ]>'HB0cp XFr_c?f?7<ukSgov¥iG>>䙗i.+t+bOjIܶ . i^:nm}s}(3>NZ$2Qg([".>i.ƾ)B̋M8+"- >eE6DݥJnJˣt׻ 5.˅nJGwZD~!i۶a,Db3ZQ3O#KO5/֍ozuK'GbRi᝘NV_ҝcvם ZoX}F6z 7e5_e:ۓj=AB+iܔERadMBq*ԯ DwI/Gy*mĥiRKg6skY/#SN4e$-yXM YL?^ĸNNӪ{$r1JJRSLO]Aqm>V/s[~i/j+m>z}eI"Qvp]{ZԼ:{vPAG2=T͡@ڐ#u"E*>C;o$~C#_d/HBq^YRٽzIKbOm\~żjFFGdiQ(*/i*#.FF]©m=BmpQQQSP&Ҫ!T&^>:y)$ˑÐFčI Bӡ-t!bM WҦŶ'UZ=}zvn~oT/\ǒ'nr8 AJIӆz<^uߖ4eFC1i+v!3qNyߕni?4JZlmYFXFۼO0B\m[ tʄU3s"Sr(NJ;SKW72L4̏BVdf^Ҹj\]ȱ۪(ӷm?J-KEmWڽ^4<8qu%9pŹW~877ܾeVгS(յe^C]yX͹! םm4FGȋ\y'Z FX7e)|Gjt߹#gb\ŧq_([R8[qU$Z (ʻezV2V!iQ,i$JE˂٩ a(GK'O{vnBvryRd-RK4=qxZJMl_CuuIz @Rt㮽޳!|68\-l[џ84-2Pu" RJ_^OL>G1~XnBŬw6J0*Uvlږ1N G1q9IUm*'oWu][&UyYZbBZRZNfEJf"+2nF~Eû7n1xv.RUM$6 lAxSQJ&n5ܞwlEói"#>4׿Q.nEq7Oko[1wg8ZQwZYiqtm&~">Bo?w͡ni2峋NCEy Ҕ+%ZJ ʩq*fpˤl,~^Mχk1+:ݕ z&Y`KLӪУDr3[*Z :(SL&ݻ۬Vqsyԭs x|iI߽zZrg.:mp%6ԜvgmpIUt;QbS.Է) ǨKSV,*lڌ|5Jt3#NP.=+OZ~/G سIgbꥹJnl_DUM\iM!֔wVZuԺ,yV.Q>f v:݇WiaŸN5Ҕ[M7SsrvǣrMW= \8ZW-jsnڕ.ZnF2qt ً[ٻޘY۷Zm"Jxr&NAfA-݌to9s359݆mZ+N1-qS$D=17 x׵+%_ ve4ir6Z$FDڗnFtOr'7'{9C˨ꤡaYoace{Refnft RR"4%ʌm:Sj3)OdInTO>X'vxV#jܮw9Fog;5.~Y5\~18YQܹvj4+~t7S ﬕs %^۵ڴDZV69R^Y+rj$ԇoJKR5wB9C>Y:l+EǎS{ʲ{T6Wi* ^^9k/y/Cs\g*qڵgn4T8mERr|Ti+iPe;;.i\EBEJ 丬i9ɧM-ԼsGDrZ>r#R>~X9y4b棇9JwV۔%m(b[Tjvl}۩~nDԺ{Zo-YuK1vx.nWuO+jN [ٮ0%"΢CdTJK-RަH"$I(*ve &҉FzB,_Vpqp9m8werv')E;o&QE׵^d9˦j\_,ڵugZȻ̧8k+jK{wmr@3ӭ2 wFkzFVqs1؛.v'I%$[iT]D5Dl2 nk7qUxԫLS+sا3/ΖeZYK<["%-g/kRs:f3;*E ت wJ%)5&+&rw*霣i|sMҴ|;R+fm䡩.!**dӶ-6s6,]zAXMWjmnz%SJߴm2UXw7MQ%<!tKys#P,W>s;3IYwx<+i_\\\U6 u7P|xbn_k&ӓVOe䦒 VUr,-㘘"-LZeOSҠթrEvq8Kf%5%&K"#%vD/.ZYYŏ+p$nZkvއuW9㓱Z G wYIFyf)?ƎUm5ԉ/'k84{KO:rQI}XRuԪ|*lu)3qZ[mSm5R3".Xcَ5c®ࢫI*۳~wRϿQWޝ(EJrri&ۥ^ʶ齲Im|[yb;mnm֩uiܘq>E+Ikx߄3r33-5𹻖09ϖ9[Tz~mr5NsWl$oPusޛ^{Z;);sڹf\3oٹZmԉ/'k84{NO:rQIBø8Bݱ3n֤DiK4u& ofSȒܩx<˘|N0Fչ]qsp"}! QWw@t4ӭ+cO5%]'*{eM߲DRO1y*q8w++e!c߶ܪlZWّM欼 CQ̼빶lX{vib/V/ ai;x6~]+z]MWB>re-:lgk}պ!#9?%܋V-c[z!W?c7YNm/jRr[HOzԻefճ0q15Zp#rkQQ0tU-AmڵP/cȕ?0cZYj;:0ZM=D6g ?'UN+ձ[K ܖB2'xq9{|۫N0ku 7xaj;n\ 2[VznMlWiKbSk))f..)Km)&bGZ=>OR܍W:j'rM'wYz&/鶧{Sʵb"vջq[I-ՌZH._x*BagC'T(Q:$ͳQcMCKy?3g'ߝqnT);qs #ؤZ}OOI:cfnc8W~qy.;^pVl]Hԓ>^H^@7-AA܃nmL(uWܻS߿ Td95Bdh4t6*dDh!EhI[iŨ\L.&Nc ܮf^;$R)\rip9I|ٺ?#R.ZDZ;/]nݻqs\QE9M&Bd ]N mN*D>tgbK>+ˏ.!23]BȔR1ɝ^j'k2ƮqBQq[$di]icV/e`޵B.FIIJqbi>Ӥ|p; 6${)RU>_e}^dzdfzi %ekRVUS?6'hׂ)5.\+qUgzE2C˷ecŏ^֔ibk shesFWJ#~> Wk~ݨ}ڶ>ơǚ)׽ZƉo~B-ڼrvoE:Ʃ3ۣK7+Y`WirS):{>ڛ}:wԨ(J_";6R%[u&ƫdZ_\'np| RJwNeTW,=rrbnkڄ[M3ܴz)3- R.?:okۼ0TU'w{6&w7j1z3ON'fGoO?)S_bQ_¿R(^ԴԴG.EtMڇ&RUiW uQjU> Kiu1d<ѥIQ'RQ1:O/lŗᏩiʂv&Jc{D5 Tt)1.n[n۶X}RjqnOʽ(~[Ns{ސ⛌uO,kgo֢dRNQȄ .'6W!׌P朼tdZjFGE"]K@'i۪N;sI[{SOzk>`rRR+!σj8&TjlvA̷Q?HyjyLHNտJMjܶT۽lG?SnKN%<‘ nq[N0Sq[Ta(&t(|HGO~gvkݻTR4&Z$#ViOY1r$6YF?e4U/Mvxų:zbU^gQQ+NW_'4jfz^c'#`rvrڡ(IJ/J ݦ6 ]-CW |_{v*_q3^DZ}Ic6Uڌ8p7{crZq5ki`)mU6|-Z5^iEz3P=:Cu7DF'k%}<C-޹ֲ̱#\,(f88%X-N(ck0VLR~} G"-8ӏ/ϰKq?(#nrVTmZ;zióM4 m |UT'C^_1X.gXM{%ʤd 4\ovN":"y-,T)fLQgۢr=/CƹǨJVr[a+!rT|%Y\ٱzsS>jͱ.oOc6f$q% ǒGo;n[];ߎjrk{~\VۓNIGn:iqxo |~t5)Rxעri{Vi&NUOl_ѮMfsޕkЄay.0P{7N((BaIP$ K"U6Gl ݙqJRu+qN$ m#*p<|{:>-Ev=86N*MM긭U*uѾ?/^o7;'u,h4݌xښRM:5.(/ \իU.{F^rmF-Jɷ.>Q"[4xT^OZ~mK}T0ݛ^SAo9u?lX(' qj%=X}"^e4wˠ|rܫ 6I\Ķ;Ӻw!'ڍWg{ i U_9Avhۣƾ+:vs/MK[ɭīe{`Zgb}r[i'GE2J7Nez579wRq+Un ]J.cJ4M:h箽Wxxm^ pc\wcN%'My $$| :$Fqɏ¾^қP9J6Wxvu}ݵP>Z'FFdg"-; [¢cmWkÎT8nG%ݣ7*\խCLRYZͤiD&J#'ehbSyXK|y*ӞpS̍R`[pTr/Eg)K+92{_ n3zwz'oŸۤ+sOj J:`T>Cf*lwd\fYOP"R E֢̔L4ɥ :;.b(B02rJ蠟9>V'9M%)IqnhP<%,r'P/vNSwr#w"ݨaqc(|{kd=^0jTMR2ULNz|.<|^PfY22##!,K~E BEJۜ&jRNsHަޛg\r,v؜.jK3)[EJ2ii{KEiHP^&]Gn8x=K}Wx/KI9-ϵwQ%spܾ[^R}S3$qvq8M[ ozKxcqmJ/ӿ{_}7&ݨ\f6ZSyQz& 7ۉ[8~UNn|nkiTB+4RI8'Nc%tn{!]Ȋo.nEmʱn𵵥J A+wy#+ikǒڂ;՛s85'KmE:Ђu""Iģ5p=БbTY-ͽڔ詻ngL2Q}$de# fs^o{DUUsfwӶ;s1T,ǤtޒQ\෼J=.tKU,7čJ5 N$y3kdSMQU~mO[03 $zAڟsF5^뜞"Կ QHmrR"ӳηer+ҔZ]hE-6Jmt'ޒ=O[sQj)6K}?e4v_KfZheޓ=BV[bY}lݒTTЬ{ȫvO_qpRApVŗ 6ju=*BR)g "O1yhb=tqJ gtm\b3RY+JQ^Ō֍\յ\>+uSi{=x ^w;uӘ#ĸzLn*$anok߷CBӷ}5Yqvdž<( "_OWit5:EZj2 B ρ1̊fi[n!HQF82q1牙nqnEpT(2RMoM4ϳOu ':֧_Xjsg jP^(ڙ{2%E͖j^}ZU[Q$'U) <܂%!s"m R'G5M0<+zM6qYm$ڕ$3ǧH]?o2N<8F1̻r_my[Rf59NjpzBnl7*{.QP 3N&^BLJPjAHCK2Q}$#~YMq8 k(MFMU)8MEqTy+Tʞ-ar5yܕOXw!e;q-Jqܶ䓊Y:LC UE{/t>r"lI9)3KJjϤA 6SEE$d߇3KG*En|P\ԭTn6I-ƍKTj<1H_zwGr19wF N8ݝ+a9ɫM6mhePi%mmD! """"""*1bRKrD"vnrM۫mmĽm]ӡiG~e"˩ lhRTMk^MX["Jݱk7_ޕ*DqĒ&flՒ}`W}~SմZ{ĕ~wm*/{{ѹ_-0ط#P]xlڱ~Tn5wi*lڪ (JxioϏbqKYR|!|KN53 OS222$jzww%i}>N)E+rۥ7c$Ofl/LNث\6H9: FY󡈾I)fB֔JI_ ֣^: 9mY{66㒢7Uj]:.-os[R&gMF3˸#໹kmjq^8W"PΦURjʄWa˧T!͋ lW48JB2ko+ /Nw QwQzQ ے%$ޓ7^YL|r7!v%Trܥ &|M8~ybrn[RV gSn{{*#2#ԽᢏӴHak" ӌcwҜw&RJ07ױ>Ļ =^ BɆ)v32.M1=#6%̠tҤnzqMwԣ~s*%-j|_m*.Yx9Sz=)qE4 3pk+,`=kNRڥ=B=nŔNAx)Q$ԩȧ4z3t#Z2lҮYn$S%y- JzGpu|LBV7ZW#;Wwipܷ%(6jFG5#{$D"uۭ~]֫SrD܃fҎӾ+Tu>-ZTQ& N|$沸ii>eRWݳu'[O̻j8JۻEѩ[]vni= ڒ,[_%kC7I3Nv$4ɎЈeٸoUu:[}Do5|zNq=Tre%ɧ6&~DȍF]ƞG5q m]/w/ \ʲr8=oʔe9U(W"|S]uZd#?Se[W"ֿh][-7Nu:T=)R}.;ml*5Dlf $fF(̏T hiIUU4Szɕ t(%_|2 ~6eM;TƗK[f&]LK^CE2[ȏBOd;Mi|cx,^6;sیGpQ\NuJIFTJ~đArh* B"$H쉩eXPRj?sl"ԥ)su]xpԴY%VESH"ЋJǰ K&5^Ukzׄ8kEgS2h&Se\ Yl]WҶp-ZUvi7QS:4byqOo+[̺腋[6-_Fo.6[7$p&^ _GZԸߍkc.qqoI[9m߸YxOZЦ1uoiSH)P9Uʄjcq= S>֙NeR><;+ڌk%_qT].srNO?s[=vH[]RZHRMtᩗVؾ:/~u)ԍdg%=edVrISb{6vSu=(ܥ)mTv/J}̇8 S3ad:^hBSf؉OɔLhI_1d8,L><_A0y3rXq"'(۱;mFNII.v5_(^q~X>y{3צ I*Vܛv/jW' T'NR'j%ꔩ:mJ3SB}΋!-H-RJBТQoedi9tjENenPpke.%4]#{:>mkEɱdYWl\\\'nRM4&U>?Ќˉk÷!𴪛]]5}UqG~ݏI"O~s6(Ļ)qO~h}uԕd}Q~G,oE!&G&/]_H-O=o{k\̭bkv.Ô܈+;arZx)m?M\3lU$mk-CFXjTv6u' g:Vn_*qk:VC A%'4JV%EY)#BғO4<e׿jQQ]yUr4=wm[K1r׵%Iũ-O}|kC;/VcݩWZ)EHdžTru]8hgĵ-;=>U_ InvTm_jBM+QiF"9*{DI/iuo(=TzϖmPQl_v4z>T*ȴ>YF;ε\t]EH4ꌇ[VrLzef 2T^V>g2~kg5~Nק;{~Z~W}&ŒBӿS2$J?~(Yœ"˲ߩ\O]: J׉ښT{mmIѩn3˧)4LdFZ/zUG>U> n 5& ϴ-KJi2o]uKljvK3$bԔҚV旧iY5.ίfi96v7!v))FJM4{jG~Jt/lUE%pTAFe4qQk\ve۽/u/Im+W')v{\-E|Pms7߮DZRr۞/mu*1ՙaB܆ -xg3#6ۥtRogʌU)׎]ZҞNnŞr}F1Nnޞ;cZ{N}ۿMiuxʉ*3qi'9KHQ$WJxXyرŔe~[v5~/jN9Q4o6rJv FrdxM*iRjMzUinHdн7ᾞS=S'7 } ̽zt7K|_g J=Lq+/Bw_\ۧx\HJUPzQ<hqF[V0x==CsU7q|^ {)Iq38$_A(VgcKu06Ƅ"%i~_ˉk QCܣB8Ku/񋇵u([w}$F|8TՠI.E !;RJ^}MɒD_q2];Ɖ{5}*n7nEInO{Mwv}&q+v [V}Ĝ@%>#dXQ$f;iep.GquixVt x6bj͵mlKقQ[T]zs/&yەnM'W}!Fp_d^Tu N{ɻ'l{խ2.sTu{W^H&;1s)Pӛ6>$mě;Łnj= fLT)>׸+qReɴ[UR\L*P/!$Ӊ3Q 'K=m~6XqW3^W+ųO_[F$rR*u"T%@O +%# ]˽!aܽz{ͷvQh쩎]hGތ5ɇ*DzJDRNLi 4:{~2FmXY-zzĽ^f=]uū{/+&c:Ma{ĝDp2m܍kHș/(--m_vݮK(V{R}.k&yƴ7i^4@3f sK3^Ř˸B=]?gt5KbZB<e;kQLpxuWC}n 5ҴepB##~q= `x]KWF {GfŲ}?G.I9pjWkU]>={7q{kO/^I3==f1ɏ%nnʫ/Zu_yXN<57ۍ'vy/"8넭M2eԷ&Y,в33%IkjMr7xf nmQkX4踼>a-GcIeތw&U=-:qnW)z¥j :WqSZvԒ#j"KrIU)%qrmRoDGQ~SYRsu*V)  ,/x)MFD6O#]z 96[Ui(JRfw'y$GeUީkdMF-ݻ98F2d[o{Rn0n-xsV6Dh|Eb2E:KCOӪv4SJCr"J!!m,hRLD| ZYFm/X~ΧfrN&4Ƒ=Z9Mh.Mܵw/BdrܥniŪ8ɧ|y%œ[M=_tj?F!z5\evM:\ ~F-sg钬OWq“iiȍ<Gi%%n2rqͻllƑ)okw7}\Uk-:&fj솘XerV9yZuʼşdFC=rmo%~ZN78X(N)_7.Εn1MpJ}62jjJdI";R5&iLԸc:jmqiQj$ujp\{;v5B񥍪Xn Ą4qOERjzN(Ga٠䌡)p*v(J7#ZۻZ8O W uONb+^Qipv9GvֽƼϯrYƖKGJQDNPhRJjᡧC"21"9ѓS1;R_O7/WGz)8fE%F2ukmvSov/iZ&/]~KmI[:^~ͤ\kMi稜\ywJt3W7 8Ʒ~ݥeFgѼw"8VVSج\뻆}ݭ/J6Q)d|)zU3>k\L=;ow֯gN3pKѫ|wmkZ$z^2R:E)f>ς нd|#׆?\ǔpV{;\$ƵE%-ͪm0S6[n< kE[}mvE4DDZ^$OZ0*$~XUv҅B@^?]so#%ojw;Y#SxxueBگy v^i-)s)zV jC{7Gt.w3v,ygg8s]aE_,*E tY5k٨h=o"m泏:\6w噓aiL׎n^c\75AGkЯ0Lf46َ`egZ˓p/k;̛]kq!ݸzpԭG"}R9Ve>ˏHUjJ-&7nrnwG*Xv\˱/vN}O)ʼn&CV͍f̵]r\PMB-6Du-#RͰtRN^)mT _}nSȕC*_xBuTkJW[`ɩ`ejvsngP ڻ.-WUtܑqԹQj)t;vN&RNũT+8%IXӃ5fK՛-d9 ]CƑm|nZ-6=Hz,*aEm W3VzRšdY~Xf׀Xx"]s;)5u*ُHB BRGS6bݶؿ 9j[1*jױga7oX CUI%0v#~\-O-Ꙛuɷ쏪&5mY٦M`LJ2qK~HZbr =N'YobI. (^ ׾{_ ?OJ`S`3BN[}5w6:ǵ/iSlt=4F*d&T4y/#. ɵim5Uֲf 眕6Y7 fơ=3dϕq뚩$qTM-%r!$@A? ޾V0c~{[{;򥧅a~ڵ»&ڄv1ek=wb MLkNAԬw-x>~/r=e73VeVN)K%Sښe"+3uXuچrn ֺVzscJ峻m}vb㶓n\YbIUBT%*,0nov=;z꣓S/nSXSpl##k9mXGrZv^Gde!ŷRԠzQyjC]`gToPov{j~KRBMY}i[߶9KL2ԉO0K#m>wB[ٍ+n[[b٦DX ݲpo] [\m5qdT()mo4Oy9Ie b][wղmM~vmi۱~t \}$яimRk(L c Cvk7r9_r1 ;zv|F@KyZ[&jEji/"6$69ml#e]9s\{ScL}Ȣؿ0q/nZ*t,CLoD߉Njǚy=Pgmu6^]l-["çUʖMlʍp-"qmU>۷uFOJ%Ǔkx 'g=睋k[3u,{³WɘݪF]ՍeFX"Oy\,cچ=w/gn Ļ]#2? vqy-gXnR.^}ݺFs{ŝG]}e|#0mjx"ƬWكm?rgU^xVB":Dt>@LRbun~ݭ,w+v⪕;\U(RYa61>#Jm˞Μ9g9XKaG='u8gf}'qy#ɉw J]We.ʲ-<+&q%s?2dњztҼn`cΤmmqMdz O[-ߩӲ&;[tmܝVnr">{x<8U+p:Ig]zjGkt,uzf}dؠoJaکqEq -(:d<պ=eKy[˗^%ZXkX[C2߱\ITTLGzANM￵i]K>UsOGDDD.ZF6* ҃V Zhz{'xp^`wo8r0h ZmJ5"jb[l=yUu7-;7IT%:jFjߖm0tzU'K)څNۧYJ)4IQ}^KWm7kSP>q;ނ#)'n7&׊r?óM{IwR\j2Qn[v pe#/tAF\ϵ225q֒om6z})6҅*oqDsMf CNIN=T S2t,_ѧ}kveMF0J\Rnnݙܹy[rUc-j{yGtkQ%s]5qB.Nw.JN1LvR Ui5J ZESQԙr):MJ+g}χ!2;q([jAud][ljVK3$ײSJI=/|&tl'*n۽f.frܥ jQO8>&Z];.|7T/C}$ڋUmP2Reҭ8hFF\L 3~e v\۫]ݝNmrnB%*]Z«hKc=BTLG :V74$=Ǘy+EX'4tn(I:Ѝ;Df8c,k1%dJ6.j6ź{N~l6&*fœI7 WAlGOu-ҢH,,(ǔe뿋쩨kM܍ZſgRvQ' 9)?n|er˭|I|-fGK.rΛp8XV1%K6mvG+tc+qE&ǸC_Nm:l=_/m5^[dߌڇ.c<%:)tQ$Ow~-aY;UJ>=F)2[nk؆?훐M=l6[4(O.]2#-H^n#->&mp5~Fӛ+|| S,xag%qkEUzUgæBhߕP(7]kFnq?֖CpruZ6*rEڊtS|*tI*E}7R<,nUU֫^I7Q*mSly%rdȓd8hE<9oHhMfNSRj[i7D[Rj݊+kდq{"$$H?p\̅S?㭻;t~R߁)^/>Qj`yt[w ԛ;²~+ߔ_ YW~|o]?x^ᯛ `ʼn;g)T@vWn]>&4lp+$D̢1l|ȨF%-}.9[}w~ ԠLM9hСablfe&QoW!s?wjLK?s7yO>(=C~_nyǜu?v3vyo oI@qV-jeES^[9WoSܝh"l2C1a͔CiJ@3:Pճw=/7ovuk+\V;lDgն<[A+rX~d;m!_s8ݖ׷;;.0llUC+?i#_crʙ1~C.\–q ul8Hܶ2m`ܻM3Tov|Bs rɵ"oLS- DКw=Tv@f'6|YlD͓Y%׵-#Ѯo%:&!3o%\J<02;K87>^vgƓ# ;ݝmz^Y6=PS39U%~ &f# }o!muH;ʲŇ˷yvP+&.7e[3'vR4Yj̗IZ`e˽3o[WU{ m[sUbۋZǾۆl6~9'V*.\S2<Sd*zY[aŶ`]C$n.v^Ʌ dng>ەZ,Mmϑ :n6nϦezWqUJ4! ۇ4R! =>>Fn|Q[{pRO17ƕ~._I''00k=b՛o}Osðc2'o\3}ݭQ^2 . R1yKȣtAݿ-uܾw!`?1Whn|gzUo[ECWwjUIן)^h#1ɭ!/Z np;o;ΗŻkXs."6E`Z1 עӐ9Kl8qd q} 2Stt;#j>;խabONŗ=fwP1j)l6J̶|gV2`y/0E˛6+ԫ1? 6}KW c\KoKͨ2ۅFw–s*TԞLיuDx .kCzWXhy۶gLu|%TnupǺl-S* PRaLnT+c+*xl.v!.U=|; !_L̎뱚U=4hm:ٯ"y)$:>%(n}X'p[ȴ ^˒4kƓmzDx \ 'NqamP7nyN݅=j7%McSڵj%STy qXymvCg{w/w=wSW5r̹u erծˊsOm=DhEҚRb#n)QOxtվQwe]I}wCa'"[ۂ-z}2UuKP$㜉ԧ:mc<Ý>RoL?wu|%ҷ&K y_!y9 ??:tq3(UU-lkS'ɸ@jdzQˬR] EVPW1DJq2n:,c|ǻ̑;y{X,ۂ.u.b˕u.tKBjQ"[S園S`ٮdNبeJ&9Ơ ~0a(Vm٘L+Jr*vڑE( x0+tp˕ n';wm-ޜMOxX>{#2%jgb2M[`K*\5@8l'e=0u+w ֘鳾{y܀:R*Ya]"Ӧ%ktynlۣ65,3gU}{GYrb;ge'TKwǘ.,rpܚV]Tr,!dp /ԺU,xՉ>s׽~W5oTh yx?xrrx?)?ilbT׬,z$Ԏ.UH٠\U1pU:]JwSrGZq8àd驐,N67QYBӢD㏙W!Q25ϸo9ms-7-%3CihO.J鯽-;MZM8ku-7k9S$8]q2E(}bۏI[DKOK}3KUB^u %Y,u.-&f#]'܆o$x`Yu,dzwM;#oKxn;\[d7}Rb+*Y䛂ZuBӱl{j0O̓}LhK;[aֶaGL{Cb#S.T[>߃F]NK"u^LUʐ_ykW?!GRj29͖qa'0[npcDvV)qz9R)PۨM^aJx W] r>];eN3vxdmĘ(5W2K1䪖weF{mE/QP6\u54x5[hۮ-Nk”i[lUgL]J}5 S:EhiUrgHl!ŒJ$pe=q^b͵Q' ?6|R\,JA ڵ"TDꈭ:ymg`B5t%M] <N_zv2_Ortٵ/i/ReӮ*7[qүqEG* m"[I:6e^p"I$jԴęh!m)]GZkcjS!{e^z}+Cѥ9;R|/ֱeiUԏCNu2Zhcٗg$ݭwvr P8*7/Lk~I'Km1+MW%Bk|oOm>-#qj*|Dbѱkn|n{v#jĮqNpMIUm(7Liz;{ҜݞڝVƚVϬ+sO!OstGvxӉ']uӎ4g_ 1^-8ۦ k!)Ύ5O;YSB#2Zzχ;<.ֵOtge~.(RC#wFZeGZٸ6FFJ4e2ˇpJT$[wgV)q6muDGJ56q\I!̗ y/I~RtJ9kJ]Iy*'FN0s.[l!fw'y(7$œ WƫgyΙdMEU JQJv̋vmrۖ.jWR_M֨djYgSj0^\y'EoECjm$ IƩK>Z28J2TiJ2N#}.s cArl嫶nB.FIJ.)۔\ZiM>/hLĸ=C1s[?YMqp|94- 鮝𦔽/k^#NT(Y LS$6˩}{;5 )B۷W$qpN)qqoot}ZDVә;7TiK|6f3h$dԄ}fqݡ>Nb򗉉+ͶO]>ߡ_VtYf79ڰիF sq~prս|QM)g%l0ocJȨHz V;Bb/kLAcfPJ,ԭ{ƍgpjNR6VSI*$!yV足jᇑ.](EܣqM\qJ2eZT).<9UB/(B0j)mtKEj#׿fDI-=rZړj|'Nڤ]k*i$5qt"ݙPM6E4ke^Z8ۏhz$Q(R Ay2zfRñnpnkbkI:=j &ΝșW?׵d{+ύM'??XqeeĽ.[o=UxFS=ӷdZwenՄ]_X=ĭVa* pKs0ބۍfJ3 gz̚i|wnxtjc¼5${(1fXQ65ȼb̶Zkn>%FQMJXӡ{TZEVNᖣimT/37cNJUPnP҂ZOE~"-Rc4^b- FEͧtf5[)S!OZIښݲ͑;tvܡ+N)AR=hCNn;wL16-:特7M$=Tҕ-.R[HٷnXk sn[ҞD-0WS9p9:-Ϸ-jѬNu{ҹfv)[Ľvwfg(ٷfe+0mYj8Q1\ݧg]Eǎvڿc!4#j5̋C2"}BRriFp7=ô\TZ:\BLfj#I22װ<;صZl j 6:l"6]۸ K'6RTѯ^ئOԓV\?$x7s#r:Oh{ց=MmuHԷd{pN /܅:UE#Yy+(SgQ(Щ)RHzw>^Ѿݻ>mK&^ '$Jۻ&w%F|xfz%˳ L~3N?Cy9 v w/{ƿ kz3x> sXv}vP"@WyC z`'톽Dw%-tt yVY\wmuPYQA0iG-2JP,6/gˢ]u.-n!Zw.N7Q]Df}Q0({a\@=i_X7gFǘ8^⻲}G MZ1)WEfO12G+=-B@z\`||w6ċj߬m}UwRox֢I &c~XGP6Qndpvܻul'V7^FJt^{b^B(L~sѣ6@߿^xqU!ڙ5|Vpvef-uӥ^3  FSDɯKD%0r}FF穛r7 +o"V8tv̖NQU!5uFd"bCr^bJ=֤fM#ʳԷP0O-9xRBm\=`r-:;~3Tl(nXtXi%2Vٛ#vwqƴ`L@"H‹qW.j,JM5B[)WܺUeZFqc'V˷1W7V̾-MHФwn8N;HPSdݷC7&2j.W\τGŎ'Vb]c.x+Rx1%C2T{myg[qU|+m:M:շ8҉yWd)ՋWS%%:iqlʹmGwݹ WnNŤѩ5(9hTٵDdGUi-)vSs2 2{OnT$Xck n:¶(lASLeȔBjμPpTb2~N2~%^k[ܗ[Jzs0ӓHBKq[}JَA-$dFQgjxxFv4r/x*Rm% `4J(&iv7SkԲmSH1YWmx 8n.k']:Z˭_W >ڃXЩ. jTq%Aā[E}amc]D:rmHRiu:uӚӢ\p(5-q%e)(۬ҖȽIf<߽pr&ݫVfY91q2ĭEQgYbTGQ&,yL+N$[q*RVۉQ=FuTܻ>f>f㋳8N6$܌n)9&»iˤsX,݅܍ȩv+sRTpO}d?Wn/Inpȸ%O]StQO|v5\}7Zwb.AIVK^:wb{[uݯcytO߶S<{8KSRׁH̏N7ۚ[xkwYy_'ZӵF+>쌛ZUĦreE9F[24De{}@:ExWs-\ǻ7K-\JNvEk%:s˙#κ].oͳ;լ7wB6nwu:$L; DkI#Wz.:Xp(˅v$Sq,wn\qIN-e<5Oe+vuYTpcojUI_ާP8 O 7&VL8z$_B-H-[uh]T{|8=qVRN-:Ij:7PUtXϷmy鉿:RIM~33ӸS2#׳GdŲ5+/Bx{(WzȨ5Y㞎#|˖+ ط.|e<o/rߔX>7s}VE.OVti׽ .5nNJO"95{#q}Ay9do]R"M6z\tnNS-D!@3N_jicWsy*5uٮRcWv/.,j}=S)j5C^> Ie =gu9ӛqjtz]۪TMoߧI!Ǧ¶m:,"[L!{qAv-o 3{"KʼnrIkfٶj2ƙ؄S`7` k6jzޞ?e5G&6uʷ2%ԒRKE*G\Npom F/V |C0.q_eenƣ<5Oh'67ɪn[SĽ{ڔjǘzs;~׌(ۂ`ܢ1ƣ` _l9Va6%UQWh~P~\F^ZHR@:ۧCJ{ôGeBh;~ۧnU J\O+n2 RҠ)ng}Kh{5+S×ܛ.1ZjG)iRȤIN 4%{oΜ/eO[Nffd ĹK?nnԼMqX'܌nZvq<ķbFnͪaQ`5 s,M_լ?-@_{w{ӺձJ}GF[%v\5[ŒGkOw/ΜM9rjË%2+rd~+󲕛C9U۳r[aJǭm|˒LAʨSCq[XMۺoubfp:t+ΤĻo ][ zt-*67kvS7D·MMCQXm;)܎n_h%]4ܙnRk!]ڵsDUF"`R, &#R_*[z*ZqFXɻ]7|۵w+'pFDەs=r./ᐚm3Hשy yD"jHCr':sA65نѮ^o1V/ f;nFr3VM)e*- s D'H݅fӧ\*޷[k<7u<-]֍Q8R h|p=WlW3s%Q %3l}@U-K6f-NϿu|ڴmWN׮[׸F*mW\%r! C78:޳vBG7ŵ.JթԚ2x)ST!řn~9 W:Wpܢ件{xf8ٳwKE ҰWxVB\qBZ 2wMb[lGSnyԚ~z9ZmያvoN2Afnݽjf>)j3 !;gOYʹK" Wftڎ+׭b*2ϻK>ۢӱeyԪXISUm[z+ugX%0lϏnvg!;t{BqPj>PyvR7Cj]O%+ݲ :qiMj6W}3vC/R=4Som]ŗ=ю, TF6U_-\6MyskwMr&Q\wjKܩyMϣUj0*}RZܷSdY3>Zjqj6TgzpA/M`/Cmл,޻feE[/+uk^Vs1W$G(JsW2ٰu*߻q*Y޵.Wi:ur5T),=0uRmho.twܖiYwrWHntvEj8qhf`Ͻpf(R&>Ki%I7$QӖm-2 ~yߗQ-앑/ x[k8nw.c㩵k}]FkbJl:{.(˩n0Hqvαp7 귎.Gupx[N`Yq'+ruU7[ү+>!xrȫoSo]OC# d^Q]\>!ƛGw^Mx"-+%vdX-:M2UR%d>%l ioSu6lsj7D P>XxHz Ukà(n^Q V>5cVtWj SEiJdznyej[lE' 3kuٌNn4JW)gB {4 j6&]' m-(ZMEz8cz>WZ6#7+[,MR-Z!4ܓtCyE|umj1ƽvƷV\;%>Q :#Le(iVz5 4ũۤUWxX ^(ҔsլB2w-V ^R+; ˂M\z+Uwr+RWY⺧~ Q*JcYSNSλUd8in=v K낫k\IRרSUaCFmϿ5̗P|u ZTԕ}>oYѲ1sfP+sQkX8Gb~6r,s>^\,mGL+7[n-E\.Fqḕcl*Jmjb5 ,m]c}NXfeVlǸJ5eˡ$4%g~N p4Y*WwW٧<8v#;qԩTut,m"#Y D\5V`\\Lȋ];LȇiS6ϝZ l>LruR\v=ǘϔDg=ԈdFZ+M{=|,[;0>RiSi4,S5}yxw&(E7&fݙ4UՕ! ~'Id)]ǽu2K-fޭ \08Vڅ쓬=Vy^^ IhyKR-B#Ըr=]mܻӾ'*Umkoy rTqT_i,/8Q^<ݤ|4ԻO(܄"'5N~#m.(Ҿ2i6Uev&I*<}҄$eNtÛzyWJubW^iBW.܅Wڮg]irO6Ve90sgv.+sV޿aޔ[p?3q*FutUo*eL\KM'EG*ZcAFfG5J 5jj=MJ3OK:k˝'NMB7m3uFҕ\-Ywg%PRqMIyZGY9|μvn߻5cWݷa^+X֥vnݘ\v7m>Fgzv"-;Ew֝}1|RjN𿊀7g#֟*GQQ|#/bo]p$>_Un9гUbn9׃ErQBU-^vDmVh'<R[fdHT]*~}3j;nvjc7s-rӳ Y8[n[1pJx kX[Jk9Mn!_Nю6x:iZ˦U |߉^Ԛ݃hYxk &U^bwKk.[jE+P(˞=9j@snCv7%c_7=xǁ<l {t'酚+1F‹l׭:ݻILruǶkL-L(K0L1&>wXB(pm;1fpnlp֓%Skidkt(U +xulo'/ڕeN r=^pZZ:Pnj8Hf"48ijY[ N[yZٻ+=  ø:3 ?^ܷ^Sr#YK[UF?CuhC b]GM')mڏsNrܗI]ljq6VB. W,UK"YX5{c >Iqā> T:n!,5l2VzCl|+I[*SrjnS6٨y+x,@>П.g+!rn9>N|W>OZT_ut Y""v7|sfި;Pclm EùN,{'fNT%U&LfH8~1v>Il}统u6P˗c(WV~H^bMU.o*oOF0N:_:6Smr_.b+|ݶYY غF,mwjv>f*>QM뭱Sd:`N{l/⎱;n-z~"Gze퇎J5S KG9!Gn;N1 ݎ h6m|S?ɂ5'WOÞ 7|7^ao @mxGmi^jϽ>01Mf0լD3-2T. VXR"ɥV Kl J O7|u?bvа;6.eߓ|[1bmRr,eRz`z 6܎-ͨku͹Fː dPhYgZUj}nvX;z=gVեTv_J }\1n7w2J?ޘγc\E 1Aޑzq;\r]]\Y&[nsNei\uURje*Qk2CSl*xJz-xٶlm+|UjUؓ`Ladqiĩ!Gd\W~fz;Tn*PdRM&T4`չSWq5k훶(N"Ӎ% V]֦wb.nUO!u*J&Oӕ2e|Z=eV쫚΅g#+/RW:طnbi*Wyo)p{:ETKؚR(RY+r웓r(IF) VmȵNB:h Q1ғ|u8E]{,'$-TR[j49l*3"I鯴zhd>Q+\BkNF=.$ZR4Nwհ(IpNi.(Gi33#33e$FXK*NdWrud[r{xnk$v2ıh+J1TQ[#JQl[tRO]LHKٮ NӍnF񨔤֞Em'MILB"ԋ%dBŋ+p̿_17jzT~4pc Vo\ƹb9Rq-'1j;8ܗ)hE%DZKS<璸Bu*%*Yw5ڻ9ۣ^z4U; Ñk\U(o~G?VUĎ:?P?_F_Kߤ~ᓾI |pr.Ok\SklRhҪz{­P .}SktZ7UQ4ڌIM8̈eaӊJZ%FFZu,KZvln廐SNFIVtuNi?CM5]+Ph,{jN JSR$IS^tSUVrORYu.9WyP6 [Kiu m!X|]Y79ӄ)\ģ)pbڳr%*&ꑶ_-H*dzk)1 V3')UAϹٶWRxe'պn۫h7AR9 EAJeGLms!%D| A 5]/Q3eb̄vnVn%za\m kZnv([emqrIҕij|""><hjJשvvǕ|Pޟs}V~2&Z?+2N&Z4w@)4iSڪ_>/JN9Hiۏuf8'It[ȲR.hZ$ȋ_Y ~U<UUO*6b)Ovzڜj\R̋.$FsQuҊj^נ䈈y<zZIuP[}Qm=C?zN(Exqu/kn S-FzKZzOסӽjJ\)F3b!r5ٝ|;6 o=-3*λ]αb\abqRi-w޵⦪~b8Kpo)Z=>)ғ"5/GTZLE-輵f7ݘ۹~+&+w/7GFI:l33fg.N~۲\2|*cnermnnM+Fq"ѪIz%j =YW8@~gc/~?N'?)«qȸs➟n=k" X“m֮VreMh2[uݖ] *FܖN)MȐ`f0 g,C9̑o;ddudJ=In13:ݒvvdMUEJLp^,6t-@͐9'{7m{-3,>hnF;ѰM)->>+Ěz!R* :`e--m7nB\u{b U>[8֪]6^ߤLʦ\DFNo$$dͶlgno8OrsQ\l̯hRo8tuNo+ CTxu!2[>ctFpeޓƻֶR"3QrQuOѳgwQr;S~)6HhZw/GgVTmUf_yt7%$];zLWF̰xy2Ʉu!MCmš_0[W6jf#a-KLi+3Q7c^qg%s<1aYIQeZf+}>;S6L0]Yu_h9߻<ƅpmiM$AVvŚ,*#t2.8Y)-Zhshü97/#Oro"u^/uFgWɺ,p:6a,^x%$Yve^3PƗMnTP&yS}OJ '덫MH^:rXԴJۋ/rI;S*,+yz1hv)Qw^ڍJ2oL׊q(\fDj:^T%vOadɂnS}ZO)N*λdaȜkG_PIEO}нa(^iQX᯦-7^)%g'SJx(.S9zVɴZ{E ))ۅi/s7 VIV-|sj0*UBTHIqRf>FP$KqN0 R̻8j\GcC}IUz\i 6F)Q{Gҧ3qSzKj-Az VЛS-zy:8*mNk|D鿓ND2u+0Yŝ7kqm·?8Ib]u>˗^_>(]vӋzv+ݩ){vZrJ2RQ몋C$z [,pp,8mڊbR]Il .f~d/ݓs㓓mͶ{mgjQwn=Oic9ܚm4Q/6ݨ[TƧ?nԶoytf{@AzT{e{[O'ZRZt~AGD?s3􌿂ՉIw'|~U\ w~di:Kޱ)U/sU%njѩ&GSP^ǝd)..!^U` 1wX[aԇSxoFV6_扐)T 2Mfd=ۖͭiZ7KK Bi9%7@<3<ճԻU,},a}FRqɛr i@ONJvK KLN M, ʖv0n-]DwlI-X6ܶ$Jʴh5O+mOI+Ra瞠\ MG7BفjYo1#͖0V`Ѱ2M?c8>-Crt*JkIGS:e#hPKx[鱼>{5m;wcն&>j-M֥^َ) 6yȜl_w{-ō̱r> U=]iw3)r*]:K]6BdCTZ|>gf}LW}[$'Y5 &c -j.z6R 67MԷFMnÌwI7w5E}o޽+K ֵy4܌ȥW"COyR[q5Ӱ͙f[v"_#q{MV6܍3"u9BK(41ӯqˇc${ߝCi6I(OmθzҜ5k^:>Jzw.>qV8{vU[ڶEm|DžBz].KHjI]x;Mɗ{m,qZXr忇2u^RO2Z}ZێS[2Jen!*NDcrBUً4<ǼMҲs1Zw57c3&ĖڻzmP*FuJG1-dN:|OU}ҵgi2t~F^^Z.VxjvŧnNNh<:]^~NN+ge^g.SԔGFe߯'[vn'(ScJ]kܗ7eJOlRrfziݮq̋S"\*U<*W]k$FջV}? 7g#֟*GQQ|#/bo]p$>_Un9;l S VvQU%OLU{οmU6bZ1MTx%!֙Q7, J=!3 ;Q,ڌ;6ͱ݅q^&ߔ·n #WbwӖX.HtG)N&d̵zpI,n cu ޖUj+VXUp[w]N o.J6Z8Ts&utxln;~HPHS/xw`G\ʡ¿rj Z^vt"[L:SD\h0sUwR,}[x^X,R2Vn< ]2YDr[SRKs8tXb̷G?Ps Tv 3be,zVz D[/I.KOEQrm'$7|[J>r S`5յwT#\w1FTz\Ԛ &"ׅhSHrD\'r]~/>p;:Piuu:"9ő=tTaS7V2rӷk7mb[^WmPp*[y.Þ6f]cizJCgRR@UVl큝.WJP1N{/\whZ ػϧӱE7|E֫Sί.x-Y&pi%v''-x6r'Ws*6=DwwUu]=C?MK [yrtܒG$!WGqJ*%SAz ED[^)/tė/g=#Omd.|^n/sl׉g DZqemqowݮRzUܜ=ڽ-o/Iۖ;qVʘgPp|mm;6zGl9.8pwWgsJ2qPbe}}UpNjٯ}7TMQKrؽtEx%v w߾8%|j;~|}pK]ơ/ w߾8%|j;~|}pK]ơ/ w&~e_H 8PL7:%ʭ5Kw&U2vwR_+rm'}C7#rWoO&HoG?M$UR7{FU]u ;# !Wk`|W>׹潇9Vn)6)*ҹ{%qV4q>W1vi#T"Qk&GwxcJBJ- Ϸ^ˁxkU}ԣ/3.;]J=<*)cS)ROK9H=,r zX @)cS)Da^ԽQ gxJI=w֣gf*TRj

#E-mail: pjy0079@epstech.co.kr, TEL: +82-42-320-0829
• Received: August 4, 2024   • Revised: September 19, 2024   • Accepted: September 24, 2024

Copyright © The Korean Society for Precision Engineering

This is an Open-Access article distributed under the terms of the Creative Commons Attribution Non-Commercial License (http://creativecommons.org/licenses/by-nc/3.0) which permits unrestricted non-commercial use, distribution, and reproduction in any medium, provided the original work is properly cited.

  • 83 Views
  • 0 Download
prev next
  • Recent advancements in science and technology have enabled even microsatellites to perform various high-level tasks. As the range of missions that satellites undertake expands, even microsatellites now require thrust systems for orbit adjustment and collision avoidance. In such satellite applications, sizes and weights of all electrical components and propulsion systems are restricted, emphasizing the importance of miniaturization and weight reduction. Research is ongoing in various methods to address these needs. To solve these challenges, this study proposed a design model for miniaturizing and lightening both Anode Power Module (APM) and gas supply system. The APM utilizing an LLC resonant converter achieved an efficiency of up to 86%. An evaluation of flow control characteristics of the proposed gas supply device showed that the flow control error was less than 2.3%, indicating effective results. A thermal mass flow sensor was developed to measure the flow of gas. Temperature characteristics derived from experiments were analyzed to assess their applicability to electric thruster systems for satellites.
최근 전 세계적으로 인공위성에 대한 관심이 높아지면서 스타링크와 같이 초소형위성을 수십-수백 대를 궤도상에 올려 일정한 간격을 유지하면서 비행하는 형태인 군집 비행 위성에 대한 수요가 증가하고 있다. 또한, 인공위성은 기본적으로 긴 수명, 높은 연산량이 요구되지만, 최근에는 광학기술 및 전자기술의 발전으로 초소형 위성으로도 고부가가치의 임무수행이 가능하기에 인공위성의 발사 비용 절감에도 큰 영향을 준다[1-4].
전기 추진 시스템은 화학 추진 시스템에 비해 연료 질량을 크게 줄임으로써 궤도 유지, 궤도 이동, 충돌 회피 등 위성 운영자에게 다양한 기능을 제공하며, 2010년에 들어서는 전기추력 시스템을 인공위성에서 가장 많이 사용되고 있는 것으로 집계되었다[5,6]. 인공위성에 사용되는 전기 추력기에는 여러 가지 종류가 있지만, 주로 사용되는 추력기는 홀 추력기이다. 이는 다른 전기 추력기에 비해 소비전력 대비 추력이 50 nN/kW 이상이며, 1,500 s 이상의 큰 비추력을 보유하고 있다. 이와 같이 높은 추력밀도를 갖는 장점으로 수요가 증가하고 있다. 하지만, 기존의 전기 추력기는 크기가 크고 무게가 많이 나가는 문제로 인해 초소형위성에 적용하기 어렵다. 따라서 초소형 위성을 위한 전기 추력기의 소형 경량화 기술이 요구된다[7-9].
홀 추력기의 구성요소는 크게 Gas Tank, Thruster (Anode, Cathode), 제논가스 공급 장치(Xenon Feed System), 전력 처리장치(Power Processing Unit)로 되어 있다. 제논가스를 사용하는 홀 추력기 시스템에서 무게에 가장 큰 영향을 미치는 부분은 Gas Tank이지만, 홀 추력기 시스템에서 Thruster와 Gas Tank의 경우 기술의 한계로 인해 추가적인 소형 경량화에는 어려움이 있기에 기타 홀 추력기의 구성품 중 제논가스 공급 장치와 Anode 전력 공급 장치에 대하여 소형 경량화 진행이 필요한 실정이다[10,11].
일반적으로 위성용 전원에서는 단순한 구조로 설계되는 Buck-boost 컨버터를 선호하지만 홀 추력기의 PPU는 입력 전원과 출력 전원이 절연된 구조가 아닌 경우 전원의 안전성이 좋지 않다[12-14]. 이와 같은 문제를 해결하기 위해서 절연형 DC/DC 컨버터가 도입되어 Flyback과 푸시 풀과 같은 토폴로지를 적용하여 왔지만, 동작 중 전압 또는 전류 스파이크가 발생할 수 있다[15,16].
기존의 전기 추력기용 가스 공급 장치의 경우 구조적 간결성과 제어성에만 초점이 맞춰진 연구가 진행되어 왔으며, 압력 조절을 통해 오리피스를 하류로 공급하는 솔레노이드 뱅뱅제어에 의존했다. 이는 압력을 차단하기 위한 별도의 장치가 필요한 문제가 있다[17,18]. 따라서 본 연구에서는 홀 추력기의 핵심 구성요소 중 전력 공급 장치의 APM은 LLC 공진형 컨버터를 적용하고 가스 공급 장치는 PFCV를 적용하여 홀 추력기의 소형 경량화 설계 방안을 도출하고자 한다. 이는 프로토타입을 제작하여 성능 실험을 진행하여 적용 가능성을 확인할 수 있다.
2.1 Anode 전력 공급 장치
홀 추력기에서 Power Processing Unit (PPU)는 크게 Anode Power Module (APM)과 Cathode Power Module (CPM)로 구성된다. 일반적으로 CPM은 0.1 A 수준의 낮은 출력 전류를 갖지만, APM은 200-300 V, 1-2 A 수준으로 높은 출력 전력을 갖는다. 기존의 전기 추력기의 PPU는 Buck 컨버터나 Boost 컨버터를 통해 개발되어 상대적으로 크기가 크고 효율이 낮은 상황이다[12-14,19]. 따라서 본 연구에서는 높은 스위칭 주파수 동작으로 변압기, 필터 등 수동소자의 크기를 감소시킬 수 있고, 높은 전력 밀도를 갖는 등 많은 장점을 보유하고 있는 LLC 공진형 컨버터에 SiCFET소자 적용을 통한 Small Size DC/DC 컨버터를 개발하고자 한다.
LLC 공진형 컨버터의 구성은 스위칭 네트워크, 공진 네트워크, 정류 네트워크로 되어 있다. 여기서 스위칭 네트워크는 Full-bridge 또는 Half-bridge 유형으로 구성할 수 있으며, Fig. 1은 Full-bridge 정류기를 갖춘 Half-bridge LLC 공진형 컨버터의 구성을 보여준다. 여기서 Lr은 공진 인덕턴스, Lm은 자화 인덕턴스이며, Cr은 공진 커패시턴스를 의미한다. 또한 LlkpLlks는 변압기 1차측 및 2차측의 누설 인덕턴스이다. 이와 같은 공진형 컨버터에는 CrLr에 의해 결정되는 직렬 공진주파수와 Cr, LrLm에 의해 결정되는 병렬 공진주파수로 두 개의 공진 주파수가 있다. 두 공진 주파수는 식(1)식(2)와 같다[20,21].
Fig. 1

Configuration of a half-bridge LLC resonant converter

KSPE_2024_v41n11_889_f001.jpg
(1)
fr=12πLrCr
(2)
fm=12πLr+LmCr
공진 인덕터는 변압기와 분리되어 있기에 변압기에 의한 누설 인덕턴스가 존재하게 된다. 이와 같이 누설 인덕턴스를 고려한 LLC 공진형 컨버터 설계가 필요하다. 설계 시 계산의 복잡성을 줄이기 위해 2차 누설 인덕턴스는 1차 누설 인덕턴스와 같다고 가정하여 Fig. 2와 같이 등가회로를 구성하였다[22,23].
Fig. 2

Equivalent circuit of an LLC resonant converter

KSPE_2024_v41n11_889_f002.jpg
푸리에 해석을 통해 인버터의 전압 Vinv식(3)과 같이 정의되며, 일반적으로 LLC 공진형 컨버터의 설계를 위해서 FHA(First Harmonic Approximation)방법을 많이 사용하고 있어 FHA 접근 방식을 기반으로 한 Half-bridge LLC 공진형 컨버터의 출력 전압은 식(4)와 같이 정의된다.
(3)
Vinv=4VdcπΣm=1,3,5,71msinmωt
(4)
Vinv1=4Vdcπsinωt
LLC 공진형 컨버터의 전압이득은 입력전압과 출력전압의 비로 Fig. 2의 등가회로를 통해 구할 수 있으며, 식(5)와 같이 정리하였다.
(5)
Ms=VoVinv1=nSLm//ReqSLm//Req+SLr+1SCr
여기서 Cr, Lr, Lm, Req, n, 은 각각 공진 커패시턴스, 공진 인덕턴스, 자화 인덕턴스, 등가저항, 변압기 권선비를 의미하며, 식(5)Table 1의 매개변수를 통해 정리할 수 있다.
Table 1

Parameter definitions of an LLC resonant converter

Table 1
Parameter Define
Characteristic impedance [Z] Z=√(Lr/Cr)
Quality factor [Q] Q=Z/Req
Resonant frequency [ωo] ωo = 1/√(LrCr)
Series inductance [Lp] Lp = Lm+Lkp
Resonant inductance [Lr] Lr = Lkp+Lm//n2Lks
= Lkp+Lm//Lkp
Inductance ratio [k] k = Lp/Lr
Equivalent resistance [Req] Req = (8n2Vo2)/(π2Po)
식(5)에서 라플라스 변환에 의해 S = 가 되며, 이를 적용하면 전압이득은 식(6)과 같이 정리할 수 있다.
(6)
MQ,k,ω,ωo=nωωo2kk-11-ωωo2k2+ωωo2Q2k-121-ωωo2
이렇게 얻은 전압이득 식은 인덕턴스 비 = 3, 직렬 공진 주파수와 병렬 공진 주파수의 비 0부터 1.5구간 일 때 여러 개의 Q 값에 대하여 전압이득 곡선을 Fig. 3과 같이 나타낼 수 있다. Fig. 3에서 알 수 있듯이 공진주파수에서 전압이득은 거의 독립적인 특성을 보인다는 것을 알 수 있으며, 이는 LLC 공진형 컨버터의 독특한 장점이라고 할 수 있다.
Fig. 3

Voltage gain curve of an LLC resonant converter

KSPE_2024_v41n11_889_f003.jpg

2.1.1 DC/DC 컨버터 설계

제안하는 LLC 공진형 컨버터는 Half-bridge 구조이며, 이 컨버터의 특징을 고려하여 공진 주파수를 450 kHz 기준으로 설계를 진행한다. 컨버터의 최대 출력은 250V, 1A로 250W이다. 컨버터의 사양은 Table 2에 정리하였으며, 설계는 앞 절에서 구한 식을 통해 수행된다.
Table 2

Design specifications of an LLC resonant converter

Table 2
Parameter Value
Input voltage [V] 28
Output voltage [V] 250
Output max current [A] 1
Output power [W] 250
Switching frequency [kHz] 300-450
Resonant frequency [kHz] 450
변압기의 권선비는 입력 전압 Vdc와 출력 전압 Vo의 비로 식(7)을 통해 간단하게 구할 수 있다.
(7)
n=Vdc2Vo+2Vd
여기서 Vd는 정류 다이오드의 전압강하를 의미한다.
일반적으로 전압이득은 부하조건 및 주파수 변화에 따라 영향을 받지만 입력전압의 변화에도 영향을 받는다. 이러한 이유로 전압이득의 최솟값과 최댓값을 알아야 하며, 스위칭 손실을 최소화하기 위해서 이득 곡선을 통해 항상 ZVS 동작이 가능한 영역이 되도록 선정되어야 한다. 제안된 컨버터는 입력 및 출력전압이 고정되어 있기에 이득상수를 통해 식(8)과 같이 구해진다.
(8)
Mmax=1.20×2nVoVdc
인덕턴스 비를 결정하기 위해서는 공진 인덕턴스 값을 선정해야 한다. 이는 일반적인 방법이 아닌 엔지니어링적인 경험에 기반하여 수행된다. 제안된 컨버터의 설계 시 인덕턴스 비 k를 5로 고정하고 95%의 마진을 고려하면 Quality Factor는 식(9)와 같이 계산할 수 있다.
(9)
Q=0.95k|M|maxk+|M|max2|M|max2-1
공진 네트워크의 공진 커패시턴스, 공진 인덕턴스, 자화 인덕턴스의 값은 다음 식으로 정의하여 구할 수 있다.
(10)
Cr=12πfrQReq
(11)
Lr=CrQReq2=QReq2πfr
(12)
Lm=kLr
설계된 LLC 공진형 컨버터의 파라미터는 Table 3에 정리하였으며, 이를 바탕으로 LLC 공진형 컨버터를 제작하였다. Fig. 4는 제안된 LLC 공진형 컨버터의 프로토타입을 보여준다. 250W 급 DC/DC 컨버터의 크기는 100 × 72 mm이며, 무게는 200 g 이하로 제작되었다.
Table 3

Design parameters of an LLC resonant converter

Table 3
Parameter Value
Equivalent resistance [Ω] 0.63
Resonant capacitance [nF] 754
Resonant inductance [nH] 135
Magnetizing inductance [nH] 403
Quality factor [Q] 0.67
Inductance ratio [k] 3
Transformer ratio [n] 1:18
Fig. 4

Prototype of LLC resonant converter

KSPE_2024_v41n11_889_f004.jpg
2.2 가스 공급장치
홀 추력기의 연료로 주로 사용되는 가스는 제논가스와 크립톤가스이다. 이와 같은 가스는 홀 추력기에 수 - 수십 SCCM(Standard Cubic Centimeters per Minute)으로 공급해야 한다. 가스 공급장치의 구성은 가스 저장 탱크, 압력 조절기, 유량 제어기, 센서, 밸브, 필터로 구성된다. 가스 저장 탱크는 30 Mpa 이상 고압의 제논가스를 저장할 수 있는 재질로 CFRP (Carbon Fiber Reinforced Plastic)가 주로 사용되며, 초소형 위성급에서 사용되는 탱크의 무게는 미 충전 상태에서 약 4 kg이 기준이다. 일반적인 제논가스 공급장치는 Fig. 5와 같이 별도의 유량제어장치 없이 압력 조절기, 오리피스 그리고 가스 공급 및 차단을 위한 밸브로 구성된다. 압력 제어를 통한 유량 조절은 온도에 영향으로 정밀한 제어가 어려우며, 정밀한 유량제어를 위해서 오리피스의 형상이 매우 중요하지만, 유량이 작을수록 오리피스의 정밀가공이 어려운 문제가 있다[24-26].
Fig. 5

Configuration of the existing gas supply system

KSPE_2024_v41n11_889_f005.jpg
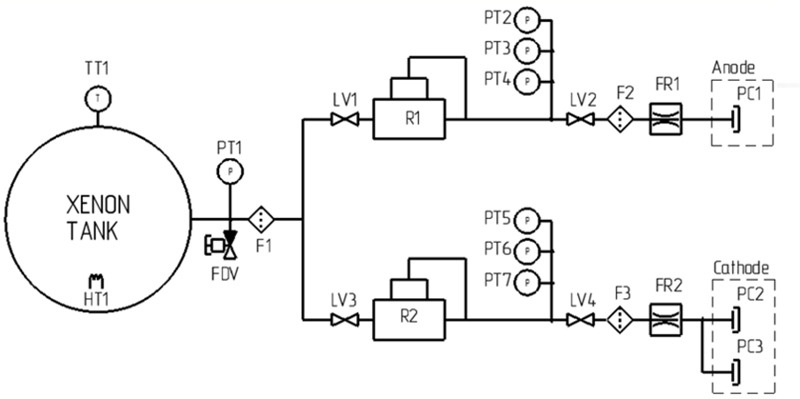
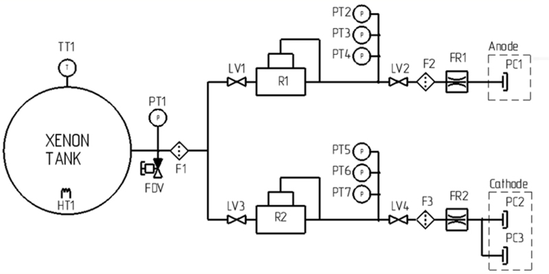
기존의 가스 공급 장치의 구성은 물리적인 부피와 무게를 감소시키기에는 한계가 있어 Fig. 6과 같이 가스 공급 장치를 제안하고자 한다. 제안하는 가스 조절 장치는 기존의 압력조절기, 솔레노이드밸브, 오리피스를 PFCV (Propulsion Proportional Flow Control Valve)로 적용하고 압력센서 대신 유량센서를 사용하여 구성한 것이다.
Fig. 6

Configuration of the proposed gas supply system

KSPE_2024_v41n11_889_f006.jpg
우주에서 사용할 수 있는 유량센서는 현실적으로 구하기가 매우 어렵기에 열식 질량 유량계를 통한 유량을 계측하고자 한다. Fig. 7은 열식 유량계를 나타낸다. 일반적으로 열식 유량계는 열교환을 통한 온도 변화로 유체의 유량을 예측하는 방법으로 온도 차는 식(13)을 통해 구할 수 있다[27-29].
Fig. 7

Flow measurement method of a thermal mass flow meter

KSPE_2024_v41n11_889_f007.jpg
(13)
ΔT=T1-T2
Fig. 8은 제안된 가스 공급 장치의 회로도 및 프로토타입을 나타내는 그림이며, Fig. 9는 가스 공급 장치 및 온도센서 실험 구성도이다. 실험장치에 사용 파이프의 재질은 고장력 스테인리스인 SUS304를 사용하였으며, 가스 공급 압력은 PFCV의 허용 압력을 기준으로 0.5 Mpa으로 공급하여 실험을 진행하였다. 본 연구를 통해 유량센서의 적용 가능성 및 PFCV를 통한 유량제어 가능성을 확인하고자 한다.
Fig. 8

Schematic of the gas supply system

KSPE_2024_v41n11_889_f008.jpg
Fig. 9

Configuration of the gas supply system and flow sensor experimental setup

KSPE_2024_v41n11_889_f009.jpg
3.1 Anode Power Module 실험 결과
APM의 프로토 타입 제작을 통해 LLC 공진형 컨버터의 특징인 ZVS 구동과 최대 출력을 확인하였다. APM에서 스위칭 소자는 SICFET를 사용하였으며, 변압기는 N97 페라이트 코어를 사용하여 제작하였다. 출력을 확인하기 위해서 실험 장치 구성은 Fig. 10과 같이 전원공급장치, 오실로스코프, 전자부하로 구성하였다.
Fig. 10

Schematic of equipment configuration for experiment

KSPE_2024_v41n11_889_f010.jpg
Fig. 11은 LLC 공진형 컨버터의 실험 결과 파형이다. 실험을 통하여 최대 출력일 때 공진전류는 Peak to Peak 26.5A가 흐르며, 스위칭 주파수가 약 360 kHz임에도 ZVS동작이 수행되기에 스위칭 손실없이 전도손실만 존재하는 것으로 확인하였다. 또한, 스위치 Turn on시에 노이즈가 발생하지만 이는 Turn on에 필요한 Gate 전압보다 높은 20 V 이상에서 발생하기에 출력에는 영향을 주지 않는다. 따라서 Turn on 및 Turn off는 원활하게 수행되는 것을 알 수 있다. 실험을 통하여 APM의 출력은 최대 250 W(250 V, 1 A)를 도출하였으며, 출력 전력에 대한 노이즈도 매우 낮은 것을 알 수 있다. 이때 효율은 약 86%로 확인하였다.
Fig. 11

Output experiment of an LLC resonant converter

KSPE_2024_v41n11_889_f011.jpg
3.2 열식 질량 유량 센서 실험결과
열식 질량 유량 센서 제작을 위해 텅스텐 와이어와 NTC-thermistor(Negative Temperature Coefficient Thermistor)를 사용하여 유량 센서 제작 가능성을 확인하고자 한다. 유량 센서의 실험은 금속 튜브에 텅스텐 와이어 권선하여 가열하고 열원으로부터 10 mm 간격으로 NTC-thermistor를 설치하여 기체의 흐름에 의한 온도의 차이를 확인하였다.
Fig. 12는 유량에 따른 NTC-thermistor의 온도 차이를 실험한 결과이다. 온도 차이는 최대 4.88, 최소 0.16oC 발생한다. 유량이 낮은 구간에서는 온도 차이가 작지만 5 ccm의 유량으로도 온도 차이가 발생하는 것으로 낮은 유량에서도 유량을 계측할 수 있을 것이다. 유량의 크기에 따라 온도 차이가 변화하지만 30 ccm부터 포화되어 온도가 상승하지 않는 것을 확인할 수 있다. 이는 히터 전류를 높이면 해결될 것으로 판단되며, 이와 같은 특성을 통해 인공위성용 유량 센서로 사용할 수 있는 것으로 판단된다.
Fig. 12

Temperature measurement results according to flow rate

KSPE_2024_v41n11_889_f012.jpg
3.3 가스 공급 장치 실험결과
가스 공급 장치의 실험은 PFCV를 통한 유량 제어성능을 확인하기 위해서 초소형 위성에 사용되는 홀 추력기의 요구 추력에 대응할 수 있는 5-40 ccm 범위에서 5 ccm 단위로 유량 제어를 진행하였다. 유량 제어가 원활하게 수행되는지에 대한 검증을 위해서 유량 센서를 추가로 설치하여 유량 센서에서 출력되는 신호를 기반으로 오차를 확인하였다.
Fig. 13은 유량 제어 결과 그래프이다. Figs. 13(a)는 유량 센서의 출력 전압과 PFCV의 제어 전압을 나타낸 그래프이며, 13(b)는 유량제어 오차 그래프이다. Fig. 13(a) 그래프를 통해 유량 변화에 따라 PFCV를 제어하는 전압도 비례적으로 상승하는것을 확인할 수 있다. 이를 통해 PFCV밸브의 열림 정도에 따라 유량이 제어되는 것을 알 수 있으며, 가스탱크의 압력에 따라 제어 전압이 변화하지만 제어변수는 유량에 독립적인 것을 알 수 있다.
Fig. 13

Flow control results

KSPE_2024_v41n11_889_f013.jpg
Fig. 13(b) 그래프에 나타내었듯이 제어 유량과 실제 유량의 차이는 최대 0.85, 최소 0.275 ccm이 도출되었으며, 오차가 최대인 구간은 유량이 가장 큰 50 ccm이다. 하지만, 오차율로 분석하였을 때는 5 ccm이 5.4%로 가장 큰 오차율이 도출된 것을 확인할 수 있다. 이는 공기 유량이 매우 작아 오차율이 크게 나타난 것으로 보이며, 전체적으로 평균 오차가 약 2.3%로 유량제어에는 문제가 없는 것으로 판단된다.
본 연구를 통해 기존 전기 추력 시스템에서 사용되고 있는 Power Module 및 가스 공급장치에 대하여 경량화 방안을 제시하고 프로토 타입을 제작 후 실험을 통해 각 장치에 대한 성능을 검증하였다. 또한 가스 공급장치의 경우 우주용 유량센서 개발 위해 센서에 대한 적용 가능성도 확인하였다.
Anode Power Module의 경우 LLC 공진형 컨버터를 통해 공진 주파수를 450 kHz로 하여 커패시터 및 인덕터의 크기 및 용량을 감소시킬 수 있어 제작된 기판의 무게를 약 200g까지 줄일 수 있는 것을 확인하였다. 여기에 구조물이 제작된다고 하여도 총 무게는 500 g 미만으로 제작 가능할 것으로 판단된다. 또한 현재 100 × 72 mm 크기의 250 W급 DC/DC 컨버터는 상용화된 제품이 존재하지 않기에 경량화 적용에 큰 영향을 줄 수 있을 것으로 사료된다.
전기 추력기용 가스 공급 장치의 설계 방안을 제시하고 실험을 통해 제논가스의 유량 제어 시 오차가 2.3%로 제어됨을 확인하였다. 또한, 가스 공급 압력에 따른 PFCV의 제어 전압은 압력이 0.5 Mpa 일 때 6.40에서 7.85 V, 0.1 Mpa일 때 9.20에서 11.09 V로 압력이 높을수록 낮은 제어전압을 요구하지만 실제 유량제어는 공급 압력에 무관하게 원활히 수행되는 것으로 판단된다.
유량을 간접적으로 계측하기 위해서 열식 질량 유량 센서의 적용 가능성을 확인하였다. 2개의 온도센서의 온도차이가 0.16부터 4.88oC까지 선형적으로 도출됨에 따라 유량 센서의 특성을 도출하였으며, 유량이 40 cm 이상이 되면 포화되지만, 이는 열원의 전력을 높이거나 온도 센서의 거리를 조절하면 해결 가능할 것으로 판단된다.
가스 공급 장치는 기존에 사용되고 있는 방식대비 구조 및 제어가 간단하고 구성품 수를 줄일 수 있는 PFCV 유량 제어 방식과 열식 질량 유량 센서를 적용한다면 전기 추력 시스템에 추가적인 경량화가 가능할 것으로 예상된다.
큐브 위성부터 초소형 위성에 사용되는 전기 추력 시스템을 적용하기 위해서는 소모 전력도 중요하지만 위성의 무게에 대한 큰 제한사항이 있다. 본 연구에서 제안된 전력 공급 모듈과 가스 공급장치를 적용한다면 전기 추력 시스템을 경량화하는데 큰 도움이 될 것으로 사료된다.
향후 본 연구에서 제시된 열식 질량 유량 센서를 보다 고도화하여 제안된 가스 공급 장치에 적용하여 정밀한 제어가 가능한 가스 공급장치를 개발하고, Anode Power Module과 함께 실제 전기 추력기에 적용하여 전기 추력기 방전 실험을 통한 성능검증을 진행할 예정이다.
본 결과물은 2024년도 교육부의 재원으로 한국연구재단의 지원을 받아 수행된 지자체-대학 협력기반 지역혁신 사업의 결과입니다(2021RIS-004).
  • 1.
    Hamley, J. A., (1996), Direct drive options for electric propulsion systems, IEEE Aerospace and Electronic Systems Magazine, 11(2), 20-24.
    10.1109/62.484301
  • 2.
    Sandau, R., (2010), Status and trends of small satellite missions for Earth observation, Acta astronautica, 66(1-2), 1-12.
    10.1016/j.actaastro.2009.06.008
  • 3.
  • 4.
    Buchen, E., (2015), Small satellite market observations, AIAA/ USU Conference on Small Satellites. https://digitalcommons.usu.edu/smallsat/2015/all2015/51/
  • 5.
    Lev, D. R., Alon, G., (2017), Operation of a hollow cathode neutralizer for sub-100-W hall and ion thrusters, IEEE Transactions on Plasma Science, 46(2), 311-318.
    10.1109/TPS.2017.2779409
  • 6.
    Wang, Y., Ding, W., Cheng, L., Yan, J., Li, Z., Wang, J., Wang, Y., (2017), An investigation of discharge characteristics of an electrothermal pulsed plasma thruster, IEEE Transactions on Plasma Science, 45(10), 2715-2724.
    10.1109/TPS.2017.2738330
  • 7.
    Mazouffre, S., (2016), Electric propulsion for satellites and spacecraft: established technologies and novel approaches, Plasma Sources Science and Technology, 25(3), 033002.
    10.1088/0963-0252/25/3/033002
  • 8.
    Boeuf, J.-P., (2017), Tutorial: Physics and modeling of hall thrusters, Journal of Applied Physics, 121(1), 011101.
    10.1063/1.4972269
  • 9.
    Lev, D., Myers, R. M., Lemmer, K. M., Kolbeck, J., Koizumi, H., Polzin, K., (2019), The technological and commercial expansion of electric propulsion, Acta Astronautica, 159, 213-227.
    10.1016/j.actaastro.2019.03.058
  • 10.
    Matsunaga, Y., Takahashi, T., Watanabe, H., Goto, D., Cho, S., Kusawake, H., Kurokawa, F., Kajiwara, K., Funaki, I., (2021), Wide-output range power processing unit for 6-kW hall thruster, IEEE Transactions on Aerospace and Electronic Systems, 58(3), 1609-1620.
    10.1109/TAES.2021.3117520
  • 11.
    Fang, M., Zhang, D., Qi, X., (2022), A novel power processing unit (PPU) system architecture based on HFAC bus for electric propulsion spacecraft, IEEE Journal of Emerging and Selected Topics in Power Electronics, 10(5), 5381-5391.
    10.1109/JESTPE.2022.3182029
  • 12.
    Elserougi, A., Massoud, A. M., Ahmed, S., (2016), A boost-inverter- based bipolar high-voltage pulse generator, IEEE Transactions on Power Electronics, 32(4), 2846-2855.
    10.1109/TPEL.2016.2576562
  • 13.
    Garcia, O., Alou, P., Oliver, J., Diaz, D., Meneses, D., Cobos, J., Soto, A., Lapena, E., Rancano, J., (2013), Comparison of boostbased MPPT topologies for space applications, IEEE Transactions on Aerospace and Electronic Systems, 49(2), 1091-1107.
    10.1109/TAES.2013.6494401
  • 14.
    Axelrod, B., Berkovich, Y., Tapuchi, S., Ioinovici, A., (2009), Single-stage single-switch switched-capacitor buck/buck-boost-type converter, IEEE Transactions on Aerospace and Electronic Systems, 45(2), 419-430.
    10.1109/TAES.2009.5089531
  • 15.
    Yang, S. H., Tsai, T.-H. Chen, H., Chiu, C.-C., Chen, K.-H., Lin, Y.-H., Lin, J.-R., Tsai, T.-Y., (2016), High accuracy knee voltage detection for primary-side control in flyback battery charger, IEEE Transactions on Circuits and Systems I: Regular Papers, 64(4), 1003-1012.
    10.1109/TCSI.2016.2624743
  • 16.
    Dragonas, F. A., Neretti, G., Sanjeevikumar, P., Grandi, G., (2015), High-voltage high-frequency arbitrary waveform multilevel generator for DBD plasma actuators, IEEE Transactions on Industry Applications, 51(4), 3334-3342.
    10.1109/TIA.2015.2409262
  • 17.
    Lee, E., Lee, H., Moon, Y., Kang, S., Kim, Y., Jeong, Y., Yoon, H., Son M., Sayegh, A. M. A., Cerrón, M. L., (2018), Development of robust and affordable xenon feed unit for hall effect propulsion systems, Proceedings of the Space Propulsion, SP2018_00007.
  • 18.
    Osborn, M., Netwall, C., (2009), High performance xenon flow system (XFS) optimized for low mass, volume, and cost, Proceedings of the 45th AIAA/ASME/SAE/ASEE Joint Propulsion Conference & Exhibit, 4909.
    10.2514/6.2009-4909
  • 19.
    Jiao, T., Sha, D., Wang, L., Jia, X., Gao, C., (2024), High voltage wide output range isolated DC-DC converter for micro-newton ion thruster, IEEE Transactions on Aerospace and Electronic Systems (Early Access), 1-10.
    10.1109/TAES.2024.3400170
  • 20.
    Shen, Y., Zhao, W., Chen, Z., Cai, C., (2018), Full-bridge LLC resonant converter with series-parallel connected transformers for electric vehicle on-board charger, IEEE Access, 6, 13490-13500.
    10.1109/ACCESS.2018.2811760
  • 21.
    Sun, S., Fu, J., Wei, L., (2021), Optimization of high-efficiency half-bridge LLC resonant converter, Proceedings of the 40th Chinese Control Conference (CCC), 5922-5926.
    10.23919/CCC52363.2021.9550087
  • 22.
    Choi, H., (2007), Analysis and design of LLC resonant converter with integrated transformer, Proceedings of the APEC 07- Twenty-Second Annual IEEE Applied Power Electronics Conference and Exposition, 1630-1635.
    10.1109/APEX.2007.357736
  • 23.
    Choi, H.-S., (2007), Design consideration of half-bridge LLC resonant converter, Journal of Power Electronics, 7(1), 13-20.
  • 24.
    Coxhill, I., Gibbon, D., (2005), A xenon resistojet propulsion system for microsatellites, Proceedings of the 41st AIAA/ASME/ SAE/ASEE Joint Propulsion Conference & Exhibit, 4260.
    10.2514/6.2005-4260
  • 25.
    Lee, J., Kim, D. H., Lee, J. C., So, S., Kim, Y., Sirl, Y., Son, M., Shin, D. Y., Yoon, H., (2022), Development of compact xenon feeding unit for 100W class hall effect propulsion system, Space Propulsion 2022.
  • 26.
    Yurkov, B., Asmolovskyi, S., Pererva, V., Voronovskyi, D., Kulagin, S., (2023), Optimization of the accumulator tank filling modes of the xenon feed system for electric propulsion system, Eastern-European Journal of Enterprise Technologies, 125(2), 78.
    10.15587/1729-4061.2023.287007
  • 27.
    Huijsing, J. H., Van Dorp, A. L. C., Loos, P. J. G., (1988), Thermal mass-flow meter, Journal of Physics E: Scientific Instruments, 21(10), 994.
    10.1088/0022-3735/21/10/017
  • 28.
    Yu, Y. M., He, Z. H., Roesler, H., Solano, C., Zhang, Z., (2020), Design and application of thermal mass flow meter in space, Nuclear Instruments and Methods in Physics Research Section A: Accelerators, Spectrometers, Detectors and Associated Equipment, 950, 163003.
    10.1016/j.nima.2019.163003
  • 29.
    Cascetta, F., Rotondo, G., Piccato, A., Spazzini, P. G., (2016), Calibration procedures and uncertainty analysis for a thermal mass gas flowmeter of a new generation, Measurement, 89, 280- 287.
    10.1016/j.measurement.2016.03.073
Jin Young Park
KSPE_2024_v41n11_889_bf001.jpg
Director of research in the laboratory, EPS Tech Co., Ltd. He received a degree in automotive engineering from Kongju National University in 2017 and a doctorate in mechanical engineering in 2023. From 2021 to 2023, he worked as a senior researcher in the RIS Mobility Business Division. His research interests include electric vehicle battery chargers, power conversion devices, DC-DC converters, and satellite power systems.

Download Citation

Download a citation file in RIS format that can be imported by all major citation management software, including EndNote, ProCite, RefWorks, and Reference Manager.

Format:

Include:

Study on Miniaturization and Lightweight Method of Electric Thruster Power and Gas Supply Device for Micro Satellite
J. Korean Soc. Precis. Eng.. 2024;41(11):889-896.   Published online November 1, 2024
Download Citation

Download a citation file in RIS format that can be imported by all major citation management software, including EndNote, ProCite, RefWorks, and Reference Manager.

Format:
Include:
Study on Miniaturization and Lightweight Method of Electric Thruster Power and Gas Supply Device for Micro Satellite
J. Korean Soc. Precis. Eng.. 2024;41(11):889-896.   Published online November 1, 2024
Close

Figure

  • 0
  • 1
  • 2
  • 3
  • 4
  • 5
  • 6
  • 7
  • 8
  • 9
  • 10
  • 11
  • 12
Study on Miniaturization and Lightweight Method of Electric Thruster Power and Gas Supply Device for Micro Satellite
Image Image Image Image Image Image Image Image Image Image Image Image Image
Fig. 1 Configuration of a half-bridge LLC resonant converter
Fig. 2 Equivalent circuit of an LLC resonant converter
Fig. 3 Voltage gain curve of an LLC resonant converter
Fig. 4 Prototype of LLC resonant converter
Fig. 5 Configuration of the existing gas supply system
Fig. 6 Configuration of the proposed gas supply system
Fig. 7 Flow measurement method of a thermal mass flow meter
Fig. 8 Schematic of the gas supply system
Fig. 9 Configuration of the gas supply system and flow sensor experimental setup
Fig. 10 Schematic of equipment configuration for experiment
Fig. 11 Output experiment of an LLC resonant converter
Fig. 12 Temperature measurement results according to flow rate
Fig. 13 Flow control results
Study on Miniaturization and Lightweight Method of Electric Thruster Power and Gas Supply Device for Micro Satellite
Parameter Define
Characteristic impedance [Z] Z=√(Lr/Cr)
Quality factor [Q] Q=Z/Req
Resonant frequency [ωo] ωo = 1/√(LrCr)
Series inductance [Lp] Lp = Lm+Lkp
Resonant inductance [Lr] Lr = Lkp+Lm//n2Lks
= Lkp+Lm//Lkp
Inductance ratio [k] k = Lp/Lr
Equivalent resistance [Req] Req = (8n2Vo2)/(π2Po)
Parameter Value
Input voltage [V] 28
Output voltage [V] 250
Output max current [A] 1
Output power [W] 250
Switching frequency [kHz] 300-450
Resonant frequency [kHz] 450
Parameter Value
Equivalent resistance [Ω] 0.63
Resonant capacitance [nF] 754
Resonant inductance [nH] 135
Magnetizing inductance [nH] 403
Quality factor [Q] 0.67
Inductance ratio [k] 3
Transformer ratio [n] 1:18
Table 1 Parameter definitions of an LLC resonant converter
Table 2 Design specifications of an LLC resonant converter
Table 3 Design parameters of an LLC resonant converter