Skip to main navigation Skip to main content
  • E-Submission

JKSPE : Journal of the Korean Society for Precision Engineering

OPEN ACCESS
ABOUT
BROWSE ARTICLES
EDITORIAL POLICIES
FOR CONTRIBUTORS
SPECIAL

굴삭기 선회시스템의 관성 내구 시험을 위한 플라이휠의 등가관성 모멘트 결정

Determination of Equivalent Moment of Inertia of Flywheel for Inertial Endurance Test of Excavator Slewing System

Journal of the Korean Society for Precision Engineering 2017;34(6):383-390.
Published online: June 1, 2017

1 한국기계연구원 스마트설계연구실

2 서울대학교 바이오시스템·소재학부

1 Department of System Reliability, Korea Institute of Machinery & Materials JFIFddDuckydqhttp://ns.adobe.com/xap/1.0/ Adobed     ! 1AQa"q 2#w8B36v7XRr$9bCt%u&Ws'(xy4T5fH  !1AQaq"2B Rbr#u67Ѳ3sTt5v8Sc$4ĂCÔ%UӅFV ?_Aנj- H>>,m*>fzp"TrKkr^r.|_&]|*vPuܶvoQ1mwVJUhu-I"=LniAƕ8"۲ k*ҿ[yu:.vUQ+)%F DHyVBk>Hy8jݹ q~9D4KRmzQ)^ʔ.J%k_tVi5NTjg!'ky|5asOȻ)R۸ߩFMԿ3L4j6dڜ#NIwUF]JqB/(FafJRzq3\G՛ ?~\ 6)6W4m[O^L0E&rRMض*C .]Unl-1 1r#Rj/&QɈ׉˩s6Rj=5Tg.y.·Pӡ:JJS:C8-2u]d&vUz;7p9 5VnL֢"y)">iי(IDDd| Yj0; LRfS:ktYK%*N2^m|&dğth":ey)uPQZW)gcC3Pv&MMWd&Ŵ۲mvTRoժM03*F3Yd6\8,\hݻ kߔi<k NTwSԪmljj[>->ptU%'LR>&EBH$MQAUx[$Z6vi&_a.KIQ{hyƒ j"JOC9eFҝfj;˚Ω<[3_m% lQ@4g=5$(J]Yc-OMq<Ǎ wSzڗ)k$7VIP붾ͯnV+卵*t]iЎD31~SA1éC2u)ʼnQn-Uoi3:grI8ؓWm*G zܕ)ZקJ}Y YlGeJ6cB2I NS3Q>k=KTBT]W6+SOXQgGR? telˊ%-Re\hѯ2TF"C/OJΩ6r[N.0{SpljjX1“jOsӥ;ҭhe}xu`Ք&.)yO̒ Fߑ.$Qw;9Iw2o+RVJMSOj[SoҌZ%;`d$blQ{Ro{Imڌ>3egf\O֝Uzx"䢸g+mv%Gʆ:|V[N'&ס-ޝ'kfE|K,G&˳98Juin/\\Qݿ̋v~Ǩ!rtWU d|E߫R4d}.qPw*Ӭv5YEcn~f5c%MTMkb-F>5JT,})QHg%{("ӔȸWMsYyWNRrkkJr0XドnͫT}r-jj,Ŕʍ\Q2Ri>v$5!]"JB2WɅ)]VԜUc8i|.jeRO6^V.¸ Q&#|ܶ-*uOG%JAtRZRr]FFG\۩w+?'zչSѧt jz>KW&ot{7P&2D;&\\>Q2JzܗAKSfeNn[jRrԕf6,q,F1tRfԗ>vֶևj-&R'Zi2=xv~Elbsvm8=ӛ"ū񕜈BȩlWau[]ٷBߨF~J!|Ipr3R̴#Yp)={7:G{+:\W}n|Q#%)7^-h"Ƒq:M*%J&$T軨I333׎g_- ucBwwjp[6i25$̏bU’ٱRv?G\~#Iͪb7<<}Ezt" q_Inw,7-d,G÷%T* Wg1"䥱kq/A.,_KhqŒxwvo u2ۥۧ.bQ}XκA$֣ +K״ZUNmڸII{.v{5z5ѮRme[moyƾd~cRݾK'j.\i&/S6f|b=5: p!6i_ 4j6=.si˧eƾtS^c.Y^RJVS-Vi3,esi08?H$GvZgg?gi䤟2adw릿:"۪lkSN>q-4kI܋ێe̊qۅgDoѨ9; #T.Q;7#~_Ufstb_'w~Xw1Xk,vcOt._}v}8"(4Z\ۘgk?J?bm_c!g{HZV]Fkk%~gEt)b秴vΰB|꽸}mp~E6ݹv;7P٤v+ri*3Ԣ|'O14_~7nP{7ZU\Vű[ +7󖱅o#:ǥŬ\|3r%TJX]V7ez¨Y]lc|O3V! R zbJ'PnGqVJ"19WVeOF埜EaEJωqCN5Z g-9[S<$sUK5b|7sn\7x qmv##FF\ w[=-43$^ooVSiXօv7iB۴yg>]Vf"r$J3""32!Zh[K%7GvNLs+4nB/B{vlsobJaҺJR:0g%&zR\ S3T[&ִor*ⷳc3ʊO[iozW٨%$gn:ܶWwFBԹjHP&z u&F2\f;ipW73 [; '_̽b;vib!oec dC-tS__$Xs]l9&z$2/N>%'[}b{h/{`{Ji׉׏ YJB/X%}.|+{(S:qz]4_Kѵo`^tY_4S#* ^zvݾMr+TrkQ g.8Ͽ^i>ӈǙvix>$o( ^qt*&t1oJVu-ql5U6jCЉmĻ*"?JT=K'O/|=Vo}l0b}}f?X[?/\JSBe,kP8ETJ==?.p5ފgbU9}ǶdNKk—_$8̸͓ۍ8Di\BԿ-1v{FF]|.^ۅ{vl12׏z7-R7wE?\nh\jN/Kձr_oBw"N QMBZqe-m:ӨSn6j4%!hQ;sv'm4kcM=!8\m[M4{SMliۇ%eֽR&N:{2A8)THLK3Zj[jPBx#BگMf:G1\`edcʮ?|w(-̮vXt,bW2;.ιNHRR#YwTM"<;mk\.foIDjmlJ;vxy7o7i\,KQŊ9d^Mmgc L*.T6tLeIuOH3SJQ3=F/ʿ<9\JM6mN6=<{xkP!F1QR[I$6ُimXu2An2yԒMU q f[IB-'䤯jYm52&JG\zд\~vdg QtHGXw&1Lw+nDEdC1w|YJmvP)HZ>i0BPβә?R:QO["]I_Jʏۍ>QKyu^bycBq4lXF~l [\*N>-J6,Gq(Zr5h]CwYӤU~ʶߑ u*SIv%ZfJ7)! FS*s_\|IŸZ)J ]ܜi4"z[+Z,MOZ))}|Ʀ(RUNIII.S'ˍO~˨rn}M)xxӕ0 eyҵ7YMAB]ӣU:/ѭ*6bcwP͵ "+qēVjŹO|GtY4V j[mLV M -m>",B$ GD1~j6O4|LxnNmqATNR3ε|DŽa[fmn-ڭ+FiK7Pcm;r5 l8r{#-]'nrFh2ruycb;pW=njRqRJ(d mnpckNnʹ+6]tz~E=ʕ l ZZ5jSi3#47.Lcfe`9؏v囜.F\-UZ:*0_<Νu9Lӵm&)_3\^ҹ3"1n1v_|uRʞͫr'iȧN_kH׺8xXrj=\МH)V\ˬ.Xʸ oVRC}ySU9/OBY먌5 ٿwޞ)rw8Ӫi5*5ZΗcGƱ !ZۄlmpjJ -l <R̵/JAպZuq\IdUS 48wXJJtcg4cI~aqߓwŷrm-v)G7yS^7H^-\mŌAq|"m9IBnF㏉9[N+mmy/!KKۉ%n +BdddfFF6FQRN-U5;Sv'm4kcM=Mn)\qιqUd9F%",6MGdT%-+~ f%+y֛^3SrF>6lc(֪vۊN;g._0Sѧ]ETWرkQKzGe9ʨsKA"yC y2\[5 rԭ7Gk5Mzw_4sM3hxЊ'oÍ5jsub )ͪ~tR2H]R͍>̋m6=%(˿(Wrr-܅y5(ܔJ޺YunW̹븹NsqK ]/QR#"ZMDfD|43Qw|._ԡSqTZBg??O Ϥ)/E_U|i}2 9Z?¹0:x'3,whǣ?C y-A~=daJј&M?D1_PS+Oi&;a @;Dž7[ zZC"bv:jjMQk$M RԸ3uA\=wI.AwC"^.{?-\NSiˏ"b}T/}q/ o.1M}R%:-ZniʒL$SgrBW*,Mw'N\ɇ{s\j]VryG'8f`}'N<*/`U숻z CwHq18J+vԕKss4R53/&XTt1bZƟo\=%nO)h$rBi-nKĪ^ ջڜlwkYm[̑+/QrZo%TQ;TLs($2C:s.%+eoNttq۰kK7O0m_t_pZ1SsSM7"mevFZ[w -FJ*T*jФQRg BSu|]g:ɵzjqwmltL.e3sRMچkSmjkmWœިm++¦'tILk*բQ D,PB\lI[9{%Gb R6öۍmX-MaʉA931cs..G4CujQտ[9 }G-xwl)IQz j Ó"rqe&=]꾧֎c)<kӳ+0JrRR3'TnXi^xMF Bު*tIL.[h"2"nKzZe'ZV/RrNYz]8죝n]Ķܩ>^Ժ]u-7^\mZjܣ9+Rmn ߑv?oꋘ?&ƪy^N4o=3-ؔ̿*`}V݁ ƒPu8%$ ݗ]wt;\y\>='OjPIp/nJU8{϶FNMsf"ίNqƹ(+ ݮF2Km |jܴZs%zf*eȫ?]4)I۵nR&FX + [jDh(#哑9q9Eծj8noǕZf\J-l&Z˫}`ӎhyrΉn\űn]9pʌӣ"׮Wt?N4_I_~54#/my1Xr*척aS#DT >q ssΛW;3oUaJSRMDgQnt:Ql,/ ܷfRqiM Ȼ>Cob;A>ڦWقM9X~/!'MW.}Vrߔꔵ!5|iB(0-zF=}okڢE$^wW~nokY߮\6՜̌{i-AF*9)\t9IV6۸5ZUF6R$ŨQIq砳YUZ]eyv >hI櫥N )&l JulwE1GDOuFN2| }馥uC1rޫV+^gdb&W[4<^e4YW,d|htͮsUM)۸8:{3d{AѢ)~ \#J=NdƮꮓ90 |1K$v*?мS ]i$J,C,SG?/_՜pMSƯM|mG1V1$~K>CSvkuj=&) -,yLjuFHK{c駗.SOua;BrSqj-ۍZ#'Jys7[g2z/.u4+XV2VQ.ޕ)$"(%)#Z7suZ%j }BǬݕe)Jvz8zJf:hIN|svO1O#IEcۍjݽ:SdὮvu^@:o^5cs>i/VqmVm]ؔܢn6'vޑ̗J4Wn@OlKbX ;n:hgJ9ŻyǑz8f܌q&Y fN0N;[69 rbׅC2/#kE l&2~èMR.*%g=Ft.%؝e8<.e=Uv{~㻏"EˑnvDѭ͜Lu3u0:U֝$[M5<:oi+V4V9 6nXvx&_ q Qqw3W:uϔ2yb/(ɳ|5zQiJ#r|Hw#.W?4aDŲ\ugWG;Cw鐢K|xg)##=O.dF˟jMUvWĻsr.z]kPc9"]R)mkfOd*uYf١RsB Aîh=k]ʳUrrZsq`d#r$/Ը3o^&lRWȍyuW̦Y4QDUMJ65ƒ[+ygk XK_±k#y:8(TJOSQhJt2.DR}"5[) r)6V6u5k:eXZmv𭤔!푊Q[qQ}ҹLE- 8qIZG|UM4j}Mܕ[Vwm{} Naqµ"ԈM zOpKѰ?IAD3Ir0'/q1itoB5{%wkOBn-ۜduqIzYK60{+DʕܞqIt";r1mG/\/ym[6JƫR \L=S=OT@Ix[TMm{>ݾտ֒ݸӉLYIx>+"JVNzx||5rI?C{oz8۹e\R-^\A2F R+N9 vlT]"ۭ d)t֞i #E2jB@׵=#/N+!ĕhx}I!cM`ąZ*ŻɄҒ߮Y.Z}='/oۙ3IpW̮hT7cTSuz9>B}΄&h!>lӵn~j˅IvU.'v'CSZw8QK3G> ,J59ٷ+HSg䧎hJdzvwv-cvxS5[̊n~ؿ%ַX?O0\6ne 6kn9.ϯ} *h 8_QhLݣ7q +=XBҲ5?[[)+F`=4 }B,sNg==u*Nj9k_GJ)+R~GSPBȒZ:(K]heL=vKPӢwq(NrG^ثϣ?#tC?.ͼ[ۅo؞y#%ǛjVyLSw%T*s92JTM%"YkQО.q)gCͲn8cgi6j1MѾ[{9h^vƘǚםidfi.^RHmg&rׇz:}݃}xT$ضk'5s-狶,\vpbPD،=Okf.c#cdz2FK5T!&)|ntD<+OŹU i-G[EE*FDfeaf2QƤM\UG_{ǹm%\yrGy:.\4wjPGUJޕUV7Do\7Vy_13w;[?c]H\$IJ,*L]3b%L{y.JRKG2sq,B6T}(#nW|km+q5] r㪍bJ@y{byz,b踊3ϻJ,'^xd،)JVw#.Vټc''ÝպWtbRؒJz۠8!o9IۄS95E9ؔ-e9JR{dmnッ<[~n${~Њ$W?&ՐY_? #a.ߑv?oꋘ?&ơ|y^N4o=3t=~7!/M3>n8W홎2M`Qx+ z qy8%]7_~540ۦ彷]Wq CѡwkďyF5Dum_}~P(5.(X,K9vᯐ?leB9;Jhm#3{CxGE-S{;@Fz˙]=O'!ɿ]' r`:7'2bЖ>Iy,/eTy/V<.H?UYY{\^#ѣr9^7?xoRȆ7EoS_&??zϾM?(~Q-K&>"~aߨ t7Emsϛ+?;fCr)fY+>z$tIkjn_>vnrֳki-˹l= t;'EyC¥|/BLwBJdgjۛ$s S1|ɍV%JI6KvəhzIlBYɒ|0"Sy0F>eo5W)O+X˻u';v)2vVq۳kۮws?UʑBǴYO漪e2MIjPAک\b1)DDؚKm6ZWΨgȕ۶yjڳ 2ضN[C[|r@9Jfo<_eI7q.|cÊV߷:i.:$ȋ)1%%)ADZCEBxJ0MJۥy(bNsKM9k43IwNt.\%N簤I'.j|ƃ2$grBEٌ\}9:v*!n7M(ɽ]7c@XxƱԨ37īf62cTTfFK]9wntQHͮvٱI/f|j=7}\_V5U^+:uljSȃY(XI.ȱmo1甅jڎIZ2>#\*:gY|4k\8ZwSqtyA!+];бޞKծË¥e)#5ap.QK^8VdU{*ѽL\=qmjnB5>{ Ӟ`v±5 ^k&O~Oshɷ,;6nOW>u6{RqS`)S%jp\ipdEBLfTWy$GIYw~䲭J.1vSY5z.V>^+Ǎvc.I[R{QsNR3ӎfhd>y?UJ*}~[e\i5U^͛E]G_FS(Iɿ]i8:4zj~շsW,ˆsy:%O}iur]iF5~3M:Ӟ#N06)4ߧgdawIotiz:1r5YDZLHBSi;NQc44la=Y kQIT*ըl:tq2(է9VO4뒳܂~2rq'nrVZŦ[t7\oլfb/mlpc.I8콚q^1iE~䰳mi[dۧw֤ICfdFeCsg:i| 6擣׋* 96lust^{%99UNRvaMܽo ammi$em4D6DD\nA%$$#}۷/ݕr99JMն[oT޲E"KTaP+HGkŴj5TM5xƱOS-k`ۛkٝWz;{kS}F;~q|~^_|euwnE'pSupUP)V]vE+t =ZRaVdG6= *.ϼnj9:UɷbېmF_tޫgHjVS'śǕًdkkѻ_]Kv?nT>)^e=Ar1'3ԔILyD?:-^in):{7.؂\.:V }#뺾.3r̸*xbFM aȵz 6SQ:ײj[ 8nn iFMw rR"5M5I旘35f^j='j:nNW.ʭocZvZKV^ɚJ.cM1ZI7E'6rg탸5oZ=[m Z`\hbMUR١Ȗĉ):Jin!_7Dй+f̷eKҷvͨBPR(V`y6tw*MRΝcB.ڭTnc;P$8nFvm4(D(R#R-L -2:FP lxZKQc6I("Km%$E, 78uXIFA$RQI$JbInG]c[ֹ:ZM+n^')JmJMJRu{e)7jQDw~%yQl}BZujSSf۩QZ+Dzhd5o%BIc'GZ?}΍:>Ɵivז-%݌J5MqGWTVʦh݇ܟ~Օ_6 n'{3~mϬj'J11OȻn߃r Qr\3y٘+WӍ'WxEs^O3 o~[|7>]]H9݇ZomT@]?5B:Z߂'`V_+/MSKX߆ޠk3?o7y:4R/7þ] iG߬aBRU&?r&/} cQߥGj2?C5Yśe7hU=?+ x龳f-܈czW^7p%-(\D4h{UK&ӡn^m]Fݢ:`δvj俜F+) y[{{ 7 tu>gvrěOj'5 iRg[ͶFjGe n~qT$ci ۚ0oԹc*jL[sVWqj\ݻ&6"WoK:cnWmrv)o>66(F>=W^bf#c zzʞtپy%mՉPël e}J.\Zk4ttt>oEM=q)hJjI=ͥ(%]脼_88ф;͛gWG;Cw~˘$4=uWdĜTثNDkiQL9U*O"4XP`02,Ge-k5$h>ܼ]3vr6!9RQPIVSnM(ۓ{>;/Qͱv{3&-[rc)ܚI$n{Sv3[j00)-D3z}MRzVQпj,T[uVs0\}Sid;r(ݝJ>æʺL&c[jPK0~d(FKÝW\m]GTcF|Iׁ)I3~#oX%vҦEݑؼ5Żv2qAZTE^..M{ʐfȏ2##.R}*KʛZz^ӞN*lPťLf\G6[WVQquV]XAi)5J!,$iJ6o$tPZc;Kjx_n3`qIelV~vLy{fn匋Ѿn%;zV.n'-ұdd2߽1bZksPe3TI9)$ԩIN9Vơ\=2885N\ p)/a柛w9g_lױo8ݷ iixJV& ғRi{N^_oAŮE6Y7I$Nk$|Q)-*4Z)^¸%4Qm [I%.c-OV+C֧R#%ѨCe3i;w$G+_dy| Fzj$DI(=OA gj%v/]8qԯNIS*֩',Q%\44ZZ%D|Ǧʴ6&vֵI$%8(ԬƾS&#Z. }6z?b/|Jl{ץv&mpx4Z$”ڝ4-H%dGKfM:sKSRWeJAn]>s6应-W9'H]'uȫYvgK^\czp|My\鏩w/ËQ.)]\QiS`8uL뚛̸=J"ܻi\å'-)54Ue]:K\퓡vK xwBqrH\*֕TnzC.mT=t-H]SČ~Nu╏NÅ3f|͡G~B+Xm[Q7U{9"~jgK Zoʰ7"qJ,ekSeNGgϳ] ^.6:s}_,%eRg<5⿨z{ZPun#jRІ.6g T.!]xa c#jN$Zpl̋H WZu8WmMRýsĮ?Mco~sx TU҆Q :KDG4n42.<3/'^?6/ܠڒ^yrrÿr2\D}}B]^E~^T cɛ7϶Y[<֞[7d}2%QPqOLEQR\CIsj1?\}%tJ0e~ *sk"*)&ۓEi#{1J8Hrt|'ܝRr8)=ƔN'RVz:cf]F7bZyZUȘ4x8,#JG̒?.W9XnO]KO]%]ƻ O5Γ/3qÓj؍/r̺rƵ 5\&m6h.xoeX[=<3%< lZ"2h\Z[&jW3ejm?k&[]ųj+{N{66leu_+lj]q* 7g*knأYv= q ەdxЬZ|%GUrQ3jLŒqET]1% qkXYūYc[7Ś]QY\jko\</Lc7+'hMSUc6qXyؙ~6#ѯv.0$BQi5YyIhɍiy=KD!n3Vm[V%W-B%swa97ajۗ m+9~]fKq|Ddaˑ0A]_v޺mM5* F-BYHJ5}q>ʉ.6hyDmpD׬'-_v5;5[8K[viJ.3dR:oYHHh9I7:۽fi+wm^ [)odPѱ52CZUJicSw\&_s0uBȍh32džzQflcd^m|7GѹE!fO5]]H9݇ZomT@]?5B:Z߂'`V_+/MSKX߆ޠk3?o7y:4R/7þ] iG߬aBRU&?r&/} cQߥGj2?C5Yśe7hU=?+ x龳f-܈czW^7p%5|Y:SJE\U-(a_cƣUǽXXKiȞNlmۊڭڄR!**ܤMeȽ$|X5(Ź\rJ~ܮ]>'HB0cp XFr_c?f?7<ukSgov¥iG>>䙗i.+t+bOjIܶ . i^:nm}s}(3>NZ$2Qg([".>i.ƾ)B̋M8+"- >eE6DݥJnJˣt׻ 5.˅nJGwZD~!i۶a,Db3ZQ3O#KO5/֍ozuK'GbRi᝘NV_ҝcvם ZoX}F6z 7e5_e:ۓj=AB+iܔERadMBq*ԯ DwI/Gy*mĥiRKg6skY/#SN4e$-yXM YL?^ĸNNӪ{$r1JJRSLO]Aqm>V/s[~i/j+m>z}eI"Qvp]{ZԼ:{vPAG2=T͡@ڐ#u"E*>C;o$~C#_d/HBq^YRٽzIKbOm\~żjFFGdiQ(*/i*#.FF]©m=BmpQQQSP&Ҫ!T&^>:y)$ˑÐFčI Bӡ-t!bM WҦŶ'UZ=}zvn~oT/\ǒ'nr8 AJIӆz<^uߖ4eFC1i+v!3qNyߕni?4JZlmYFXFۼO0B\m[ tʄU3s"Sr(NJ;SKW72L4̏BVdf^Ҹj\]ȱ۪(ӷm?J-KEmWڽ^4<8qu%9pŹW~877ܾeVгS(յe^C]yX͹! םm4FGȋ\y'Z FX7e)|Gjt߹#gb\ŧq_([R8[qU$Z (ʻezV2V!iQ,i$JE˂٩ a(GK'O{vnBvryRd-RK4=qxZJMl_CuuIz @Rt㮽޳!|68\-l[џ84-2Pu" RJ_^OL>G1~XnBŬw6J0*Uvlږ1N G1q9IUm*'oWu][&UyYZbBZRZNfEJf"+2nF~Eû7n1xv.RUM$6 lAxSQJ&n5ܞwlEói"#>4׿Q.nEq7Oko[1wg8ZQwZYiqtm&~">Bo?w͡ni2峋NCEy Ҕ+%ZJ ʩq*fpˤl,~^Mχk1+:ݕ z&Y`KLӪУDr3[*Z :(SL&ݻ۬Vqsyԭs x|iI߽zZrg.:mp%6ԜvgmpIUt;QbS.Է) ǨKSV,*lڌ|5Jt3#NP.=+OZ~/G سIgbꥹJnl_DUM\iM!֔wVZuԺ,yV.Q>f v:݇WiaŸN5Ҕ[M7SsrvǣrMW= \8ZW-jsnڕ.ZnF2qt ً[ٻޘY۷Zm"Jxr&NAfA-݌to9s359݆mZ+N1-qS$D=17 x׵+%_ ve4ir6Z$FDڗnFtOr'7'{9C˨ꤡaYoace{Refnft RR"4%ʌm:Sj3)OdInTO>X'vxV#jܮw9Fog;5.~Y5\~18YQܹvj4+~t7S ﬕs %^۵ڴDZV69R^Y+rj$ԇoJKR5wB9C>Y:l+EǎS{ʲ{T6Wi* ^^9k/y/Cs\g*qڵgn4T8mERr|Ti+iPe;;.i\EBEJ 丬i9ɧM-ԼsGDrZ>r#R>~X9y4b棇9JwV۔%m(b[Tjvl}۩~nDԺ{Zo-YuK1vx.nWuO+jN [ٮ0%"΢CdTJK-RަH"$I(*ve &҉FzB,_Vpqp9m8werv')E;o&QE׵^d9˦j\_,ڵugZȻ̧8k+jK{wmr@3ӭ2 wFkzFVqs1؛.v'I%$[iT]D5Dl2 nk7qUxԫLS+sا3/ΖeZYK<["%-g/kRs:f3;*E ت wJ%)5&+&rw*霣i|sMҴ|;R+fm䡩.!**dӶ-6s6,]zAXMWjmnz%SJߴm2UXw7MQ%<!tKys#P,W>s;3IYwx<+i_\\\U6 u7P|xbn_k&ӓVOe䦒 VUr,-㘘"-LZeOSҠթrEvq8Kf%5%&K"#%vD/.ZYYŏ+p$nZkvއuW9㓱Z G wYIFyf)?ƎUm5ԉ/'k84{KO:rQI}XRuԪ|*lu)3qZ[mSm5R3".Xcَ5c®ࢫI*۳~wRϿQWޝ(EJrri&ۥ^ʶ齲Im|[yb;mnm֩uiܘq>E+Ikx߄3r33-5𹻖09ϖ9[Tz~mr5NsWl$oPusޛ^{Z;);sڹf\3oٹZmԉ/'k84{NO:rQIBø8Bݱ3n֤DiK4u& ofSȒܩx<˘|N0Fչ]qsp"}! QWw@t4ӭ+cO5%]'*{eM߲DRO1y*q8w++e!c߶ܪlZWّM欼 CQ̼빶lX{vib/V/ ai;x6~]+z]MWB>re-:lgk}պ!#9?%܋V-c[z!W?c7YNm/jRr[HOzԻefճ0q15Zp#rkQQ0tU-AmڵP/cȕ?0cZYj;:0ZM=D6g ?'UN+ձ[K ܖB2'xq9{|۫N0ku 7xaj;n\ 2[VznMlWiKbSk))f..)Km)&bGZ=>OR܍W:j'rM'wYz&/鶧{Sʵb"vջq[I-ՌZH._x*BagC'T(Q:$ͳQcMCKy?3g'ߝqnT);qs #ؤZ}OOI:cfnc8W~qy.;^pVl]Hԓ>^H^@7-AA܃nmL(uWܻS߿ Td95Bdh4t6*dDh!EhI[iŨ\L.&Nc ܮf^;$R)\rip9I|ٺ?#R.ZDZ;/]nݻqs\QE9M&Bd ]N mN*D>tgbK>+ˏ.!23]BȔR1ɝ^j'k2ƮqBQq[$di]icV/e`޵B.FIIJqbi>Ӥ|p; 6${)RU>_e}^dzdfzi %ekRVUS?6'hׂ)5.\+qUgzE2C˷ecŏ^֔ibk shesFWJ#~> Wk~ݨ}ڶ>ơǚ)׽ZƉo~B-ڼrvoE:Ʃ3ۣK7+Y`WirS):{>ڛ}:wԨ(J_";6R%[u&ƫdZ_\'np| RJwNeTW,=rrbnkڄ[M3ܴz)3- R.?:okۼ0TU'w{6&w7j1z3ON'fGoO?)S_bQ_¿R(^ԴԴG.EtMڇ&RUiW uQjU> Kiu1d<ѥIQ'RQ1:O/lŗᏩiʂv&Jc{D5 Tt)1.n[n۶X}RjqnOʽ(~[Ns{ސ⛌uO,kgo֢dRNQȄ .'6W!׌P朼tdZjFGE"]K@'i۪N;sI[{SOzk>`rRR+!σj8&TjlvA̷Q?HyjyLHNտJMjܶT۽lG?SnKN%<‘ nq[N0Sq[Ta(&t(|HGO~gvkݻTR4&Z$#ViOY1r$6YF?e4U/Mvxų:zbU^gQQ+NW_'4jfz^c'#`rvrڡ(IJ/J ݦ6 ]-CW |_{v*_q3^DZ}Ic6Uڌ8p7{crZq5ki`)mU6|-Z5^iEz3P=:Cu7DF'k%}<C-޹ֲ̱#\,(f88%X-N(ck0VLR~} G"-8ӏ/ϰKq?(#nrVTmZ;zióM4 m |UT'C^_1X.gXM{%ʤd 4\ovN":"y-,T)fLQgۢr=/CƹǨJVr[a+!rT|%Y\ٱzsS>jͱ.oOc6f$q% ǒGo;n[];ߎjrk{~\VۓNIGn:iqxo |~t5)Rxעri{Vi&NUOl_ѮMfsޕkЄay.0P{7N((BaIP$ K"U6Gl ݙqJRu+qN$ m#*p<|{:>-Ev=86N*MM긭U*uѾ?/^o7;'u,h4݌xښRM:5.(/ \իU.{F^rmF-Jɷ.>Q"[4xT^OZ~mK}T0ݛ^SAo9u?lX(' qj%=X}"^e4wˠ|rܫ 6I\Ķ;Ӻw!'ڍWg{ i U_9Avhۣƾ+:vs/MK[ɭīe{`Zgb}r[i'GE2J7Nez579wRq+Un ]J.cJ4M:h箽Wxxm^ pc\wcN%'My $$| :$Fqɏ¾^қP9J6Wxvu}ݵP>Z'FFdg"-; [¢cmWkÎT8nG%ݣ7*\խCLRYZͤiD&J#'ehbSyXK|y*ӞpS̍R`[pTr/Eg)K+92{_ n3zwz'oŸۤ+sOj J:`T>Cf*lwd\fYOP"R E֢̔L4ɥ :;.b(B02rJ蠟9>V'9M%)IqnhP<%,r'P/vNSwr#w"ݨaqc(|{kd=^0jTMR2ULNz|.<|^PfY22##!,K~E BEJۜ&jRNsHަޛg\r,v؜.jK3)[EJ2ii{KEiHP^&]Gn8x=K}Wx/KI9-ϵwQ%spܾ[^R}S3$qvq8M[ ozKxcqmJ/ӿ{_}7&ݨ\f6ZSyQz& 7ۉ[8~UNn|nkiTB+4RI8'Nc%tn{!]Ȋo.nEmʱn𵵥J A+wy#+ikǒڂ;՛s85'KmE:Ђu""Iģ5p=БbTY-ͽڔ詻ngL2Q}$de# fs^o{DUUsfwӶ;s1T,ǤtޒQ\෼J=.tKU,7čJ5 N$y3kdSMQU~mO[03 $zAڟsF5^뜞"Կ QHmrR"ӳηer+ҔZ]hE-6Jmt'ޒ=O[sQj)6K}?e4v_KfZheޓ=BV[bY}lݒTTЬ{ȫvO_qpRApVŗ 6ju=*BR)g "O1yhb=tqJ gtm\b3RY+JQ^Ō֍\յ\>+uSi{=x ^w;uӘ#ĸzLn*$anok߷CBӷ}5Yqvdž<( "_OWit5:EZj2 B ρ1̊fi[n!HQF82q1牙nqnEpT(2RMoM4ϳOu ':֧_Xjsg jP^(ڙ{2%E͖j^}ZU[Q$'U) <܂%!s"m R'G5M0<+zM6qYm$ڕ$3ǧH]?o2N<8F1̻r_my[Rf59NjpzBnl7*{.QP 3N&^BLJPjAHCK2Q}$#~YMq8 k(MFMU)8MEqTy+Tʞ-ar5yܕOXw!e;q-Jqܶ䓊Y:LC UE{/t>r"lI9)3KJjϤA 6SEE$d߇3KG*En|P\ԭTn6I-ƍKTj<1H_zwGr19wF N8ݝ+a9ɫM6mhePi%mmD! """"""*1bRKrD"vnrM۫mmĽm]ӡiG~e"˩ lhRTMk^MX["Jݱk7_ޕ*DqĒ&flՒ}`W}~SմZ{ĕ~wm*/{{ѹ_-0ط#P]xlڱ~Tn5wi*lڪ (JxioϏbqKYR|!|KN53 OS222$jzww%i}>N)E+rۥ7c$Ofl/LNث\6H9: FY󡈾I)fB֔JI_ ֣^: 9mY{66㒢7Uj]:.-os[R&gMF3˸#໹kmjq^8W"PΦURjʄWa˧T!͋ lW48JB2ko+ /Nw QwQzQ ے%$ޓ7^YL|r7!v%Trܥ &|M8~ybrn[RV gSn{{*#2#ԽᢏӴHak" ӌcwҜw&RJ07ױ>Ļ =^ BɆ)v32.M1=#6%̠tҤnzqMwԣ~s*%-j|_m*.Yx9Sz=)qE4 3pk+,`=kNRڥ=B=nŔNAx)Q$ԩȧ4z3t#Z2lҮYn$S%y- JzGpu|LBV7ZW#;Wwipܷ%(6jFG5#{$D"uۭ~]֫SrD܃fҎӾ+Tu>-ZTQ& N|$沸ii>eRWݳu'[O̻j8JۻEѩ[]vni= ڒ,[_%kC7I3Nv$4ɎЈeٸoUu:[}Do5|zNq=Tre%ɧ6&~DȍF]ƞG5q m]/w/ \ʲr8=oʔe9U(W"|S]uZd#?Se[W"ֿh][-7Nu:T=)R}.;ml*5Dlf $fF(̏T hiIUU4Szɕ t(%_|2 ~6eM;TƗK[f&]LK^CE2[ȏBOd;Mi|cx,^6;sیGpQ\NuJIFTJ~đArh* B"$H쉩eXPRj?sl"ԥ)su]xpԴY%VESH"ЋJǰ K&5^Ukzׄ8kEgS2h&Se\ Yl]WҶp-ZUvi7QS:4byqOo+[̺腋[6-_Fo.6[7$p&^ _GZԸߍkc.qqoI[9m߸YxOZЦ1uoiSH)P9Uʄjcq= S>֙NeR><;+ڌk%_qT].srNO?s[=vH[]RZHRMtᩗVؾ:/~u)ԍdg%=edVrISb{6vSu=(ܥ)mTv/J}̇8 S3ad:^hBSf؉OɔLhI_1d8,L><_A0y3rXq"'(۱;mFNII.v5_(^q~X>y{3צ I*Vܛv/jW' T'NR'j%ꔩ:mJ3SB}΋!-H-RJBТQoedi9tjENenPpke.%4]#{:>mkEɱdYWl\\\'nRM4&U>?Ќˉk÷!𴪛]]5}UqG~ݏI"O~s6(Ļ)qO~h}uԕd}Q~G,oE!&G&/]_H-O=o{k\̭bkv.Ô܈+;arZx)m?M\3lU$mk-CFXjTv6u' g:Vn_*qk:VC A%'4JV%EY)#BғO4<e׿jQQ]yUr4=wm[K1r׵%Iũ-O}|kC;/VcݩWZ)EHdžTru]8hgĵ-;=>U_ InvTm_jBM+QiF"9*{DI/iuo(=TzϖmPQl_v4z>T*ȴ>YF;ε\t]EH4ꌇ[VrLzef 2T^V>g2~kg5~Nק;{~Z~W}&ŒBӿS2$J?~(Yœ"˲ߩ\O]: J׉ښT{mmIѩn3˧)4LdFZ/zUG>U> n 5& ϴ-KJi2o]uKljvK3$bԔҚV旧iY5.ίfi96v7!v))FJM4{jG~Jt/lUE%pTAFe4qQk\ve۽/u/Im+W')v{\-E|Pms7߮DZRr۞/mu*1ՙaB܆ -xg3#6ۥtRogʌU)׎]ZҞNnŞr}F1Nnޞ;cZ{N}ۿMiuxʉ*3qi'9KHQ$WJxXyرŔe~[v5~/jN9Q4o6rJv FrdxM*iRjMzUinHdн7ᾞS=S'7 } ̽zt7K|_g J=Lq+/Bw_\ۧx\HJUPzQ<hqF[V0x==CsU7q|^ {)Iq38$_A(VgcKu06Ƅ"%i~_ˉk QCܣB8Ku/񋇵u([w}$F|8TՠI.E !;RJ^}MɒD_q2];Ɖ{5}*n7nEInO{Mwv}&q+v [V}Ĝ@%>#dXQ$f;iep.GquixVt x6bj͵mlKقQ[T]zs/&yەnM'W}!Fp_d^Tu N{ɻ'l{խ2.sTu{W^H&;1s)Pӛ6>$mě;Łnj= fLT)>׸+qReɴ[UR\L*P/!$Ӊ3Q 'K=m~6XqW3^W+ųO_[F$rR*u"T%@O +%# ]˽!aܽz{ͷvQh쩎]hGތ5ɇ*DzJDRNLi 4:{~2FmXY-zzĽ^f=]uū{/+&c:Ma{ĝDp2m܍kHș/(--m_vݮK(V{R}.k&yƴ7i^4@3f sK3^Ř˸B=]?gt5KbZB<e;kQLpxuWC}n 5ҴepB##~q= `x]KWF {GfŲ}?G.I9pjWkU]>={7q{kO/^I3==f1ɏ%nnʫ/Zu_yXN<57ۍ'vy/"8넭M2eԷ&Y,в33%IkjMr7xf nmQkX4踼>a-GcIeތw&U=-:qnW)z¥j :WqSZvԒ#j"KrIU)%qrmRoDGQ~SYRsu*V)  ,/x)MFD6O#]z 96[Ui(JRfw'y$GeUީkdMF-ݻ98F2d[o{Rn0n-xsV6Dh|Eb2E:KCOӪv4SJCr"J!!m,hRLD| ZYFm/X~ΧfrN&4Ƒ=Z9Mh.Mܵw/BdrܥniŪ8ɧ|y%œ[M=_tj?F!z5\evM:\ ~F-sg钬OWq“iiȍ<Gi%%n2rqͻllƑ)okw7}\Uk-:&fj솘XerV9yZuʼşdFC=rmo%~ZN78X(N)_7.Εn1MpJ}62jjJdI";R5&iLԸc:jmqiQj$ujp\{;v5B񥍪Xn Ą4qOERjzN(Ga٠䌡)p*v(J7#ZۻZ8O W uONb+^Qipv9GvֽƼϯrYƖKGJQDNPhRJjᡧC"21"9ѓS1;R_O7/WGz)8fE%F2ukmvSov/iZ&/]~KmI[:^~ͤ\kMi稜\ywJt3W7 8Ʒ~ݥeFgѼw"8VVSج\뻆}ݭ/J6Q)d|)zU3>k\L=;ow֯gN3pKѫ|wmkZ$z^2R:E)f>ς нd|#׆?\ǔpV{;\$ƵE%-ͪm0S6[n< kE[}mvE4DDZ^$OZ0*$~XUv҅B@^?]so#%ojw;Y#SxxueBگy v^i-)s)zV jC{7Gt.w3v,ygg8s]aE_,*E tY5k٨h=o"m泏:\6w噓aiL׎n^c\75AGkЯ0Lf46َ`egZ˓p/k;̛]kq!ݸzpԭG"}R9Ve>ˏHUjJ-&7nrnwG*Xv\˱/vN}O)ʼn&CV͍f̵]r\PMB-6Du-#RͰtRN^)mT _}nSȕC*_xBuTkJW[`ɩ`ejvsngP ڻ.-WUtܑqԹQj)t;vN&RNũT+8%IXӃ5fK՛-d9 ]CƑm|nZ-6=Hz,*aEm W3VzRšdY~Xf׀Xx"]s;)5u*ُHB BRGS6bݶؿ 9j[1*jױga7oX CUI%0v#~\-O-Ꙛuɷ쏪&5mY٦M`LJ2qK~HZbr =N'YobI. (^ ׾{_ ?OJ`S`3BN[}5w6:ǵ/iSlt=4F*d&T4y/#. ɵim5Uֲf 眕6Y7 fơ=3dϕq뚩$qTM-%r!$@A? ޾V0c~{[{;򥧅a~ڵ»&ڄv1ek=wb MLkNAԬw-x>~/r=e73VeVN)K%Sښe"+3uXuچrn ֺVzscJ峻m}vb㶓n\YbIUBT%*,0nov=;z꣓S/nSXSpl##k9mXGrZv^Gde!ŷRԠzQyjC]`gToPov{j~KRBMY}i[߶9KL2ԉO0K#m>wB[ٍ+n[[b٦DX ݲpo] [\m5qdT()mo4Oy9Ie b][wղmM~vmi۱~t \}$яimRk(L c Cvk7r9_r1 ;zv|F@KyZ[&jEji/"6$69ml#e]9s\{ScL}Ȣؿ0q/nZ*t,CLoD߉Njǚy=Pgmu6^]l-["çUʖMlʍp-"qmU>۷uFOJ%Ǔkx 'g=睋k[3u,{³WɘݪF]ՍeFX"Oy\,cچ=w/gn Ļ]#2? vqy-gXnR.^}ݺFs{ŝG]}e|#0mjx"ƬWكm?rgU^xVB":Dt>@LRbun~ݭ,w+v⪕;\U(RYa61>#Jm˞Μ9g9XKaG='u8gf}'qy#ɉw J]We.ʲ-<+&q%s?2dњztҼn`cΤmmqMdz O[-ߩӲ&;[tmܝVnr">{x<8U+p:Ig]zjGkt,uzf}dؠoJaکqEq -(:d<պ=eKy[˗^%ZXkX[C2߱\ITTLGzANM￵i]K>UsOGDDD.ZF6* ҃V Zhz{'xp^`wo8r0h ZmJ5"jb[l=yUu7-;7IT%:jFjߖm0tzU'K)څNۧYJ)4IQ}^KWm7kSP>q;ނ#)'n7&׊r?óM{IwR\j2Qn[v pe#/tAF\ϵ225q֒om6z})6҅*oqDsMf CNIN=T S2t,_ѧ}kveMF0J\Rnnݙܹy[rUc-j{yGtkQ%s]5qB.Nw.JN1LvR Ui5J ZESQԙr):MJ+g}χ!2;q([jAud][ljVK3$ײSJI=/|&tl'*n۽f.frܥ jQO8>&Z];.|7T/C}$ڋUmP2Reҭ8hFF\L 3~e v\۫]ݝNmrnB%*]Z«hKc=BTLG :V74$=Ǘy+EX'4tn(I:Ѝ;Df8c,k1%dJ6.j6ź{N~l6&*fœI7 WAlGOu-ҢH,,(ǔe뿋쩨kM܍ZſgRvQ' 9)?n|er˭|I|-fGK.rΛp8XV1%K6mvG+tc+qE&ǸC_Nm:l=_/m5^[dߌڇ.c<%:)tQ$Ow~-aY;UJ>=F)2[nk؆?훐M=l6[4(O.]2#-H^n#->&mp5~Fӛ+|| S,xag%qkEUzUgæBhߕP(7]kFnq?֖CpruZ6*rEڊtS|*tI*E}7R<,nUU֫^I7Q*mSly%rdȓd8hE<9oHhMfNSRj[i7D[Rj݊+kდq{"$$H?p\̅S?㭻;t~R߁)^/>Qj`yt[w ԛ;²~+ߔ_ YW~|o]?x^ᯛ `ʼn;g)T@vWn]>&4lp+$D̢1l|ȨF%-}.9[}w~ ԠLM9hСablfe&QoW!s?wjLK?s7yO>(=C~_nyǜu?v3vyo oI@qV-jeES^[9WoSܝh"l2C1a͔CiJ@3:Pճw=/7ovuk+\V;lDgն<[A+rX~d;m!_s8ݖ׷;;.0llUC+?i#_crʙ1~C.\–q ul8Hܶ2m`ܻM3Tov|Bs rɵ"oLS- DКw=Tv@f'6|YlD͓Y%׵-#Ѯo%:&!3o%\J<02;K87>^vgƓ# ;ݝmz^Y6=PS39U%~ &f# }o!muH;ʲŇ˷yvP+&.7e[3'vR4Yj̗IZ`e˽3o[WU{ m[sUbۋZǾۆl6~9'V*.\S2<Sd*zY[aŶ`]C$n.v^Ʌ dng>ەZ,Mmϑ :n6nϦezWqUJ4! ۇ4R! =>>Fn|Q[{pRO17ƕ~._I''00k=b՛o}Osðc2'o\3}ݭQ^2 . R1yKȣtAݿ-uܾw!`?1Whn|gzUo[ECWwjUIן)^h#1ɭ!/Z np;o;ΗŻkXs."6E`Z1 עӐ9Kl8qd q} 2Stt;#j>;խabONŗ=fwP1j)l6J̶|gV2`y/0E˛6+ԫ1? 6}KW c\KoKͨ2ۅFw–s*TԞLיuDx .kCzWXhy۶gLu|%TnupǺl-S* PRaLnT+c+*xl.v!.U=|; !_L̎뱚U=4hm:ٯ"y)$:>%(n}X'p[ȴ ^˒4kƓmzDx \ 'NqamP7nyN݅=j7%McSڵj%STy qXymvCg{w/w=wSW5r̹u erծˊsOm=DhEҚRb#n)QOxtվQwe]I}wCa'"[ۂ-z}2UuKP$㜉ԧ:mc<Ý>RoL?wu|%ҷ&K y_!y9 ??:tq3(UU-lkS'ɸ@jdzQˬR] EVPW1DJq2n:,c|ǻ̑;y{X,ۂ.u.b˕u.tKBjQ"[S園S`ٮdNبeJ&9Ơ ~0a(Vm٘L+Jr*vڑE( x0+tp˕ n';wm-ޜMOxX>{#2%jgb2M[`K*\5@8l'e=0u+w ֘鳾{y܀:R*Ya]"Ӧ%ktynlۣ65,3gU}{GYrb;ge'TKwǘ.,rpܚV]Tr,!dp /ԺU,xՉ>s׽~W5oTh yx?xrrx?)?ilbT׬,z$Ԏ.UH٠\U1pU:]JwSrGZq8àd驐,N67QYBӢD㏙W!Q25ϸo9ms-7-%3CihO.J鯽-;MZM8ku-7k9S$8]q2E(}bۏI[DKOK}3KUB^u %Y,u.-&f#]'܆o$x`Yu,dzwM;#oKxn;\[d7}Rb+*Y䛂ZuBӱl{j0O̓}LhK;[aֶaGL{Cb#S.T[>߃F]NK"u^LUʐ_ykW?!GRj29͖qa'0[npcDvV)qz9R)PۨM^aJx W] r>];eN3vxdmĘ(5W2K1䪖weF{mE/QP6\u54x5[hۮ-Nk”i[lUgL]J}5 S:EhiUrgHl!ŒJ$pe=q^b͵Q' ?6|R\,JA ڵ"TDꈭ:ymg`B5t%M] <N_zv2_Ortٵ/i/ReӮ*7[qүqEG* m"[I:6e^p"I$jԴęh!m)]GZkcjS!{e^z}+Cѥ9;R|/ֱeiUԏCNu2Zhcٗg$ݭwvr P8*7/Lk~I'Km1+MW%Bk|oOm>-#qj*|Dbѱkn|n{v#jĮqNpMIUm(7Liz;{ҜݞڝVƚVϬ+sO!OstGvxӉ']uӎ4g_ 1^-8ۦ k!)Ύ5O;YSB#2Zzχ;<.ֵOtge~.(RC#wFZeGZٸ6FFJ4e2ˇpJT$[wgV)q6muDGJ56q\I!̗ y/I~RtJ9kJ]Iy*'FN0s.[l!fw'y(7$œ WƫgyΙdMEU JQJv̋vmrۖ.jWR_M֨djYgSj0^\y'EoECjm$ IƩK>Z28J2TiJ2N#}.s cArl嫶nB.FIJ.)۔\ZiM>/hLĸ=C1s[?YMqp|94- 鮝𦔽/k^#NT(Y LS$6˩}{;5 )B۷W$qpN)qqoot}ZDVә;7TiK|6f3h$dԄ}fqݡ>Nb򗉉+ͶO]>ߡ_VtYf79ڰիF sq~prս|QM)g%l0ocJȨHz V;Bb/kLAcfPJ,ԭ{ƍgpjNR6VSI*$!yV足jᇑ.](EܣqM\qJ2eZT).<9UB/(B0j)mtKEj#׿fDI-=rZړj|'Nڤ]k*i$5qt"ݙPM6E4ke^Z8ۏhz$Q(R Ay2zfRñnpnkbkI:=j &ΝșW?׵d{+ύM'??XqeeĽ.[o=UxFS=ӷdZwenՄ]_X=ĭVa* pKs0ބۍfJ3 gz̚i|wnxtjc¼5${(1fXQ65ȼb̶Zkn>%FQMJXӡ{TZEVNᖣimT/37cNJUPnP҂ZOE~"-Rc4^b- FEͧtf5[)S!OZIښݲ͑;tvܡ+N)AR=hCNn;wL16-:特7M$=Tҕ-.R[HٷnXk sn[ҞD-0WS9p9:-Ϸ-jѬNu{ҹfv)[Ľvwfg(ٷfe+0mYj8Q1\ݧg]Eǎvڿc!4#j5̋C2"}BRriFp7=ô\TZ:\BLfj#I22װ<;صZl j 6:l"6]۸ K'6RTѯ^ئOԓV\?$x7s#r:Oh{ց=MmuHԷd{pN /܅:UE#Yy+(SgQ(Щ)RHzw>^Ѿݻ>mK&^ '$Jۻ&w%F|xfz%˳ L~3N?Cy9 v w/{ƿ kz3x> sXv}vP"@WyC z`'톽Dw%-tt yVY\wmuPYQA0iG-2JP,6/gˢ]u.-n!Zw.N7Q]Df}Q0({a\@=i_X7gFǘ8^⻲}G MZ1)WEfO12G+=-B@z\`||w6ċj߬m}UwRox֢I &c~XGP6Qndpvܻul'V7^FJt^{b^B(L~sѣ6@߿^xqU!ڙ5|Vpvef-uӥ^3  FSDɯKD%0r}FF穛r7 +o"V8tv̖NQU!5uFd"bCr^bJ=֤fM#ʳԷP0O-9xRBm\=`r-:;~3Tl(nXtXi%2Vٛ#vwqƴ`L@"H‹qW.j,JM5B[)WܺUeZFqc'V˷1W7V̾-MHФwn8N;HPSdݷC7&2j.W\τGŎ'Vb]c.x+Rx1%C2T{myg[qU|+m:M:շ8҉yWd)ՋWS%%:iqlʹmGwݹ WnNŤѩ5(9hTٵDdGUi-)vSs2 2{OnT$Xck n:¶(lASLeȔBjμPpTb2~N2~%^k[ܗ[Jzs0ӓHBKq[}JَA-$dFQgjxxFv4r/x*Rm% `4J(&iv7SkԲmSH1YWmx 8n.k']:Z˭_W >ڃXЩ. jTq%Aā[E}amc]D:rmHRiu:uӚӢ\p(5-q%e)(۬ҖȽIf<߽pr&ݫVfY91q2ĭEQgYbTGQ&,yL+N$[q*RVۉQ=FuTܻ>f>f㋳8N6$܌n)9&»iˤsX,݅܍ȩv+sRTpO}d?Wn/Inpȸ%O]StQO|v5\}7Zwb.AIVK^:wb{[uݯcytO߶S<{8KSRׁH̏N7ۚ[xkwYy_'ZӵF+>쌛ZUĦreE9F[24De{}@:ExWs-\ǻ7K-\JNvEk%:s˙#κ].oͳ;լ7wB6nwu:$L; DkI#Wz.:Xp(˅v$Sq,wn\qIN-e<5Oe+vuYTpcojUI_ާP8 O 7&VL8z$_B-H-[uh]T{|8=qVRN-:Ij:7PUtXϷmy鉿:RIM~33ӸS2#׳GdŲ5+/Bx{(WzȨ5Y㞎#|˖+ ط.|e<o/rߔX>7s}VE.OVti׽ .5nNJO"95{#q}Ay9do]R"M6z\tnNS-D!@3N_jicWsy*5uٮRcWv/.,j}=S)j5C^> Ie =gu9ӛqjtz]۪TMoߧI!Ǧ¶m:,"[L!{qAv-o 3{"KʼnrIkfٶj2ƙ؄S`7` k6jzޞ?e5G&6uʷ2%ԒRKE*G\Npom F/V |C0.q_eenƣ<5Oh'67ɪn[SĽ{ڔjǘzs;~׌(ۂ`ܢ1ƣ` _l9Va6%UQWh~P~\F^ZHR@:ۧCJ{ôGeBh;~ۧnU J\O+n2 RҠ)ng}Kh{5+S×ܛ.1ZjG)iRȤIN 4%{oΜ/eO[Nffd ĹK?nnԼMqX'܌nZvq<ķbFnͪaQ`5 s,M_լ?-@_{w{ӺձJ}GF[%v\5[ŒGkOw/ΜM9rjË%2+rd~+󲕛C9U۳r[aJǭm|˒LAʨSCq[XMۺoubfp:t+ΤĻo ][ zt-*67kvS7D·MMCQXm;)܎n_h%]4ܙnRk!]ڵsDUF"`R, &#R_*[z*ZqFXɻ]7|۵w+'pFDەs=r./ᐚm3Hשy yD"jHCr':sA65نѮ^o1V/ f;nFr3VM)e*- s D'H݅fӧ\*޷[k<7u<-]֍Q8R h|p=WlW3s%Q %3l}@U-K6f-NϿu|ڴmWN׮[׸F*mW\%r! C78:޳vBG7ŵ.JթԚ2x)ST!řn~9 W:Wpܢ件{xf8ٳwKE ҰWxVB\qBZ 2wMb[lGSnyԚ~z9ZmያvoN2Afnݽjf>)j3 !;gOYʹK" Wftڎ+׭b*2ϻK>ۢӱeyԪXISUm[z+ugX%0lϏnvg!;t{BqPj>PyvR7Cj]O%+ݲ :qiMj6W}3vC/R=4Som]ŗ=ю, TF6U_-\6MyskwMr&Q\wjKܩyMϣUj0*}RZܷSdY3>Zjqj6TgzpA/M`/Cmл,޻feE[/+uk^Vs1W$G(JsW2ٰu*߻q*Y޵.Wi:ur5T),=0uRmho.twܖiYwrWHntvEj8qhf`Ͻpf(R&>Ki%I7$QӖm-2 ~yߗQ-앑/ x[k8nw.c㩵k}]FkbJl:{.(˩n0Hqvαp7 귎.Gupx[N`Yq'+ruU7[ү+>!xrȫoSo]OC# d^Q]\>!ƛGw^Mx"-+%vdX-:M2UR%d>%l ioSu6lsj7D P>XxHz Ukà(n^Q V>5cVtWj SEiJdznyej[lE' 3kuٌNn4JW)gB {4 j6&]' m-(ZMEz8cz>WZ6#7+[,MR-Z!4ܓtCyE|umj1ƽvƷV\;%>Q :#Le(iVz5 4ũۤUWxX ^(ҔsլB2w-V ^R+; ˂M\z+Uwr+RWY⺧~ Q*JcYSNSλUd8in=v K낫k\IRרSUaCFmϿ5̗P|u ZTԕ}>oYѲ1sfP+sQkX8Gb~6r,s>^\,mGL+7[n-E\.Fqḕcl*Jmjb5 ,m]c}NXfeVlǸJ5eˡ$4%g~N p4Y*WwW٧<8v#;qԩTut,m"#Y D\5V`\\Lȋ];LȇiS6ϝZ l>LruR\v=ǘϔDg=ԈdFZ+M{=|,[;0>RiSi4,S5}yxw&(E7&fݙ4UՕ! ~'Id)]ǽu2K-fޭ \08Vڅ쓬=Vy^^ IhyKR-B#Ըr=]mܻӾ'*Umkoy rTqT_i,/8Q^<ݤ|4ԻO(܄"'5N~#m.(Ҿ2i6Uev&I*<}҄$eNtÛzyWJubW^iBW.܅Wڮg]irO6Ve90sgv.+sV޿aޔ[p?3q*FutUo*eL\KM'EG*ZcAFfG5J 5jj=MJ3OK:k˝'NMB7m3uFҕ\-Ywg%PRqMIyZGY9|μvn߻5cWݷa^+X֥vnݘ\v7m>Fgzv"-;Ew֝}1|RjN𿊀7g#֟*GQQ|#/bo]p$>_Un9гUbn9׃ErQBU-^vDmVh'<R[fdHT]*~}3j;nvjc7s-rӳ Y8[n[1pJx kX[Jk9Mn!_Nю6x:iZ˦U |߉^Ԛ݃hYxk &U^bwKk.[jE+P(˞=9j@snCv7%c_7=xǁ<l {t'酚+1F‹l׭:ݻILruǶkL-L(K0L1&>wXB(pm;1fpnlp֓%Skidkt(U +xulo'/ڕeN r=^pZZ:Pnj8Hf"48ijY[ N[yZٻ+=  ø:3 ?^ܷ^Sr#YK[UF?CuhC b]GM')mڏsNrܗI]ljq6VB. W,UK"YX5{c >Iqā> T:n!,5l2VzCl|+I[*SrjnS6٨y+x,@>П.g+!rn9>N|W>OZT_ut Y""v7|sfި;Pclm EùN,{'fNT%U&LfH8~1v>Il}统u6P˗c(WV~H^bMU.o*oOF0N:_:6Smr_.b+|ݶYY غF,mwjv>f*>QM뭱Sd:`N{l/⎱;n-z~"Gze퇎J5S KG9!Gn;N1 ݎ h6m|S?ɂ5'WOÞ 7|7^ao @mxGmi^jϽ>01Mf0լD3-2T. VXR"ɥV Kl J O7|u?bvа;6.eߓ|[1bmRr,eRz`z 6܎-ͨku͹Fː dPhYgZUj}nvX;z=gVեTv_J }\1n7w2J?ޘγc\E 1Aޑzq;\r]]\Y&[nsNei\uURje*Qk2CSl*xJz-xٶlm+|UjUؓ`Ladqiĩ!Gd\W~fz;Tn*PdRM&T4`չSWq5k훶(N"Ӎ% V]֦wb.nUO!u*J&Oӕ2e|Z=eV쫚΅g#+/RW:طnbi*Wyo)p{:ETKؚR(RY+r웓r(IF) VmȵNB:h Q1ғ|u8E]{,'$-TR[j49l*3"I鯴zhd>Q+\BkNF=.$ZR4Nwհ(IpNi.(Gi33#33e$FXK*NdWrud[r{xnk$v2ıh+J1TQ[#JQl[tRO]LHKٮ NӍnF񨔤֞Em'MILB"ԋ%dBŋ+p̿_17jzT~4pc Vo\ƹb9Rq-'1j;8ܗ)hE%DZKS<璸Bu*%*Yw5ڻ9ۣ^z4U; Ñk\U(o~G?VUĎ:?P?_F_Kߤ~ᓾI |pr.Ok\SklRhҪz{­P .}SktZ7UQ4ڌIM8̈eaӊJZ%FFZu,KZvln廐SNFIVtuNi?CM5]+Ph,{jN JSR$IS^tSUVrORYu.9WyP6 [Kiu m!X|]Y79ӄ)\ģ)pbڳr%*&ꑶ_-H*dzk)1 V3')UAϹٶWRxe'պn۫h7AR9 EAJeGLms!%D| A 5]/Q3eb̄vnVn%za\m kZnv([emqrIҕij|""><hjJשvvǕ|Pޟs}V~2&Z?+2N&Z4w@)4iSڪ_>/JN9Hiۏuf8'It[ȲR.hZ$ȋ_Y ~U<UUO*6b)Ovzڜj\R̋.$FsQuҊj^נ䈈y<zZIuP[}Qm=C?zN(Exqu/kn S-FzKZzOסӽjJ\)F3b!r5ٝ|;6 o=-3*λ]αb\abqRi-w޵⦪~b8Kpo)Z=>)ғ"5/GTZLE-輵f7ݘ۹~+&+w/7GFI:l33fg.N~۲\2|*cnermnnM+Fq"ѪIz%j =YW8@~gc/~?N'?)«qȸs➟n=k" X“m֮VreMh2[uݖ] *FܖN)MȐ`f0 g,C9̑o;ddudJ=In13:ݒvvdMUEJLp^,6t-@͐9'{7m{-3,>hnF;ѰM)->>+Ěz!R* :`e--m7nB\u{b U>[8֪]6^ߤLʦ\DFNo$$dͶlgno8OrsQ\l̯hRo8tuNo+ CTxu!2[>ctFpeޓƻֶR"3QrQuOѳgwQr;S~)6HhZw/GgVTmUf_yt7%$];zLWF̰xy2Ʉu!MCmš_0[W6jf#a-KLi+3Q7c^qg%s<1aYIQeZf+}>;S6L0]Yu_h9߻<ƅpmiM$AVvŚ,*#t2.8Y)-Zhshü97/#Oro"u^/uFgWɺ,p:6a,^x%$Yve^3PƗMnTP&yS}OJ '덫MH^:rXԴJۋ/rI;S*,+yz1hv)Qw^ڍJ2oL׊q(\fDj:^T%vOadɂnS}ZO)N*λdaȜkG_PIEO}нa(^iQX᯦-7^)%g'SJx(.S9zVɴZ{E ))ۅi/s7 VIV-|sj0*UBTHIqRf>FP$KqN0 R̻8j\GcC}IUz\i 6F)Q{Gҧ3qSzKj-Az VЛS-zy:8*mNk|D鿓ND2u+0Yŝ7kqm·?8Ib]u>˗^_>(]vӋzv+ݩ){vZrJ2RQ몋C$z [,pp,8mڊbR]Il .f~d/ݓs㓓mͶ{mgjQwn=Oic9ܚm4Q/6ݨ[TƧ?nԶoytf{@AzT{e{[O'ZRZt~AGD?s3􌿂ՉIw'|~U\ w~di:Kޱ)U/sU%njѩ&GSP^ǝd)..!^U` 1wX[aԇSxoFV6_扐)T 2Mfd=ۖͭiZ7KK Bi9%7@<3<ճԻU,},a}FRqɛr i@ONJvK KLN M, ʖv0n-]DwlI-X6ܶ$Jʴh5O+mOI+Ra瞠\ MG7BفjYo1#͖0V`Ѱ2M?c8>-Crt*JkIGS:e#hPKx[鱼>{5m;wcն&>j-M֥^َ) 6yȜl_w{-ō̱r> U=]iw3)r*]:K]6BdCTZ|>gf}LW}[$'Y5 &c -j.z6R 67MԷFMnÌwI7w5E}o޽+K ֵy4܌ȥW"COyR[q5Ӱ͙f[v"_#q{MV6܍3"u9BK(41ӯqˇc${ߝCi6I(OmθzҜ5k^:>Jzw.>qV8{vU[ڶEm|DžBz].KHjI]x;Mɗ{m,qZXr忇2u^RO2Z}ZێS[2Jen!*NDcrBUً4<ǼMҲs1Zw57c3&ĖڻzmP*FuJG1-dN:|OU}ҵgi2t~F^^Z.VxjvŧnNNh<:]^~NN+ge^g.SԔGFe߯'[vn'(ScJ]kܗ7eJOlRrfziݮq̋S"\*U<*W]k$FջV}? 7g#֟*GQQ|#/bo]p$>_Un9;l S VvQU%OLU{οmU6bZ1MTx%!֙Q7, J=!3 ;Q,ڌ;6ͱ݅q^&ߔ·n #WbwӖX.HtG)N&d̵zpI,n cu ޖUj+VXUp[w]N o.J6Z8Ts&utxln;~HPHS/xw`G\ʡ¿rj Z^vt"[L:SD\h0sUwR,}[x^X,R2Vn< ]2YDr[SRKs8tXb̷G?Ps Tv 3be,zVz D[/I.KOEQrm'$7|[J>r S`5յwT#\w1FTz\Ԛ &"ׅhSHrD\'r]~/>p;:Piuu:"9ő=tTaS7V2rӷk7mb[^WmPp*[y.Þ6f]cizJCgRR@UVl큝.WJP1N{/\whZ ػϧӱE7|E֫Sί.x-Y&pi%v''-x6r'Ws*6=DwwUu]=C?MK [yrtܒG$!WGqJ*%SAz ED[^)/tė/g=#Omd.|^n/sl׉g DZqemqowݮRzUܜ=ڽ-o/Iۖ;qVʘgPp|mm;6zGl9.8pwWgsJ2qPbe}}UpNjٯ}7TMQKrؽtEx%v w߾8%|j;~|}pK]ơ/ w߾8%|j;~|}pK]ơ/ w&~e_H 8PL7:%ʭ5Kw&U2vwR_+rm'}C7#rWoO&HoG?M$UR7{FU]u ;# !Wk`|W>׹潇9Vn)6)*ҹ{%qV4q>W1vi#T"Qk&GwxcJBJ- Ϸ^ˁxkU}ԣ/3.;]J=<*)cS)ROK9H=,r zX @)cS)Da^ԽQ gxJI=w֣gf*TRj

2 Department of Biosystems and Biomaterials Science and Engineering, Seoul National University JFIFddDuckydqhttp://ns.adobe.com/xap/1.0/ Adobed     ! 1AQa"q 2#w8B36v7XRr$9bCt%u&Ws'(xy4T5fH  !1AQaq"2B Rbr#u67Ѳ3sTt5v8Sc$4ĂCÔ%UӅFV ?_Aנj- H>>,m*>fzp"TrKkr^r.|_&]|*vPuܶvoQ1mwVJUhu-I"=LniAƕ8"۲ k*ҿ[yu:.vUQ+)%F DHyVBk>Hy8jݹ q~9D4KRmzQ)^ʔ.J%k_tVi5NTjg!'ky|5asOȻ)R۸ߩFMԿ3L4j6dڜ#NIwUF]JqB/(FafJRzq3\G՛ ?~\ 6)6W4m[O^L0E&rRMض*C .]Unl-1 1r#Rj/&QɈ׉˩s6Rj=5Tg.y.·Pӡ:JJS:C8-2u]d&vUz;7p9 5VnL֢"y)">iי(IDDd| Yj0; LRfS:ktYK%*N2^m|&dğth":ey)uPQZW)gcC3Pv&MMWd&Ŵ۲mvTRoժM03*F3Yd6\8,\hݻ kߔi<k NTwSԪmljj[>->ptU%'LR>&EBH$MQAUx[$Z6vi&_a.KIQ{hyƒ j"JOC9eFҝfj;˚Ω<[3_m% lQ@4g=5$(J]Yc-OMq<Ǎ wSzڗ)k$7VIP붾ͯnV+卵*t]iЎD31~SA1éC2u)ʼnQn-Uoi3:grI8ؓWm*G zܕ)ZקJ}Y YlGeJ6cB2I NS3Q>k=KTBT]W6+SOXQgGR? telˊ%-Re\hѯ2TF"C/OJΩ6r[N.0{SpljjX1“jOsӥ;ҭhe}xu`Ք&.)yO̒ Fߑ.$Qw;9Iw2o+RVJMSOj[SoҌZ%;`d$blQ{Ro{Imڌ>3egf\O֝Uzx"䢸g+mv%Gʆ:|V[N'&ס-ޝ'kfE|K,G&˳98Juin/\\Qݿ̋v~Ǩ!rtWU d|E߫R4d}.qPw*Ӭv5YEcn~f5c%MTMkb-F>5JT,})QHg%{("ӔȸWMsYyWNRrkkJr0XドnͫT}r-jj,Ŕʍ\Q2Ri>v$5!]"JB2WɅ)]VԜUc8i|.jeRO6^V.¸ Q&#|ܶ-*uOG%JAtRZRr]FFG\۩w+?'zչSѧt jz>KW&ot{7P&2D;&\\>Q2JzܗAKSfeNn[jRrԕf6,q,F1tRfԗ>vֶևj-&R'Zi2=xv~Elbsvm8=ӛ"ū񕜈BȩlWau[]ٷBߨF~J!|Ipr3R̴#Yp)={7:G{+:\W}n|Q#%)7^-h"Ƒq:M*%J&$T軨I333׎g_- ucBwwjp[6i25$̏bU’ٱRv?G\~#Iͪb7<<}Ezt" q_Inw,7-d,G÷%T* Wg1"䥱kq/A.,_KhqŒxwvo u2ۥۧ.bQ}XκA$֣ +K״ZUNmڸII{.v{5z5ѮRme[moyƾd~cRݾK'j.\i&/S6f|b=5: p!6i_ 4j6=.si˧eƾtS^c.Y^RJVS-Vi3,esi08?H$GvZgg?gi䤟2adw릿:"۪lkSN>q-4kI܋ێe̊qۅgDoѨ9; #T.Q;7#~_Ufstb_'w~Xw1Xk,vcOt._}v}8"(4Z\ۘgk?J?bm_c!g{HZV]Fkk%~gEt)b秴vΰB|꽸}mp~E6ݹv;7P٤v+ri*3Ԣ|'O14_~7nP{7ZU\Vű[ +7󖱅o#:ǥŬ\|3r%TJX]V7ez¨Y]lc|O3V! R zbJ'PnGqVJ"19WVeOF埜EaEJωqCN5Z g-9[S<$sUK5b|7sn\7x qmv##FF\ w[=-43$^ooVSiXօv7iB۴yg>]Vf"r$J3""32!Zh[K%7GvNLs+4nB/B{vlsobJaҺJR:0g%&zR\ S3T[&ִor*ⷳc3ʊO[iozW٨%$gn:ܶWwFBԹjHP&z u&F2\f;ipW73 [; '_̽b;vib!oec dC-tS__$Xs]l9&z$2/N>%'[}b{h/{`{Ji׉׏ YJB/X%}.|+{(S:qz]4_Kѵo`^tY_4S#* ^zvݾMr+TrkQ g.8Ͽ^i>ӈǙvix>$o( ^qt*&t1oJVu-ql5U6jCЉmĻ*"?JT=K'O/|=Vo}l0b}}f?X[?/\JSBe,kP8ETJ==?.p5ފgbU9}ǶdNKk—_$8̸͓ۍ8Di\BԿ-1v{FF]|.^ۅ{vl12׏z7-R7wE?\nh\jN/Kձr_oBw"N QMBZqe-m:ӨSn6j4%!hQ;sv'm4kcM=!8\m[M4{SMliۇ%eֽR&N:{2A8)THLK3Zj[jPBx#BگMf:G1\`edcʮ?|w(-̮vXt,bW2;.ιNHRR#YwTM"<;mk\.foIDjmlJ;vxy7o7i\,KQŊ9d^Mmgc L*.T6tLeIuOH3SJQ3=F/ʿ<9\JM6mN6=<{xkP!F1QR[I$6ُimXu2An2yԒMU q f[IB-'䤯jYm52&JG\zд\~vdg QtHGXw&1Lw+nDEdC1w|YJmvP)HZ>i0BPβә?R:QO["]I_Jʏۍ>QKyu^bycBq4lXF~l [\*N>-J6,Gq(Zr5h]CwYӤU~ʶߑ u*SIv%ZfJ7)! FS*s_\|IŸZ)J ]ܜi4"z[+Z,MOZ))}|Ʀ(RUNIII.S'ˍO~˨rn}M)xxӕ0 eyҵ7YMAB]ӣU:/ѭ*6bcwP͵ "+qēVjŹO|GtY4V j[mLV M -m>",B$ GD1~j6O4|LxnNmqATNR3ε|DŽa[fmn-ڭ+FiK7Pcm;r5 l8r{#-]'nrFh2ruycb;pW=njRqRJ(d mnpckNnʹ+6]tz~E=ʕ l ZZ5jSi3#47.Lcfe`9؏v囜.F\-UZ:*0_<Νu9Lӵm&)_3\^ҹ3"1n1v_|uRʞͫr'iȧN_kH׺8xXrj=\МH)V\ˬ.Xʸ oVRC}ySU9/OBY먌5 ٿwޞ)rw8Ӫi5*5ZΗcGƱ !ZۄlmpjJ -l <R̵/JAպZuq\IdUS 48wXJJtcg4cI~aqߓwŷrm-v)G7yS^7H^-\mŌAq|"m9IBnF㏉9[N+mmy/!KKۉ%n +BdddfFF6FQRN-U5;Sv'm4kcM=Mn)\qιqUd9F%",6MGdT%-+~ f%+y֛^3SrF>6lc(֪vۊN;g._0Sѧ]ETWرkQKzGe9ʨsKA"yC y2\[5 rԭ7Gk5Mzw_4sM3hxЊ'oÍ5jsub )ͪ~tR2H]R͍>̋m6=%(˿(Wrr-܅y5(ܔJ޺YunW̹븹NsqK ]/QR#"ZMDfD|43Qw|._ԡSqTZBg??O Ϥ)/E_U|i}2 9Z?¹0:x'3,whǣ?C y-A~=daJј&M?D1_PS+Oi&;a @;Dž7[ zZC"bv:jjMQk$M RԸ3uA\=wI.AwC"^.{?-\NSiˏ"b}T/}q/ o.1M}R%:-ZniʒL$SgrBW*,Mw'N\ɇ{s\j]VryG'8f`}'N<*/`U숻z CwHq18J+vԕKss4R53/&XTt1bZƟo\=%nO)h$rBi-nKĪ^ ջڜlwkYm[̑+/QrZo%TQ;TLs($2C:s.%+eoNttq۰kK7O0m_t_pZ1SsSM7"mevFZ[w -FJ*T*jФQRg BSu|]g:ɵzjqwmltL.e3sRMچkSmjkmWœިm++¦'tILk*բQ D,PB\lI[9{%Gb R6öۍmX-MaʉA931cs..G4CujQտ[9 }G-xwl)IQz j Ó"rqe&=]꾧֎c)<kӳ+0JrRR3'TnXi^xMF Bު*tIL.[h"2"nKzZe'ZV/RrNYz]8죝n]Ķܩ>^Ժ]u-7^\mZjܣ9+Rmn ߑv?oꋘ?&ƪy^N4o=3-ؔ̿*`}V݁ ƒPu8%$ ݗ]wt;\y\>='OjPIp/nJU8{϶FNMsf"ίNqƹ(+ ݮF2Km |jܴZs%zf*eȫ?]4)I۵nR&FX + [jDh(#哑9q9Eծj8noǕZf\J-l&Z˫}`ӎhyrΉn\űn]9pʌӣ"׮Wt?N4_I_~54#/my1Xr*척aS#DT >q ssΛW;3oUaJSRMDgQnt:Ql,/ ܷfRqiM Ȼ>Cob;A>ڦWقM9X~/!'MW.}Vrߔꔵ!5|iB(0-zF=}okڢE$^wW~nokY߮\6՜̌{i-AF*9)\t9IV6۸5ZUF6R$ŨQIq砳YUZ]eyv >hI櫥N )&l JulwE1GDOuFN2| }馥uC1rޫV+^gdb&W[4<^e4YW,d|htͮsUM)۸8:{3d{AѢ)~ \#J=NdƮꮓ90 |1K$v*?мS ]i$J,C,SG?/_՜pMSƯM|mG1V1$~K>CSvkuj=&) -,yLjuFHK{c駗.SOua;BrSqj-ۍZ#'Jys7[g2z/.u4+XV2VQ.ޕ)$"(%)#Z7suZ%j }BǬݕe)Jvz8zJf:hIN|svO1O#IEcۍjݽ:SdὮvu^@:o^5cs>i/VqmVm]ؔܢn6'vޑ̗J4Wn@OlKbX ;n:hgJ9ŻyǑz8f܌q&Y fN0N;[69 rbׅC2/#kE l&2~èMR.*%g=Ft.%؝e8<.e=Uv{~㻏"EˑnvDѭ͜Lu3u0:U֝$[M5<:oi+V4V9 6nXvx&_ q Qqw3W:uϔ2yb/(ɳ|5zQiJ#r|Hw#.W?4aDŲ\ugWG;Cw鐢K|xg)##=O.dF˟jMUvWĻsr.z]kPc9"]R)mkfOd*uYf١RsB Aîh=k]ʳUrrZsq`d#r$/Ը3o^&lRWȍyuW̦Y4QDUMJ65ƒ[+ygk XK_±k#y:8(TJOSQhJt2.DR}"5[) r)6V6u5k:eXZmv𭤔!푊Q[qQ}ҹLE- 8qIZG|UM4j}Mܕ[Vwm{} Naqµ"ԈM zOpKѰ?IAD3Ir0'/q1itoB5{%wkOBn-ۜduqIzYK60{+DʕܞqIt";r1mG/\/ym[6JƫR \L=S=OT@Ix[TMm{>ݾտ֒ݸӉLYIx>+"JVNzx||5rI?C{oz8۹e\R-^\A2F R+N9 vlT]"ۭ d)t֞i #E2jB@׵=#/N+!ĕhx}I!cM`ąZ*ŻɄҒ߮Y.Z}='/oۙ3IpW̮hT7cTSuz9>B}΄&h!>lӵn~j˅IvU.'v'CSZw8QK3G> ,J59ٷ+HSg䧎hJdzvwv-cvxS5[̊n~ؿ%ַX?O0\6ne 6kn9.ϯ} *h 8_QhLݣ7q +=XBҲ5?[[)+F`=4 }B,sNg==u*Nj9k_GJ)+R~GSPBȒZ:(K]heL=vKPӢwq(NrG^ثϣ?#tC?.ͼ[ۅo؞y#%ǛjVyLSw%T*s92JTM%"YkQО.q)gCͲn8cgi6j1MѾ[{9h^vƘǚםidfi.^RHmg&rׇz:}݃}xT$ضk'5s-狶,\vpbPD،=Okf.c#cdz2FK5T!&)|ntD<+OŹU i-G[EE*FDfeaf2QƤM\UG_{ǹm%\yrGy:.\4wjPGUJޕUV7Do\7Vy_13w;[?c]H\$IJ,*L]3b%L{y.JRKG2sq,B6T}(#nW|km+q5] r㪍bJ@y{byz,b踊3ϻJ,'^xd،)JVw#.Vټc''ÝպWtbRؒJz۠8!o9IۄS95E9ؔ-e9JR{dmnッ<[~n${~Њ$W?&ՐY_? #a.ߑv?oꋘ?&ơ|y^N4o=3t=~7!/M3>n8W홎2M`Qx+ z qy8%]7_~540ۦ彷]Wq CѡwkďyF5Dum_}~P(5.(X,K9vᯐ?leB9;Jhm#3{CxGE-S{;@Fz˙]=O'!ɿ]' r`:7'2bЖ>Iy,/eTy/V<.H?UYY{\^#ѣr9^7?xoRȆ7EoS_&??zϾM?(~Q-K&>"~aߨ t7Emsϛ+?;fCr)fY+>z$tIkjn_>vnrֳki-˹l= t;'EyC¥|/BLwBJdgjۛ$s S1|ɍV%JI6KvəhzIlBYɒ|0"Sy0F>eo5W)O+X˻u';v)2vVq۳kۮws?UʑBǴYO漪e2MIjPAک\b1)DDؚKm6ZWΨgȕ۶yjڳ 2ضN[C[|r@9Jfo<_eI7q.|cÊV߷:i.:$ȋ)1%%)ADZCEBxJ0MJۥy(bNsKM9k43IwNt.\%N簤I'.j|ƃ2$grBEٌ\}9:v*!n7M(ɽ]7c@XxƱԨ37īf62cTTfFK]9wntQHͮvٱI/f|j=7}\_V5U^+:uljSȃY(XI.ȱmo1甅jڎIZ2>#\*:gY|4k\8ZwSqtyA!+];бޞKծË¥e)#5ap.QK^8VdU{*ѽL\=qmjnB5>{ Ӟ`v±5 ^k&O~Oshɷ,;6nOW>u6{RqS`)S%jp\ipdEBLfTWy$GIYw~䲭J.1vSY5z.V>^+Ǎvc.I[R{QsNR3ӎfhd>y?UJ*}~[e\i5U^͛E]G_FS(Iɿ]i8:4zj~շsW,ˆsy:%O}iur]iF5~3M:Ӟ#N06)4ߧgdawIotiz:1r5YDZLHBSi;NQc44la=Y kQIT*ըl:tq2(է9VO4뒳܂~2rq'nrVZŦ[t7\oլfb/mlpc.I8콚q^1iE~䰳mi[dۧw֤ICfdFeCsg:i| 6擣׋* 96lust^{%99UNRvaMܽo ammi$em4D6DD\nA%$$#}۷/ݕr99JMն[oT޲E"KTaP+HGkŴj5TM5xƱOS-k`ۛkٝWz;{kS}F;~q|~^_|euwnE'pSupUP)V]vE+t =ZRaVdG6= *.ϼnj9:UɷbېmF_tޫgHjVS'śǕًdkkѻ_]Kv?nT>)^e=Ar1'3ԔILyD?:-^in):{7.؂\.:V }#뺾.3r̸*xbFM aȵz 6SQ:ײj[ 8nn iFMw rR"5M5I旘35f^j='j:nNW.ʭocZvZKV^ɚJ.cM1ZI7E'6rg탸5oZ=[m Z`\hbMUR١Ȗĉ):Jin!_7Dй+f̷eKҷvͨBPR(V`y6tw*MRΝcB.ڭTnc;P$8nFvm4(D(R#R-L -2:FP lxZKQc6I("Km%$E, 78uXIFA$RQI$JbInG]c[ֹ:ZM+n^')JmJMJRu{e)7jQDw~%yQl}BZujSSf۩QZ+Dzhd5o%BIc'GZ?}΍:>Ɵivז-%݌J5MqGWTVʦh݇ܟ~Օ_6 n'{3~mϬj'J11OȻn߃r Qr\3y٘+WӍ'WxEs^O3 o~[|7>]]H9݇ZomT@]?5B:Z߂'`V_+/MSKX߆ޠk3?o7y:4R/7þ] iG߬aBRU&?r&/} cQߥGj2?C5Yśe7hU=?+ x龳f-܈czW^7p%-(\D4h{UK&ӡn^m]Fݢ:`δvj俜F+) y[{{ 7 tu>gvrěOj'5 iRg[ͶFjGe n~qT$ci ۚ0oԹc*jL[sVWqj\ݻ&6"WoK:cnWmrv)o>66(F>=W^bf#c zzʞtپy%mՉPël e}J.\Zk4ttt>oEM=q)hJjI=ͥ(%]脼_88ф;͛gWG;Cw~˘$4=uWdĜTثNDkiQL9U*O"4XP`02,Ge-k5$h>ܼ]3vr6!9RQPIVSnM(ۓ{>;/Qͱv{3&-[rc)ܚI$n{Sv3[j00)-D3z}MRzVQпj,T[uVs0\}Sid;r(ݝJ>æʺL&c[jPK0~d(FKÝW\m]GTcF|Iׁ)I3~#oX%vҦEݑؼ5Żv2qAZTE^..M{ʐfȏ2##.R}*KʛZz^ӞN*lPťLf\G6[WVQquV]XAi)5J!,$iJ6o$tPZc;Kjx_n3`qIelV~vLy{fn匋Ѿn%;zV.n'-ұdd2߽1bZksPe3TI9)$ԩIN9Vơ\=2885N\ p)/a柛w9g_lױo8ݷ iixJV& ғRi{N^_oAŮE6Y7I$Nk$|Q)-*4Z)^¸%4Qm [I%.c-OV+C֧R#%ѨCe3i;w$G+_dy| Fzj$DI(=OA gj%v/]8qԯNIS*֩',Q%\44ZZ%D|Ǧʴ6&vֵI$%8(ԬƾS&#Z. }6z?b/|Jl{ץv&mpx4Z$”ڝ4-H%dGKfM:sKSRWeJAn]>s6应-W9'H]'uȫYvgK^\czp|My\鏩w/ËQ.)]\QiS`8uL뚛̸=J"ܻi\å'-)54Ue]:K\퓡vK xwBqrH\*֕TnzC.mT=t-H]SČ~Nu╏NÅ3f|͡G~B+Xm[Q7U{9"~jgK Zoʰ7"qJ,ekSeNGgϳ] ^.6:s}_,%eRg<5⿨z{ZPun#jRІ.6g T.!]xa c#jN$Zpl̋H WZu8WmMRýsĮ?Mco~sx TU҆Q :KDG4n42.<3/'^?6/ܠڒ^yrrÿr2\D}}B]^E~^T cɛ7϶Y[<֞[7d}2%QPqOLEQR\CIsj1?\}%tJ0e~ *sk"*)&ۓEi#{1J8Hrt|'ܝRr8)=ƔN'RVz:cf]F7bZyZUȘ4x8,#JG̒?.W9XnO]KO]%]ƻ O5Γ/3qÓj؍/r̺rƵ 5\&m6h.xoeX[=<3%< lZ"2h\Z[&jW3ejm?k&[]ųj+{N{66leu_+lj]q* 7g*knأYv= q ەdxЬZ|%GUrQ3jLŒqET]1% qkXYūYc[7Ś]QY\jko\</Lc7+'hMSUc6qXyؙ~6#ѯv.0$BQi5YyIhɍiy=KD!n3Vm[V%W-B%swa97ajۗ m+9~]fKq|Ddaˑ0A]_v޺mM5* F-BYHJ5}q>ʉ.6hyDmpD׬'-_v5;5[8K[viJ.3dR:oYHHh9I7:۽fi+wm^ [)odPѱ52CZUJicSw\&_s0uBȍh32džzQflcd^m|7GѹE!fO5]]H9݇ZomT@]?5B:Z߂'`V_+/MSKX߆ޠk3?o7y:4R/7þ] iG߬aBRU&?r&/} cQߥGj2?C5Yśe7hU=?+ x龳f-܈czW^7p%5|Y:SJE\U-(a_cƣUǽXXKiȞNlmۊڭڄR!**ܤMeȽ$|X5(Ź\rJ~ܮ]>'HB0cp XFr_c?f?7<ukSgov¥iG>>䙗i.+t+bOjIܶ . i^:nm}s}(3>NZ$2Qg([".>i.ƾ)B̋M8+"- >eE6DݥJnJˣt׻ 5.˅nJGwZD~!i۶a,Db3ZQ3O#KO5/֍ozuK'GbRi᝘NV_ҝcvם ZoX}F6z 7e5_e:ۓj=AB+iܔERadMBq*ԯ DwI/Gy*mĥiRKg6skY/#SN4e$-yXM YL?^ĸNNӪ{$r1JJRSLO]Aqm>V/s[~i/j+m>z}eI"Qvp]{ZԼ:{vPAG2=T͡@ڐ#u"E*>C;o$~C#_d/HBq^YRٽzIKbOm\~żjFFGdiQ(*/i*#.FF]©m=BmpQQQSP&Ҫ!T&^>:y)$ˑÐFčI Bӡ-t!bM WҦŶ'UZ=}zvn~oT/\ǒ'nr8 AJIӆz<^uߖ4eFC1i+v!3qNyߕni?4JZlmYFXFۼO0B\m[ tʄU3s"Sr(NJ;SKW72L4̏BVdf^Ҹj\]ȱ۪(ӷm?J-KEmWڽ^4<8qu%9pŹW~877ܾeVгS(յe^C]yX͹! םm4FGȋ\y'Z FX7e)|Gjt߹#gb\ŧq_([R8[qU$Z (ʻezV2V!iQ,i$JE˂٩ a(GK'O{vnBvryRd-RK4=qxZJMl_CuuIz @Rt㮽޳!|68\-l[џ84-2Pu" RJ_^OL>G1~XnBŬw6J0*Uvlږ1N G1q9IUm*'oWu][&UyYZbBZRZNfEJf"+2nF~Eû7n1xv.RUM$6 lAxSQJ&n5ܞwlEói"#>4׿Q.nEq7Oko[1wg8ZQwZYiqtm&~">Bo?w͡ni2峋NCEy Ҕ+%ZJ ʩq*fpˤl,~^Mχk1+:ݕ z&Y`KLӪУDr3[*Z :(SL&ݻ۬Vqsyԭs x|iI߽zZrg.:mp%6ԜvgmpIUt;QbS.Է) ǨKSV,*lڌ|5Jt3#NP.=+OZ~/G سIgbꥹJnl_DUM\iM!֔wVZuԺ,yV.Q>f v:݇WiaŸN5Ҕ[M7SsrvǣrMW= \8ZW-jsnڕ.ZnF2qt ً[ٻޘY۷Zm"Jxr&NAfA-݌to9s359݆mZ+N1-qS$D=17 x׵+%_ ve4ir6Z$FDڗnFtOr'7'{9C˨ꤡaYoace{Refnft RR"4%ʌm:Sj3)OdInTO>X'vxV#jܮw9Fog;5.~Y5\~18YQܹvj4+~t7S ﬕs %^۵ڴDZV69R^Y+rj$ԇoJKR5wB9C>Y:l+EǎS{ʲ{T6Wi* ^^9k/y/Cs\g*qڵgn4T8mERr|Ti+iPe;;.i\EBEJ 丬i9ɧM-ԼsGDrZ>r#R>~X9y4b棇9JwV۔%m(b[Tjvl}۩~nDԺ{Zo-YuK1vx.nWuO+jN [ٮ0%"΢CdTJK-RަH"$I(*ve &҉FzB,_Vpqp9m8werv')E;o&QE׵^d9˦j\_,ڵugZȻ̧8k+jK{wmr@3ӭ2 wFkzFVqs1؛.v'I%$[iT]D5Dl2 nk7qUxԫLS+sا3/ΖeZYK<["%-g/kRs:f3;*E ت wJ%)5&+&rw*霣i|sMҴ|;R+fm䡩.!**dӶ-6s6,]zAXMWjmnz%SJߴm2UXw7MQ%<!tKys#P,W>s;3IYwx<+i_\\\U6 u7P|xbn_k&ӓVOe䦒 VUr,-㘘"-LZeOSҠթrEvq8Kf%5%&K"#%vD/.ZYYŏ+p$nZkvއuW9㓱Z G wYIFyf)?ƎUm5ԉ/'k84{KO:rQI}XRuԪ|*lu)3qZ[mSm5R3".Xcَ5c®ࢫI*۳~wRϿQWޝ(EJrri&ۥ^ʶ齲Im|[yb;mnm֩uiܘq>E+Ikx߄3r33-5𹻖09ϖ9[Tz~mr5NsWl$oPusޛ^{Z;);sڹf\3oٹZmԉ/'k84{NO:rQIBø8Bݱ3n֤DiK4u& ofSȒܩx<˘|N0Fչ]qsp"}! QWw@t4ӭ+cO5%]'*{eM߲DRO1y*q8w++e!c߶ܪlZWّM欼 CQ̼빶lX{vib/V/ ai;x6~]+z]MWB>re-:lgk}պ!#9?%܋V-c[z!W?c7YNm/jRr[HOzԻefճ0q15Zp#rkQQ0tU-AmڵP/cȕ?0cZYj;:0ZM=D6g ?'UN+ձ[K ܖB2'xq9{|۫N0ku 7xaj;n\ 2[VznMlWiKbSk))f..)Km)&bGZ=>OR܍W:j'rM'wYz&/鶧{Sʵb"vջq[I-ՌZH._x*BagC'T(Q:$ͳQcMCKy?3g'ߝqnT);qs #ؤZ}OOI:cfnc8W~qy.;^pVl]Hԓ>^H^@7-AA܃nmL(uWܻS߿ Td95Bdh4t6*dDh!EhI[iŨ\L.&Nc ܮf^;$R)\rip9I|ٺ?#R.ZDZ;/]nݻqs\QE9M&Bd ]N mN*D>tgbK>+ˏ.!23]BȔR1ɝ^j'k2ƮqBQq[$di]icV/e`޵B.FIIJqbi>Ӥ|p; 6${)RU>_e}^dzdfzi %ekRVUS?6'hׂ)5.\+qUgzE2C˷ecŏ^֔ibk shesFWJ#~> Wk~ݨ}ڶ>ơǚ)׽ZƉo~B-ڼrvoE:Ʃ3ۣK7+Y`WirS):{>ڛ}:wԨ(J_";6R%[u&ƫdZ_\'np| RJwNeTW,=rrbnkڄ[M3ܴz)3- R.?:okۼ0TU'w{6&w7j1z3ON'fGoO?)S_bQ_¿R(^ԴԴG.EtMڇ&RUiW uQjU> Kiu1d<ѥIQ'RQ1:O/lŗᏩiʂv&Jc{D5 Tt)1.n[n۶X}RjqnOʽ(~[Ns{ސ⛌uO,kgo֢dRNQȄ .'6W!׌P朼tdZjFGE"]K@'i۪N;sI[{SOzk>`rRR+!σj8&TjlvA̷Q?HyjyLHNտJMjܶT۽lG?SnKN%<‘ nq[N0Sq[Ta(&t(|HGO~gvkݻTR4&Z$#ViOY1r$6YF?e4U/Mvxų:zbU^gQQ+NW_'4jfz^c'#`rvrڡ(IJ/J ݦ6 ]-CW |_{v*_q3^DZ}Ic6Uڌ8p7{crZq5ki`)mU6|-Z5^iEz3P=:Cu7DF'k%}<C-޹ֲ̱#\,(f88%X-N(ck0VLR~} G"-8ӏ/ϰKq?(#nrVTmZ;zióM4 m |UT'C^_1X.gXM{%ʤd 4\ovN":"y-,T)fLQgۢr=/CƹǨJVr[a+!rT|%Y\ٱzsS>jͱ.oOc6f$q% ǒGo;n[];ߎjrk{~\VۓNIGn:iqxo |~t5)Rxעri{Vi&NUOl_ѮMfsޕkЄay.0P{7N((BaIP$ K"U6Gl ݙqJRu+qN$ m#*p<|{:>-Ev=86N*MM긭U*uѾ?/^o7;'u,h4݌xښRM:5.(/ \իU.{F^rmF-Jɷ.>Q"[4xT^OZ~mK}T0ݛ^SAo9u?lX(' qj%=X}"^e4wˠ|rܫ 6I\Ķ;Ӻw!'ڍWg{ i U_9Avhۣƾ+:vs/MK[ɭīe{`Zgb}r[i'GE2J7Nez579wRq+Un ]J.cJ4M:h箽Wxxm^ pc\wcN%'My $$| :$Fqɏ¾^қP9J6Wxvu}ݵP>Z'FFdg"-; [¢cmWkÎT8nG%ݣ7*\խCLRYZͤiD&J#'ehbSyXK|y*ӞpS̍R`[pTr/Eg)K+92{_ n3zwz'oŸۤ+sOj J:`T>Cf*lwd\fYOP"R E֢̔L4ɥ :;.b(B02rJ蠟9>V'9M%)IqnhP<%,r'P/vNSwr#w"ݨaqc(|{kd=^0jTMR2ULNz|.<|^PfY22##!,K~E BEJۜ&jRNsHަޛg\r,v؜.jK3)[EJ2ii{KEiHP^&]Gn8x=K}Wx/KI9-ϵwQ%spܾ[^R}S3$qvq8M[ ozKxcqmJ/ӿ{_}7&ݨ\f6ZSyQz& 7ۉ[8~UNn|nkiTB+4RI8'Nc%tn{!]Ȋo.nEmʱn𵵥J A+wy#+ikǒڂ;՛s85'KmE:Ђu""Iģ5p=БbTY-ͽڔ詻ngL2Q}$de# fs^o{DUUsfwӶ;s1T,ǤtޒQ\෼J=.tKU,7čJ5 N$y3kdSMQU~mO[03 $zAڟsF5^뜞"Կ QHmrR"ӳηer+ҔZ]hE-6Jmt'ޒ=O[sQj)6K}?e4v_KfZheޓ=BV[bY}lݒTTЬ{ȫvO_qpRApVŗ 6ju=*BR)g "O1yhb=tqJ gtm\b3RY+JQ^Ō֍\յ\>+uSi{=x ^w;uӘ#ĸzLn*$anok߷CBӷ}5Yqvdž<( "_OWit5:EZj2 B ρ1̊fi[n!HQF82q1牙nqnEpT(2RMoM4ϳOu ':֧_Xjsg jP^(ڙ{2%E͖j^}ZU[Q$'U) <܂%!s"m R'G5M0<+zM6qYm$ڕ$3ǧH]?o2N<8F1̻r_my[Rf59NjpzBnl7*{.QP 3N&^BLJPjAHCK2Q}$#~YMq8 k(MFMU)8MEqTy+Tʞ-ar5yܕOXw!e;q-Jqܶ䓊Y:LC UE{/t>r"lI9)3KJjϤA 6SEE$d߇3KG*En|P\ԭTn6I-ƍKTj<1H_zwGr19wF N8ݝ+a9ɫM6mhePi%mmD! """"""*1bRKrD"vnrM۫mmĽm]ӡiG~e"˩ lhRTMk^MX["Jݱk7_ޕ*DqĒ&flՒ}`W}~SմZ{ĕ~wm*/{{ѹ_-0ط#P]xlڱ~Tn5wi*lڪ (JxioϏbqKYR|!|KN53 OS222$jzww%i}>N)E+rۥ7c$Ofl/LNث\6H9: FY󡈾I)fB֔JI_ ֣^: 9mY{66㒢7Uj]:.-os[R&gMF3˸#໹kmjq^8W"PΦURjʄWa˧T!͋ lW48JB2ko+ /Nw QwQzQ ے%$ޓ7^YL|r7!v%Trܥ &|M8~ybrn[RV gSn{{*#2#ԽᢏӴHak" ӌcwҜw&RJ07ױ>Ļ =^ BɆ)v32.M1=#6%̠tҤnzqMwԣ~s*%-j|_m*.Yx9Sz=)qE4 3pk+,`=kNRڥ=B=nŔNAx)Q$ԩȧ4z3t#Z2lҮYn$S%y- JzGpu|LBV7ZW#;Wwipܷ%(6jFG5#{$D"uۭ~]֫SrD܃fҎӾ+Tu>-ZTQ& N|$沸ii>eRWݳu'[O̻j8JۻEѩ[]vni= ڒ,[_%kC7I3Nv$4ɎЈeٸoUu:[}Do5|zNq=Tre%ɧ6&~DȍF]ƞG5q m]/w/ \ʲr8=oʔe9U(W"|S]uZd#?Se[W"ֿh][-7Nu:T=)R}.;ml*5Dlf $fF(̏T hiIUU4Szɕ t(%_|2 ~6eM;TƗK[f&]LK^CE2[ȏBOd;Mi|cx,^6;sیGpQ\NuJIFTJ~đArh* B"$H쉩eXPRj?sl"ԥ)su]xpԴY%VESH"ЋJǰ K&5^Ukzׄ8kEgS2h&Se\ Yl]WҶp-ZUvi7QS:4byqOo+[̺腋[6-_Fo.6[7$p&^ _GZԸߍkc.qqoI[9m߸YxOZЦ1uoiSH)P9Uʄjcq= S>֙NeR><;+ڌk%_qT].srNO?s[=vH[]RZHRMtᩗVؾ:/~u)ԍdg%=edVrISb{6vSu=(ܥ)mTv/J}̇8 S3ad:^hBSf؉OɔLhI_1d8,L><_A0y3rXq"'(۱;mFNII.v5_(^q~X>y{3צ I*Vܛv/jW' T'NR'j%ꔩ:mJ3SB}΋!-H-RJBТQoedi9tjENenPpke.%4]#{:>mkEɱdYWl\\\'nRM4&U>?Ќˉk÷!𴪛]]5}UqG~ݏI"O~s6(Ļ)qO~h}uԕd}Q~G,oE!&G&/]_H-O=o{k\̭bkv.Ô܈+;arZx)m?M\3lU$mk-CFXjTv6u' g:Vn_*qk:VC A%'4JV%EY)#BғO4<e׿jQQ]yUr4=wm[K1r׵%Iũ-O}|kC;/VcݩWZ)EHdžTru]8hgĵ-;=>U_ InvTm_jBM+QiF"9*{DI/iuo(=TzϖmPQl_v4z>T*ȴ>YF;ε\t]EH4ꌇ[VrLzef 2T^V>g2~kg5~Nק;{~Z~W}&ŒBӿS2$J?~(Yœ"˲ߩ\O]: J׉ښT{mmIѩn3˧)4LdFZ/zUG>U> n 5& ϴ-KJi2o]uKljvK3$bԔҚV旧iY5.ίfi96v7!v))FJM4{jG~Jt/lUE%pTAFe4qQk\ve۽/u/Im+W')v{\-E|Pms7߮DZRr۞/mu*1ՙaB܆ -xg3#6ۥtRogʌU)׎]ZҞNnŞr}F1Nnޞ;cZ{N}ۿMiuxʉ*3qi'9KHQ$WJxXyرŔe~[v5~/jN9Q4o6rJv FrdxM*iRjMzUinHdн7ᾞS=S'7 } ̽zt7K|_g J=Lq+/Bw_\ۧx\HJUPzQ<hqF[V0x==CsU7q|^ {)Iq38$_A(VgcKu06Ƅ"%i~_ˉk QCܣB8Ku/񋇵u([w}$F|8TՠI.E !;RJ^}MɒD_q2];Ɖ{5}*n7nEInO{Mwv}&q+v [V}Ĝ@%>#dXQ$f;iep.GquixVt x6bj͵mlKقQ[T]zs/&yەnM'W}!Fp_d^Tu N{ɻ'l{խ2.sTu{W^H&;1s)Pӛ6>$mě;Łnj= fLT)>׸+qReɴ[UR\L*P/!$Ӊ3Q 'K=m~6XqW3^W+ųO_[F$rR*u"T%@O +%# ]˽!aܽz{ͷvQh쩎]hGތ5ɇ*DzJDRNLi 4:{~2FmXY-zzĽ^f=]uū{/+&c:Ma{ĝDp2m܍kHș/(--m_vݮK(V{R}.k&yƴ7i^4@3f sK3^Ř˸B=]?gt5KbZB<e;kQLpxuWC}n 5ҴepB##~q= `x]KWF {GfŲ}?G.I9pjWkU]>={7q{kO/^I3==f1ɏ%nnʫ/Zu_yXN<57ۍ'vy/"8넭M2eԷ&Y,в33%IkjMr7xf nmQkX4踼>a-GcIeތw&U=-:qnW)z¥j :WqSZvԒ#j"KrIU)%qrmRoDGQ~SYRsu*V)  ,/x)MFD6O#]z 96[Ui(JRfw'y$GeUީkdMF-ݻ98F2d[o{Rn0n-xsV6Dh|Eb2E:KCOӪv4SJCr"J!!m,hRLD| ZYFm/X~ΧfrN&4Ƒ=Z9Mh.Mܵw/BdrܥniŪ8ɧ|y%œ[M=_tj?F!z5\evM:\ ~F-sg钬OWq“iiȍ<Gi%%n2rqͻllƑ)okw7}\Uk-:&fj솘XerV9yZuʼşdFC=rmo%~ZN78X(N)_7.Εn1MpJ}62jjJdI";R5&iLԸc:jmqiQj$ujp\{;v5B񥍪Xn Ą4qOERjzN(Ga٠䌡)p*v(J7#ZۻZ8O W uONb+^Qipv9GvֽƼϯrYƖKGJQDNPhRJjᡧC"21"9ѓS1;R_O7/WGz)8fE%F2ukmvSov/iZ&/]~KmI[:^~ͤ\kMi稜\ywJt3W7 8Ʒ~ݥeFgѼw"8VVSج\뻆}ݭ/J6Q)d|)zU3>k\L=;ow֯gN3pKѫ|wmkZ$z^2R:E)f>ς нd|#׆?\ǔpV{;\$ƵE%-ͪm0S6[n< kE[}mvE4DDZ^$OZ0*$~XUv҅B@^?]so#%ojw;Y#SxxueBگy v^i-)s)zV jC{7Gt.w3v,ygg8s]aE_,*E tY5k٨h=o"m泏:\6w噓aiL׎n^c\75AGkЯ0Lf46َ`egZ˓p/k;̛]kq!ݸzpԭG"}R9Ve>ˏHUjJ-&7nrnwG*Xv\˱/vN}O)ʼn&CV͍f̵]r\PMB-6Du-#RͰtRN^)mT _}nSȕC*_xBuTkJW[`ɩ`ejvsngP ڻ.-WUtܑqԹQj)t;vN&RNũT+8%IXӃ5fK՛-d9 ]CƑm|nZ-6=Hz,*aEm W3VzRšdY~Xf׀Xx"]s;)5u*ُHB BRGS6bݶؿ 9j[1*jױga7oX CUI%0v#~\-O-Ꙛuɷ쏪&5mY٦M`LJ2qK~HZbr =N'YobI. (^ ׾{_ ?OJ`S`3BN[}5w6:ǵ/iSlt=4F*d&T4y/#. ɵim5Uֲf 眕6Y7 fơ=3dϕq뚩$qTM-%r!$@A? ޾V0c~{[{;򥧅a~ڵ»&ڄv1ek=wb MLkNAԬw-x>~/r=e73VeVN)K%Sښe"+3uXuچrn ֺVzscJ峻m}vb㶓n\YbIUBT%*,0nov=;z꣓S/nSXSpl##k9mXGrZv^Gde!ŷRԠzQyjC]`gToPov{j~KRBMY}i[߶9KL2ԉO0K#m>wB[ٍ+n[[b٦DX ݲpo] [\m5qdT()mo4Oy9Ie b][wղmM~vmi۱~t \}$яimRk(L c Cvk7r9_r1 ;zv|F@KyZ[&jEji/"6$69ml#e]9s\{ScL}Ȣؿ0q/nZ*t,CLoD߉Njǚy=Pgmu6^]l-["çUʖMlʍp-"qmU>۷uFOJ%Ǔkx 'g=睋k[3u,{³WɘݪF]ՍeFX"Oy\,cچ=w/gn Ļ]#2? vqy-gXnR.^}ݺFs{ŝG]}e|#0mjx"ƬWكm?rgU^xVB":Dt>@LRbun~ݭ,w+v⪕;\U(RYa61>#Jm˞Μ9g9XKaG='u8gf}'qy#ɉw J]We.ʲ-<+&q%s?2dњztҼn`cΤmmqMdz O[-ߩӲ&;[tmܝVnr">{x<8U+p:Ig]zjGkt,uzf}dؠoJaکqEq -(:d<պ=eKy[˗^%ZXkX[C2߱\ITTLGzANM￵i]K>UsOGDDD.ZF6* ҃V Zhz{'xp^`wo8r0h ZmJ5"jb[l=yUu7-;7IT%:jFjߖm0tzU'K)څNۧYJ)4IQ}^KWm7kSP>q;ނ#)'n7&׊r?óM{IwR\j2Qn[v pe#/tAF\ϵ225q֒om6z})6҅*oqDsMf CNIN=T S2t,_ѧ}kveMF0J\Rnnݙܹy[rUc-j{yGtkQ%s]5qB.Nw.JN1LvR Ui5J ZESQԙr):MJ+g}χ!2;q([jAud][ljVK3$ײSJI=/|&tl'*n۽f.frܥ jQO8>&Z];.|7T/C}$ڋUmP2Reҭ8hFF\L 3~e v\۫]ݝNmrnB%*]Z«hKc=BTLG :V74$=Ǘy+EX'4tn(I:Ѝ;Df8c,k1%dJ6.j6ź{N~l6&*fœI7 WAlGOu-ҢH,,(ǔe뿋쩨kM܍ZſgRvQ' 9)?n|er˭|I|-fGK.rΛp8XV1%K6mvG+tc+qE&ǸC_Nm:l=_/m5^[dߌڇ.c<%:)tQ$Ow~-aY;UJ>=F)2[nk؆?훐M=l6[4(O.]2#-H^n#->&mp5~Fӛ+|| S,xag%qkEUzUgæBhߕP(7]kFnq?֖CpruZ6*rEڊtS|*tI*E}7R<,nUU֫^I7Q*mSly%rdȓd8hE<9oHhMfNSRj[i7D[Rj݊+kდq{"$$H?p\̅S?㭻;t~R߁)^/>Qj`yt[w ԛ;²~+ߔ_ YW~|o]?x^ᯛ `ʼn;g)T@vWn]>&4lp+$D̢1l|ȨF%-}.9[}w~ ԠLM9hСablfe&QoW!s?wjLK?s7yO>(=C~_nyǜu?v3vyo oI@qV-jeES^[9WoSܝh"l2C1a͔CiJ@3:Pճw=/7ovuk+\V;lDgն<[A+rX~d;m!_s8ݖ׷;;.0llUC+?i#_crʙ1~C.\–q ul8Hܶ2m`ܻM3Tov|Bs rɵ"oLS- DКw=Tv@f'6|YlD͓Y%׵-#Ѯo%:&!3o%\J<02;K87>^vgƓ# ;ݝmz^Y6=PS39U%~ &f# }o!muH;ʲŇ˷yvP+&.7e[3'vR4Yj̗IZ`e˽3o[WU{ m[sUbۋZǾۆl6~9'V*.\S2<Sd*zY[aŶ`]C$n.v^Ʌ dng>ەZ,Mmϑ :n6nϦezWqUJ4! ۇ4R! =>>Fn|Q[{pRO17ƕ~._I''00k=b՛o}Osðc2'o\3}ݭQ^2 . R1yKȣtAݿ-uܾw!`?1Whn|gzUo[ECWwjUIן)^h#1ɭ!/Z np;o;ΗŻkXs."6E`Z1 עӐ9Kl8qd q} 2Stt;#j>;խabONŗ=fwP1j)l6J̶|gV2`y/0E˛6+ԫ1? 6}KW c\KoKͨ2ۅFw–s*TԞLיuDx .kCzWXhy۶gLu|%TnupǺl-S* PRaLnT+c+*xl.v!.U=|; !_L̎뱚U=4hm:ٯ"y)$:>%(n}X'p[ȴ ^˒4kƓmzDx \ 'NqamP7nyN݅=j7%McSڵj%STy qXymvCg{w/w=wSW5r̹u erծˊsOm=DhEҚRb#n)QOxtվQwe]I}wCa'"[ۂ-z}2UuKP$㜉ԧ:mc<Ý>RoL?wu|%ҷ&K y_!y9 ??:tq3(UU-lkS'ɸ@jdzQˬR] EVPW1DJq2n:,c|ǻ̑;y{X,ۂ.u.b˕u.tKBjQ"[S園S`ٮdNبeJ&9Ơ ~0a(Vm٘L+Jr*vڑE( x0+tp˕ n';wm-ޜMOxX>{#2%jgb2M[`K*\5@8l'e=0u+w ֘鳾{y܀:R*Ya]"Ӧ%ktynlۣ65,3gU}{GYrb;ge'TKwǘ.,rpܚV]Tr,!dp /ԺU,xՉ>s׽~W5oTh yx?xrrx?)?ilbT׬,z$Ԏ.UH٠\U1pU:]JwSrGZq8àd驐,N67QYBӢD㏙W!Q25ϸo9ms-7-%3CihO.J鯽-;MZM8ku-7k9S$8]q2E(}bۏI[DKOK}3KUB^u %Y,u.-&f#]'܆o$x`Yu,dzwM;#oKxn;\[d7}Rb+*Y䛂ZuBӱl{j0O̓}LhK;[aֶaGL{Cb#S.T[>߃F]NK"u^LUʐ_ykW?!GRj29͖qa'0[npcDvV)qz9R)PۨM^aJx W] r>];eN3vxdmĘ(5W2K1䪖weF{mE/QP6\u54x5[hۮ-Nk”i[lUgL]J}5 S:EhiUrgHl!ŒJ$pe=q^b͵Q' ?6|R\,JA ڵ"TDꈭ:ymg`B5t%M] <N_zv2_Ortٵ/i/ReӮ*7[qүqEG* m"[I:6e^p"I$jԴęh!m)]GZkcjS!{e^z}+Cѥ9;R|/ֱeiUԏCNu2Zhcٗg$ݭwvr P8*7/Lk~I'Km1+MW%Bk|oOm>-#qj*|Dbѱkn|n{v#jĮqNpMIUm(7Liz;{ҜݞڝVƚVϬ+sO!OstGvxӉ']uӎ4g_ 1^-8ۦ k!)Ύ5O;YSB#2Zzχ;<.ֵOtge~.(RC#wFZeGZٸ6FFJ4e2ˇpJT$[wgV)q6muDGJ56q\I!̗ y/I~RtJ9kJ]Iy*'FN0s.[l!fw'y(7$œ WƫgyΙdMEU JQJv̋vmrۖ.jWR_M֨djYgSj0^\y'EoECjm$ IƩK>Z28J2TiJ2N#}.s cArl嫶nB.FIJ.)۔\ZiM>/hLĸ=C1s[?YMqp|94- 鮝𦔽/k^#NT(Y LS$6˩}{;5 )B۷W$qpN)qqoot}ZDVә;7TiK|6f3h$dԄ}fqݡ>Nb򗉉+ͶO]>ߡ_VtYf79ڰիF sq~prս|QM)g%l0ocJȨHz V;Bb/kLAcfPJ,ԭ{ƍgpjNR6VSI*$!yV足jᇑ.](EܣqM\qJ2eZT).<9UB/(B0j)mtKEj#׿fDI-=rZړj|'Nڤ]k*i$5qt"ݙPM6E4ke^Z8ۏhz$Q(R Ay2zfRñnpnkbkI:=j &ΝșW?׵d{+ύM'??XqeeĽ.[o=UxFS=ӷdZwenՄ]_X=ĭVa* pKs0ބۍfJ3 gz̚i|wnxtjc¼5${(1fXQ65ȼb̶Zkn>%FQMJXӡ{TZEVNᖣimT/37cNJUPnP҂ZOE~"-Rc4^b- FEͧtf5[)S!OZIښݲ͑;tvܡ+N)AR=hCNn;wL16-:特7M$=Tҕ-.R[HٷnXk sn[ҞD-0WS9p9:-Ϸ-jѬNu{ҹfv)[Ľvwfg(ٷfe+0mYj8Q1\ݧg]Eǎvڿc!4#j5̋C2"}BRriFp7=ô\TZ:\BLfj#I22װ<;صZl j 6:l"6]۸ K'6RTѯ^ئOԓV\?$x7s#r:Oh{ց=MmuHԷd{pN /܅:UE#Yy+(SgQ(Щ)RHzw>^Ѿݻ>mK&^ '$Jۻ&w%F|xfz%˳ L~3N?Cy9 v w/{ƿ kz3x> sXv}vP"@WyC z`'톽Dw%-tt yVY\wmuPYQA0iG-2JP,6/gˢ]u.-n!Zw.N7Q]Df}Q0({a\@=i_X7gFǘ8^⻲}G MZ1)WEfO12G+=-B@z\`||w6ċj߬m}UwRox֢I &c~XGP6Qndpvܻul'V7^FJt^{b^B(L~sѣ6@߿^xqU!ڙ5|Vpvef-uӥ^3  FSDɯKD%0r}FF穛r7 +o"V8tv̖NQU!5uFd"bCr^bJ=֤fM#ʳԷP0O-9xRBm\=`r-:;~3Tl(nXtXi%2Vٛ#vwqƴ`L@"H‹qW.j,JM5B[)WܺUeZFqc'V˷1W7V̾-MHФwn8N;HPSdݷC7&2j.W\τGŎ'Vb]c.x+Rx1%C2T{myg[qU|+m:M:շ8҉yWd)ՋWS%%:iqlʹmGwݹ WnNŤѩ5(9hTٵDdGUi-)vSs2 2{OnT$Xck n:¶(lASLeȔBjμPpTb2~N2~%^k[ܗ[Jzs0ӓHBKq[}JَA-$dFQgjxxFv4r/x*Rm% `4J(&iv7SkԲmSH1YWmx 8n.k']:Z˭_W >ڃXЩ. jTq%Aā[E}amc]D:rmHRiu:uӚӢ\p(5-q%e)(۬ҖȽIf<߽pr&ݫVfY91q2ĭEQgYbTGQ&,yL+N$[q*RVۉQ=FuTܻ>f>f㋳8N6$܌n)9&»iˤsX,݅܍ȩv+sRTpO}d?Wn/Inpȸ%O]StQO|v5\}7Zwb.AIVK^:wb{[uݯcytO߶S<{8KSRׁH̏N7ۚ[xkwYy_'ZӵF+>쌛ZUĦreE9F[24De{}@:ExWs-\ǻ7K-\JNvEk%:s˙#κ].oͳ;լ7wB6nwu:$L; DkI#Wz.:Xp(˅v$Sq,wn\qIN-e<5Oe+vuYTpcojUI_ާP8 O 7&VL8z$_B-H-[uh]T{|8=qVRN-:Ij:7PUtXϷmy鉿:RIM~33ӸS2#׳GdŲ5+/Bx{(WzȨ5Y㞎#|˖+ ط.|e<o/rߔX>7s}VE.OVti׽ .5nNJO"95{#q}Ay9do]R"M6z\tnNS-D!@3N_jicWsy*5uٮRcWv/.,j}=S)j5C^> Ie =gu9ӛqjtz]۪TMoߧI!Ǧ¶m:,"[L!{qAv-o 3{"KʼnrIkfٶj2ƙ؄S`7` k6jzޞ?e5G&6uʷ2%ԒRKE*G\Npom F/V |C0.q_eenƣ<5Oh'67ɪn[SĽ{ڔjǘzs;~׌(ۂ`ܢ1ƣ` _l9Va6%UQWh~P~\F^ZHR@:ۧCJ{ôGeBh;~ۧnU J\O+n2 RҠ)ng}Kh{5+S×ܛ.1ZjG)iRȤIN 4%{oΜ/eO[Nffd ĹK?nnԼMqX'܌nZvq<ķbFnͪaQ`5 s,M_լ?-@_{w{ӺձJ}GF[%v\5[ŒGkOw/ΜM9rjË%2+rd~+󲕛C9U۳r[aJǭm|˒LAʨSCq[XMۺoubfp:t+ΤĻo ][ zt-*67kvS7D·MMCQXm;)܎n_h%]4ܙnRk!]ڵsDUF"`R, &#R_*[z*ZqFXɻ]7|۵w+'pFDەs=r./ᐚm3Hשy yD"jHCr':sA65نѮ^o1V/ f;nFr3VM)e*- s D'H݅fӧ\*޷[k<7u<-]֍Q8R h|p=WlW3s%Q %3l}@U-K6f-NϿu|ڴmWN׮[׸F*mW\%r! C78:޳vBG7ŵ.JթԚ2x)ST!řn~9 W:Wpܢ件{xf8ٳwKE ҰWxVB\qBZ 2wMb[lGSnyԚ~z9ZmያvoN2Afnݽjf>)j3 !;gOYʹK" Wftڎ+׭b*2ϻK>ۢӱeyԪXISUm[z+ugX%0lϏnvg!;t{BqPj>PyvR7Cj]O%+ݲ :qiMj6W}3vC/R=4Som]ŗ=ю, TF6U_-\6MyskwMr&Q\wjKܩyMϣUj0*}RZܷSdY3>Zjqj6TgzpA/M`/Cmл,޻feE[/+uk^Vs1W$G(JsW2ٰu*߻q*Y޵.Wi:ur5T),=0uRmho.twܖiYwrWHntvEj8qhf`Ͻpf(R&>Ki%I7$QӖm-2 ~yߗQ-앑/ x[k8nw.c㩵k}]FkbJl:{.(˩n0Hqvαp7 귎.Gupx[N`Yq'+ruU7[ү+>!xrȫoSo]OC# d^Q]\>!ƛGw^Mx"-+%vdX-:M2UR%d>%l ioSu6lsj7D P>XxHz Ukà(n^Q V>5cVtWj SEiJdznyej[lE' 3kuٌNn4JW)gB {4 j6&]' m-(ZMEz8cz>WZ6#7+[,MR-Z!4ܓtCyE|umj1ƽvƷV\;%>Q :#Le(iVz5 4ũۤUWxX ^(ҔsլB2w-V ^R+; ˂M\z+Uwr+RWY⺧~ Q*JcYSNSλUd8in=v K낫k\IRרSUaCFmϿ5̗P|u ZTԕ}>oYѲ1sfP+sQkX8Gb~6r,s>^\,mGL+7[n-E\.Fqḕcl*Jmjb5 ,m]c}NXfeVlǸJ5eˡ$4%g~N p4Y*WwW٧<8v#;qԩTut,m"#Y D\5V`\\Lȋ];LȇiS6ϝZ l>LruR\v=ǘϔDg=ԈdFZ+M{=|,[;0>RiSi4,S5}yxw&(E7&fݙ4UՕ! ~'Id)]ǽu2K-fޭ \08Vڅ쓬=Vy^^ IhyKR-B#Ըr=]mܻӾ'*Umkoy rTqT_i,/8Q^<ݤ|4ԻO(܄"'5N~#m.(Ҿ2i6Uev&I*<}҄$eNtÛzyWJubW^iBW.܅Wڮg]irO6Ve90sgv.+sV޿aޔ[p?3q*FutUo*eL\KM'EG*ZcAFfG5J 5jj=MJ3OK:k˝'NMB7m3uFҕ\-Ywg%PRqMIyZGY9|μvn߻5cWݷa^+X֥vnݘ\v7m>Fgzv"-;Ew֝}1|RjN𿊀7g#֟*GQQ|#/bo]p$>_Un9гUbn9׃ErQBU-^vDmVh'<R[fdHT]*~}3j;nvjc7s-rӳ Y8[n[1pJx kX[Jk9Mn!_Nю6x:iZ˦U |߉^Ԛ݃hYxk &U^bwKk.[jE+P(˞=9j@snCv7%c_7=xǁ<l {t'酚+1F‹l׭:ݻILruǶkL-L(K0L1&>wXB(pm;1fpnlp֓%Skidkt(U +xulo'/ڕeN r=^pZZ:Pnj8Hf"48ijY[ N[yZٻ+=  ø:3 ?^ܷ^Sr#YK[UF?CuhC b]GM')mڏsNrܗI]ljq6VB. W,UK"YX5{c >Iqā> T:n!,5l2VzCl|+I[*SrjnS6٨y+x,@>П.g+!rn9>N|W>OZT_ut Y""v7|sfި;Pclm EùN,{'fNT%U&LfH8~1v>Il}统u6P˗c(WV~H^bMU.o*oOF0N:_:6Smr_.b+|ݶYY غF,mwjv>f*>QM뭱Sd:`N{l/⎱;n-z~"Gze퇎J5S KG9!Gn;N1 ݎ h6m|S?ɂ5'WOÞ 7|7^ao @mxGmi^jϽ>01Mf0լD3-2T. VXR"ɥV Kl J O7|u?bvа;6.eߓ|[1bmRr,eRz`z 6܎-ͨku͹Fː dPhYgZUj}nvX;z=gVեTv_J }\1n7w2J?ޘγc\E 1Aޑzq;\r]]\Y&[nsNei\uURje*Qk2CSl*xJz-xٶlm+|UjUؓ`Ladqiĩ!Gd\W~fz;Tn*PdRM&T4`չSWq5k훶(N"Ӎ% V]֦wb.nUO!u*J&Oӕ2e|Z=eV쫚΅g#+/RW:طnbi*Wyo)p{:ETKؚR(RY+r웓r(IF) VmȵNB:h Q1ғ|u8E]{,'$-TR[j49l*3"I鯴zhd>Q+\BkNF=.$ZR4Nwհ(IpNi.(Gi33#33e$FXK*NdWrud[r{xnk$v2ıh+J1TQ[#JQl[tRO]LHKٮ NӍnF񨔤֞Em'MILB"ԋ%dBŋ+p̿_17jzT~4pc Vo\ƹb9Rq-'1j;8ܗ)hE%DZKS<璸Bu*%*Yw5ڻ9ۣ^z4U; Ñk\U(o~G?VUĎ:?P?_F_Kߤ~ᓾI |pr.Ok\SklRhҪz{­P .}SktZ7UQ4ڌIM8̈eaӊJZ%FFZu,KZvln廐SNFIVtuNi?CM5]+Ph,{jN JSR$IS^tSUVrORYu.9WyP6 [Kiu m!X|]Y79ӄ)\ģ)pbڳr%*&ꑶ_-H*dzk)1 V3')UAϹٶWRxe'պn۫h7AR9 EAJeGLms!%D| A 5]/Q3eb̄vnVn%za\m kZnv([emqrIҕij|""><hjJשvvǕ|Pޟs}V~2&Z?+2N&Z4w@)4iSڪ_>/JN9Hiۏuf8'It[ȲR.hZ$ȋ_Y ~U<UUO*6b)Ovzڜj\R̋.$FsQuҊj^נ䈈y<zZIuP[}Qm=C?zN(Exqu/kn S-FzKZzOסӽjJ\)F3b!r5ٝ|;6 o=-3*λ]αb\abqRi-w޵⦪~b8Kpo)Z=>)ғ"5/GTZLE-輵f7ݘ۹~+&+w/7GFI:l33fg.N~۲\2|*cnermnnM+Fq"ѪIz%j =YW8@~gc/~?N'?)«qȸs➟n=k" X“m֮VreMh2[uݖ] *FܖN)MȐ`f0 g,C9̑o;ddudJ=In13:ݒvvdMUEJLp^,6t-@͐9'{7m{-3,>hnF;ѰM)->>+Ěz!R* :`e--m7nB\u{b U>[8֪]6^ߤLʦ\DFNo$$dͶlgno8OrsQ\l̯hRo8tuNo+ CTxu!2[>ctFpeޓƻֶR"3QrQuOѳgwQr;S~)6HhZw/GgVTmUf_yt7%$];zLWF̰xy2Ʉu!MCmš_0[W6jf#a-KLi+3Q7c^qg%s<1aYIQeZf+}>;S6L0]Yu_h9߻<ƅpmiM$AVvŚ,*#t2.8Y)-Zhshü97/#Oro"u^/uFgWɺ,p:6a,^x%$Yve^3PƗMnTP&yS}OJ '덫MH^:rXԴJۋ/rI;S*,+yz1hv)Qw^ڍJ2oL׊q(\fDj:^T%vOadɂnS}ZO)N*λdaȜkG_PIEO}нa(^iQX᯦-7^)%g'SJx(.S9zVɴZ{E ))ۅi/s7 VIV-|sj0*UBTHIqRf>FP$KqN0 R̻8j\GcC}IUz\i 6F)Q{Gҧ3qSzKj-Az VЛS-zy:8*mNk|D鿓ND2u+0Yŝ7kqm·?8Ib]u>˗^_>(]vӋzv+ݩ){vZrJ2RQ몋C$z [,pp,8mڊbR]Il .f~d/ݓs㓓mͶ{mgjQwn=Oic9ܚm4Q/6ݨ[TƧ?nԶoytf{@AzT{e{[O'ZRZt~AGD?s3􌿂ՉIw'|~U\ w~di:Kޱ)U/sU%njѩ&GSP^ǝd)..!^U` 1wX[aԇSxoFV6_扐)T 2Mfd=ۖͭiZ7KK Bi9%7@<3<ճԻU,},a}FRqɛr i@ONJvK KLN M, ʖv0n-]DwlI-X6ܶ$Jʴh5O+mOI+Ra瞠\ MG7BفjYo1#͖0V`Ѱ2M?c8>-Crt*JkIGS:e#hPKx[鱼>{5m;wcն&>j-M֥^َ) 6yȜl_w{-ō̱r> U=]iw3)r*]:K]6BdCTZ|>gf}LW}[$'Y5 &c -j.z6R 67MԷFMnÌwI7w5E}o޽+K ֵy4܌ȥW"COyR[q5Ӱ͙f[v"_#q{MV6܍3"u9BK(41ӯqˇc${ߝCi6I(OmθzҜ5k^:>Jzw.>qV8{vU[ڶEm|DžBz].KHjI]x;Mɗ{m,qZXr忇2u^RO2Z}ZێS[2Jen!*NDcrBUً4<ǼMҲs1Zw57c3&ĖڻzmP*FuJG1-dN:|OU}ҵgi2t~F^^Z.VxjvŧnNNh<:]^~NN+ge^g.SԔGFe߯'[vn'(ScJ]kܗ7eJOlRrfziݮq̋S"\*U<*W]k$FջV}? 7g#֟*GQQ|#/bo]p$>_Un9;l S VvQU%OLU{οmU6bZ1MTx%!֙Q7, J=!3 ;Q,ڌ;6ͱ݅q^&ߔ·n #WbwӖX.HtG)N&d̵zpI,n cu ޖUj+VXUp[w]N o.J6Z8Ts&utxln;~HPHS/xw`G\ʡ¿rj Z^vt"[L:SD\h0sUwR,}[x^X,R2Vn< ]2YDr[SRKs8tXb̷G?Ps Tv 3be,zVz D[/I.KOEQrm'$7|[J>r S`5յwT#\w1FTz\Ԛ &"ׅhSHrD\'r]~/>p;:Piuu:"9ő=tTaS7V2rӷk7mb[^WmPp*[y.Þ6f]cizJCgRR@UVl큝.WJP1N{/\whZ ػϧӱE7|E֫Sί.x-Y&pi%v''-x6r'Ws*6=DwwUu]=C?MK [yrtܒG$!WGqJ*%SAz ED[^)/tė/g=#Omd.|^n/sl׉g DZqemqowݮRzUܜ=ڽ-o/Iۖ;qVʘgPp|mm;6zGl9.8pwWgsJ2qPbe}}UpNjٯ}7TMQKrؽtEx%v w߾8%|j;~|}pK]ơ/ w߾8%|j;~|}pK]ơ/ w&~e_H 8PL7:%ʭ5Kw&U2vwR_+rm'}C7#rWoO&HoG?M$UR7{FU]u ;# !Wk`|W>׹潇9Vn)6)*ҹ{%qV4q>W1vi#T"Qk&GwxcJBJ- Ϸ^ˁxkU}ԣ/3.;]J=<*)cS)ROK9H=,r zX @)cS)Da^ԽQ gxJI=w֣gf*TRj

#E-mail: yjpark95@snu.ac.kr, TEL: +82-2-880-4602, FAX: +82-2-873-2049
• Received: February 22, 2017   • Revised: March 25, 2017   • Accepted: April 12, 2017

Copyright © The Korean Society for Precision Engineering

This is an Open-Access article distributed under the terms of the Creative Commons Attribution Non-Commercial License (http://creativecommons.org/licenses/by-nc/3.0) which permits unrestricted non-commercial use, distribution, and reproduction in any medium, provided the original work is properly cited.

  • 30 Views
  • 1 Download
  • 3 Crossref
prev next
  • This study determined the equivalent moment of inertia of the upper rotating body of an excavator, for the inertial endurance test of an excavator slewing system. The input speed and torque of the slewing reducer were measured by an excavator slewing test, and the equivalent moment of inertia of the upper rotating body of the excavator was calculated using iterative calculation. We developed a dynamic simulation model of the excavator slewing system, and validated the model by comparing it with the slewing test results. Using the validated model, we further developed a simulation model for the inertial endurance test, that considers the moment of inertia of the upper rotating body of an excavator. We concluded that the new dynamic model for the inertial endurance test of an excavator slewing system well exemplified the actual slewing test results.

Jc

Moment of inertia of carrier (kg·m2)

Jgear

Moment of inertia of gear (kg·m2)

Jp

Moment of inertia of planet gear (kg·m2)

Jpinion

Moment of inertia of pinion (kg·m2)

Js

Moment of inertia of sun gear (kg·m2)

Jtot

Equivalent moment of inertia (kg·m2)

mp

Mass of planet gear (kg)

Np

Number of planet gears

rc

Radius of carrier (m) (rc = rs + rp)

rp

Radius of planet gear (m)

rs

Radius of sun gear (m)

u

Gear ratio (u > 1)

u s-p

Gear ratio between sun gear and planet gears
굴삭기는 굴삭, 적재, 파쇄 및 정지 작업 등을 수행하는 대표적인 작업 기계로써 상부회전체, 하부주행체, 작업장치로 구성된다. 상부회전체는 선회모터, 선회감속기 및 선회베어링 등의 선회시스템으로 구성되며 하부주행체의 프레임 위에 선회베어링으로 연결된다. 선회모터의 동력은 선회감속기 및 선회베어링의 링기어로 전달되며, 선회감속기는 하부주행체와 고정되어 공전하며 상부회전체를 회전시킨다.
선회감속기는 상부회전체의 질량관성모멘트, 작업장치의 자세 및 적재물의 무게 등에 따라 작업 하중이 결정된다. 따라서, 변동 부하가 작용하는 선회감속기의 수명을 정확히 예측하기 위해서는 굴삭기의 상부회전체 및 선회시스템의 모든 구성요소들의 질량관성모멘트를 고려하여 선회감속기의 수명 평가를 수행해야 한다. 하지만, ISO 규격의 기어 강도 및 수명 평가 방법은 기어 자체의 질량관성모멘트는 고려되지만 선회감속기의 다른 구성요소 및 굴삭기 작업 상태에 따른 작업 장치의 질량관성모멘트는 고려되지 않아 정확한 선회감속기의 수명 평가에는 한계가 있다.1-3
한편, 선회감속기의 내구 수명 평가는 주로 실험실 시험(Laboratory Test)으로 진행되며, 시험 장비는 장비 구축 편의성과 비용 등의 이유로 증속기와 굴삭기 상부회전체의 등가 관성을 갖는 플라이 휠(Flywheel) 등으로 구성된다. 굴삭기 선회시스템의 정확한 등가 관성 내구 시험을 위해서는 실험실 시험에 사용되는 플라이휠의 질량관성모멘트를 정확히 결정하는 것이 매우 중요하다.
본 연구의 목적은 선회감속기의 정확한 관성 내구 수명 시험을 위하여 시험 장비에 설치된 증속기의 기어비를 고려한 굴삭기 상부회전체의 등가 질량관성모멘트를 결정하는 것이다. 이를 위하여 굴삭기 선회 시험을 통한 굴삭기 상부회전체의 질량관성모멘트를 도출하였다. 또한, 굴삭기 상부회전체의 시뮬레이션 모델을 개발하였고 선회 시험 결과를 이용하여 시뮬레이션 모델을 검증하였다. 검증된 모델을 이용하여 실험실 시험 시뮬레이션 모델을 개발하고 검증을 통하여 플라이휠의 등가 질량관성모멘트를 결정하였다.
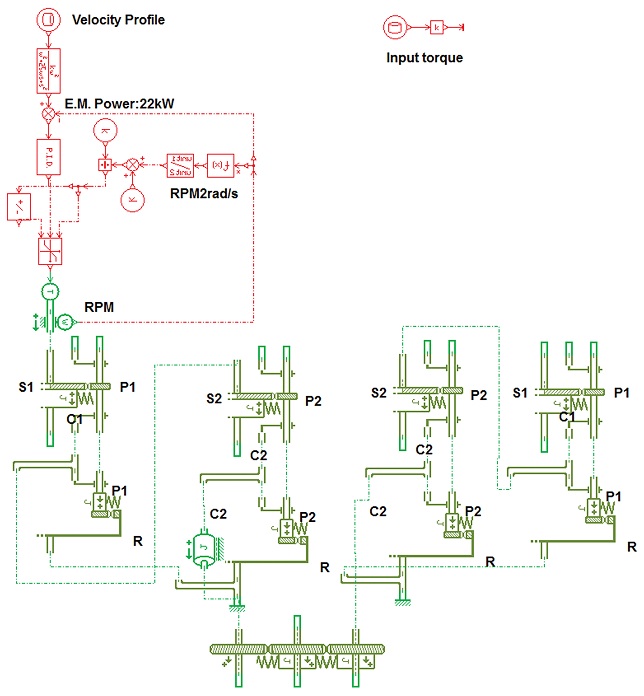
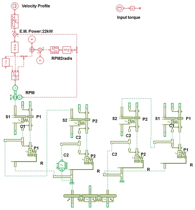
2.1 선회감속기 모델
본 연구에서는 H사의 5.5톤 궤도형 굴삭기를이용하여 상부회 전체의 선회 시험을 수행하였다. 선회감속기는 선기어 입력, 캐리어 출력, 링기어 고정의 2단 유성기어트레인으로 구성되며, 굴삭기 선회시스템의 시뮬레이션 모델을 구성하기 위하여 상용 소프트웨어를 사용하여 선회감속기에 대해 3D 모델링을 수행하였고 Fig. 1Table 1과 같다. 이를 이용하여 기어, 축, 베어링, 캐리어 등 각 부품의 질량과 질량관성모멘트를 구하였다.
Fig. 1

Assembly drawing of the slewing reducer

KSPE_2017_v34n6_383_f001.jpg
Table 1

Specification of slewing reducer

Table 1
Gear tooth Gear ratio
Sun Planet Ring
Stage 1 17 20 58 4.412
Stage 2 17 20 58 4.412
Pinion & Ring 13 - 86 6.615
Total gear ratio 128.76
또한, 기어의 물림 특성을 고려하기 위하여 상용소프트웨어(KISSsoft)를 이용한 선회감속기의 모델링을 수행하였다. Fig. 2와 같이 이 모델을 이용하여 유성 기어의 백래쉬(Gear Backlash), 기어 물림 률(Gear Contact Ratio), 기어 감쇠 비(Gear Damping Ratio), 기어 치 강성(Gear Teeth Stiffness) 등을 도출하였고 시뮬레이션 검증 모델에 반영하였다.
Fig. 2

Power flow of the slewing reducer gearbox

KSPE_2017_v34n6_383_f002.jpg
2.2 속도추정 제어기 모델
굴삭기 선회 시험에서 측정한 선회 모터의 속도를 시뮬레이션 모델이 제대로 추정할 수 있도록 Fig. 3과 같이 PID 제어기를 사용하였다.4
Fig. 3

Simulation model of PID controller

KSPE_2017_v34n6_383_f003.jpg
3.1 시험 장비
굴삭기 선회 시험에서 선회 속도의 제어 편의성과 재현성을 확보하기 위하여 유압모터 대신 전기모터와 인버터를 이용하였다. 인버터는 PLC 제어를 통하여 선회 시험 시 속도의 변화가 일정하게 유지되도록 구현하였다.
선회감속기의 입력 토크와 속도를 측정하기 위하여 전기모터와 선회감속기 사이에 토크미터(Telemetry Type)와 속도 센서(Encoder)를 설치할 수 있도록 축과 보조구조물을 설치하였다.
Figs. 45는 굴삭기 선회 시험을 수행하는 모습과 시험장비의 구성요소를 나타낸 것이다. 시험장비의 상세사양은 Table 2와 같다.
Fig. 4

A view of test rig of excavator

KSPE_2017_v34n6_383_f004.jpg
Fig. 5

Configuration of test rig components

KSPE_2017_v34n6_383_f005.jpg
Table 2

Specification of the test equipment

Table 2
Equipment Company/Model Spec.
Motor HYOSUNG/
HS183UR207HPHSD
Rated: 22 kW,
1,775 rpm
Telemetry DATATEL TELEMETRY/
DT1001T-ST
Max: 30 kgf∙m
Encoder Kubler/8.A020.3A11.3600 Max: 3,000 rpm
Fig. 6

A view of length of working device of excavator

KSPE_2017_v34n6_383_f006.jpg
3.2 시험결과 분석
선회 시험을 통한 굴삭기 상부회전체의 질량관성모멘트를 도출하기 위하여 5개의 시험 조건에서 선회감속기에 작용하는 토크와 회전속도를 측정하였다. 작업장치(붐, 암, 버켓)의 자세는 선회 중심부터 최대 굴삭 반경 6,150 mm의 절반 정도의 3,100 mm로 1가지 자세를 유지하였으며, 가속 시간을 5가지(2초, 3초, 4초, 5초, 6초)로 변경하며 시험을 수행하였다. 측정되는 토크와 속도의 데이터 샘플링은 토크의 순간 피크 변동을 감지할 수 있도록 1,000 Hz로 설정하였고, 동일한 조건을 3회 반복 측정하여 반복성을 확인하였다.
굴삭기 상부회전체 선회 시험 결과, 선회 모터의 정격 속도인 1,200 rpm까지의 가속 시간에 따라 다른 측정 결과가 도출되었다. 가속시간이 2초와 3초인 경우의 시험 결과는 인버터의 제어 속도보다 굴삭기의 가속 시간에서 운동초기 정지마찰저항에 의하여 초기 구동이 늦어져 시간 지연이 발생한 것을 확인하였다. 또한, 가속시간이 매우 짧아 가속 관성부하 구간에서 정지마찰저항 구간을 제외한 관성부하 구간에서의 각가속도를 측정하기 쉽지 않아 시뮬레이션 모델과의 검증을 하기에는 적합하지 않은 것으로 판단하였다.
속도 제어에 따른 응답성 등을 고려하여 선회감속기 입력 속도 측정 결과 중 제어 시간과 유사하고 각가속도 분석이 용이한 가속 시간 4초의 데이터에서 굴삭기 상부회전체의 질량관성모멘트를 도출하였다.
가속시간 4초의 시험 결과는 Fig. 7과 같이 2초에서 6초까지의 4초간의 가속 운동이 시작될 때 초기 마찰저항에 의한 피크 토크(34.19 Nm)가 발생하였고 그 이후 등가속구간에서는 굴삭기 상부회전체의 질량관성모멘트에 의한 토크(14.7 Nm - 21.57 Nm)가 발생하였다. 10초에서 20초까지의 10초간의 등속운동 구간에서는 단지 운동마찰저항에 의한 토크(0.73 Nm - 4.91 Nm)만 작용하였다. 또한, 16초에서 20초까지의 감속 운동 구간에서는 굴삭기 상부회전체의 질량관성모멘트에 의한 토크(-3.01 Nm부터 -13.25 Nm)가 발생하였으며, 정지 시 피크 토크는 -36.45 Nm로 측정되었다.
Fig. 7

Torque and speed measured when acceleration & deceleration time was 4 sec

KSPE_2017_v34n6_383_f007.jpg
선회 시험 결과 가속 시 발생한 피크 토크보다 감속 시 발생한 피크 토크가 더 큰 것을 확인하였다. 가속 운동으로 인한 피크 토크는 34.19 N, 정지 운동으로 인한 피크 토크는 -36.45 Nm로 1.1배의 차이가 발생하였다. 그 이유는 Fig. 8에서와 같이 가속 시의 각가속도(59.72 rad/s2)보다 감속 시의 각가속도(-64.45 rad/s2)의 크기가 1.07 배 더 크게 제어되었기 때문이며, 이는 굴삭기 상부회전체의 질량관성모멘트의 크기에 의한 인버터 제어 특성으로 판단된다. 즉, 전기모터를 제어하는 인버터의 특성에 의해 굴삭기 상부회전체를 가속할 때의 작동 모드(Motoring)와 감속할 때의 작동 모드(Braking)에 의한 가속도 편차가 원인이다. 또한, 상승 가속 구간과 하강 감속 구간에서의 토크 차이가 발생하는 이유는 인버터 제어 특성에 의해 상승 가속시의 속도 변화율이 하강 감속시의 속도 변화율보다 크게 제어가 되었기 때문으로 생각된다.
Fig. 8

Comparison of angular velocity during acceleration and deceleration operation

KSPE_2017_v34n6_383_f008.jpg
선회 시험을 통해 측정한 데이터를 이용하여 Fig. 9과 같이 등 가속 구간 중 4 - 5초 구간의 각속도의 추세선을 이용하여 각가속도 31.22 rad/s2를 도출하였다. 또한, 같은 구간에서의 평균 토크는 Fig. 10에서와 같이 17.34 Nm로 계산되었다.
Fig. 9

Variation of angular speed measured when acceleration time was 4 - 5 sec

KSPE_2017_v34n6_383_f009.jpg
Fig. 10

Variation of torque measured when acceleration time was 4-5 sec

KSPE_2017_v34n6_383_f010.jpg
4 - 5초의 가속 구간에서 계산한 각가속도와 평균토크를 이용하여 선회감속기 입력축에 작용하는 질량관성모멘트는 5.55E + 5 kg.mm2로 계산되었다. 이 값은 굴삭기 상부회전체의 질량관성모멘트와 선회감속기와 선회베어링의 구성요소인 기어, 축, 캐리어 등이 모두 고려된 값이다.
굴삭기 상부회전체만의 질량관성모멘트를 계산하기 위하여 Fig. 11식(1)부터 식(3)의 스퍼기어와 유성기어의 질량관성모멘트 이론을 적용하여 계산하였다.5,6 굴삭기 상부회전체의 질량관성모멘트를 미지수로 설정하고 각 지점에서의 등가관성모멘트를 계산하여 선회감속기 입력 위치에서의 관성모멘트 5.55E + 05 kg.mm2가 도출되도록 반복법(Iteration Method)을 사용하여 계산하였다. 계산 결과, 굴삭기 상부회전체의 관성모멘트는 8.68E + 09 kg.mm2로 계산되었다.
(1)
Jtot=Jpinion+Jgearu2
(2)
Jtot=Js+NpJpu2s-p+Jcu2
(3)
Jtot=Js+14rs2Npmp+Nprs24rp2Jp+rs24rc2Jc
Fig. 11

Configuration of slewing system

KSPE_2017_v34n6_383_f011.jpg
4.1 시뮬레이션 모델 비교 검증
굴삭기 선회시스템의 시뮬레이션 모델 검증을 위하여 굴삭기 상부회전체 선회 시험에서 측정한 선회감속기 입력 속도를 시뮬레이션 입력 속도로 사용하였다. 측정된 속도 데이터에서 고주파 잡음(Noise)을 제거하기 위하여 2차 필터를 추가하였으며, 필터의 특성에 의해 속도 프로파일에 0.05초에서 최대 1초정도의 시간 지연(Time Delay)이 발생하였다. 시뮬레이션 결과, 시간 지연은 관성 부하가 작용하는 가속과 감속 시 토크 변동에는 영향을 미치지만, 내구 수명 평가에서 가장 중요한 피크 토크의 크기에는 영향을 미치지 않았다(Fig. 12).
Fig. 12

Comparison between test torque and simulation torque according to time delay

KSPE_2017_v34n6_383_f012.jpg
PID 제어기의 게인(Gain)값은 시행착오법을 통하여 정하였으며, 비례 게인은 0.97, 적분 게인은 0, 미분 게인은 0으로 선정하였다. 또한, 굴삭기 상부회전체의 질량관성모멘트는 선회 시험으로 도출한 8.68E + 09 kg.mm2를 적용하였다.
선회감속기 입력 토크에 대한 선회 시험 결과와 시뮬레이션 결과는 Fig. 14과 같이 가속, 등속, 감속 시 총 6 곳에서의 토크 값으로 비교하였다. 각 지점의 오차율은 0.82% - 41.24%로 나타났다. 오차율이 가장 큰 3번 지점(41.24%)의 경우, 오차율이 크게 나타난 이유는 등속 구간의 시험과 시뮬레이션의 토크 크기가 각각 1.77 Nm와 1.06 Nm로 나타났기 때문이며, 이 구간에서의 토크 값이 다른 구간의 토크 값에 비해 상대적으로 매우 작기 때문에 크게 문제가 되지 않는다고 판단하였다. 오차율이 두 번째로 큰 4번 지점(37.42%)의 경우, 2차 필터의 사용으로 인하여 시뮬레이션 구현 속도의 기울기가 시험 속도의 기울기 보다 작아져서 나타난 현상으로 판단되었다. 그로 인한 시험 결과와 시뮬레이션의 편차는 9.33 Nm로 다소 큰 토크 차이를 보였지만 선회감속기의 내구 수명 조건으로 볼 때 1번과 6번 지점에서의 피크 토크보다 작은 결과가 도출되어 내구 수명에는 큰 영향을 끼치지 않을 것으로 판단되었다. 선회감속기의 내구 수명에서 가장 큰 영향을 미치는 1번과 6번 위치에서의 시험 측정 결과와 시뮬레이션 결과의 토크 오차율은 각각 0.82%과 1.73%이며, 편차는 각각 0.28 Nm과 0.63 Nm로 나타났다. 그러므로 개발된 시뮬레이션 모델은 굴삭기 상부회전체의 동적 관성 거동을 근사적으로 모사한다고 생각되며, 이 모델을 확장하여 선회감속기의 실험실 시험 모델 개발이 가능하다고 판단하였다.
Fig. 13

Layout of simulation model for excavator slewing system

KSPE_2017_v34n6_383_f013.jpg
Fig. 14

Comparison of torque profile between test and simulation

KSPE_2017_v34n6_383_f014.jpg
4.2 실험실 시험 시뮬레이션 모델 개발
굴삭기 선회시스템에 대한 실험실 내구 수명 시험장비의 경우, 시험 장비의 안정성, 편리성, 시험 비용 등을 고려했을 때 굴삭기 상부회전체의 회전 구동과 동일한 구조로 시험을 수행하기에는 적합하지 않다고 판단되었다. 그래서 검증된 시뮬레이션 모델을 이용하여 굴삭기 상부회전체의 관성모멘트를 반영한 선회시스템 내구 수명 시험 모델을 개발하였다.
Table 3

Comparison of peak torque between test and simulation

Table 3
#1 #6
Test Simulation Test Simulation
Torque [Nm] 34.19 33.91 -36.45 -37.08
Error rate [%] 0.82 1.73
Deviation [Nm] 0.28 0.63
굴삭기 선회시스템 시뮬레이션 모델은 선회 링기어가 하부주행체에 고정되어 있고, 선회감속기가 상부회전체에 고정되어 선회 링기어의 회전중심을 기준으로 선회감속기가 공전하는 구조로 구성되어 있다. 실험실 시험 시뮬레이션 모델은 실제 내구 시험 장비와 동일하게 선회감속기가 지면에 고정되고, 선회 링기어가 회전하는 작동 메커니즘을 구현하였다.
실험실 시험 시뮬레이션 모델에서는 굴삭기 상부회전체의 질량관성모멘트를 선회감속기와 플라이휠로 대체하였으며, 플라이 휠의 등가 질량관성모멘트는 선회감속기의 기어비(u = 128.76)를 고려해서 5.24E + 05 kg.mm2로 계산되었다.
선회감속기 입력 토크에 대한 선회 시험 결과와 실험실 시험 시뮬레이션 모델 결과는 Fig. 16와 같이 가속, 등속, 감속 시의 총 6곳에서의 토크 값을 비교하였다. 1번에서 6번까지의 오차율은 0.91% - 71.19%로 나타났으며, 최대 오차율인 3번 지점에서의 편차는 -1.26 Nm, 4번 지점에서의 편차는 -11.4 Nm로 나타났다. 선회감속기의 수명에 가장 연관이 있는 피크 토크가 발생한 1번 지점과 6번 지점의 피크 토크 오차율은 0.91%, 2.22%로 나타났으며, 편차는 0.31 Nm, 0.81 Nm으로 확인되었다.
Fig. 15

Layout of simulation model for lab test equipment

KSPE_2017_v34n6_383_f015.jpg
Fig. 16

Comparison of torque profile between test and lab test simulation

KSPE_2017_v34n6_383_f016.jpg
본 연구는 선회감속기의 정확한 관성 내구 수명 시험을 위하여 시험 장비에 설치된 증속기의 기어비를 고려한 굴삭기 상부회전체의 등가 질량관성모멘트를 결정하기 위하여 수행되었다. 이를 위하여 굴삭기 선회 시험을 통한 굴삭기 상부회전체의 질량관성모멘트를 도출하였다. 또한, 굴삭기 선회시스템의 시뮬레이션 모델을 개발하여 시험 결과와 검증하였고, 검증된 굴삭기 시뮬레이션 모델을 이용하여 실험실 시험 내구수명 시험 모델 을 개발하였으며, 선회감속기의 기어비를 고려하여 플라이휠의 등가 질량관성모멘트를 도출하였다.
개발된 실험실 시험 시뮬레이션 모델을 이용하여 굴삭기 선회 감속기의 내구 시험 장비를 개발할 수 있을 것이며, 이는 선회감 속기의 신뢰성을 향상시키고 내구 수명을 확보하는데 기여할 것으로 판단된다.
Table 4

Comparison of peak torque between test and lab test simulation

Table 4
#1 #6
Test Lab test
simulation
Test Lab test
simulation
Torque [Nm] 34.19 33.91 -36.45 -37.26
Error rate [%] 0.91 2.22
Deviation [Nm] 0.31 0.81
  • 1.
    ISO 6336-(1:6), “Calculation of Load Capacity of Spur and Helical Gears,” 2003-2007.
  • 2.
    Han, S. G., Shin, Y.-I., Yoon, C. H., and Song, C. K., “Strength and Durability Analysis of the Double Planetary Gears,” Journal of the Korean Society of Manufacturing Process Engineers, Vol. 13, No. 5, pp. 28-34, 2014.
    10.14775/ksmpe.2014.13.5.028
  • 3.
    Kim, J. G., Park, Y. J., Lee, G. H., and Kim, J. H., “Effects of Bearing Characteristic on the Gear Load Distribution in the Slewing Reducer for Excavator,” Journal of the Korean Society of Manufacturing Process Engineers, Vol. 13, No. 5, pp. 8-14, 2014.
    10.14775/ksmpe.2014.13.5.008
  • 4.
    SIENENS, “LMS Amesim 14,” www.siemens.com/plm/Ims (Accessed 22 MAY 2017)
  • 5.
    Roos, F. and Spiegelberg, C., “Relations between Size and Gear Ratio in Spur and Planetary Gear Trains,” KTH, p. 35, 2005.
  • 6.
    Boarders, J., “Planetary Geartrain Analysis,” http://www.borderseng.com/tech_ref/planetary/planetary_analysis.pdf (Accessed 10 MAY 2017)

Download Citation

Download a citation file in RIS format that can be imported by all major citation management software, including EndNote, ProCite, RefWorks, and Reference Manager.

Format:

Include:

Determination of Equivalent Moment of Inertia of Flywheel for Inertial Endurance Test of Excavator Slewing System
J. Korean Soc. Precis. Eng.. 2017;34(6):383-390.   Published online June 1, 2017
Download Citation

Download a citation file in RIS format that can be imported by all major citation management software, including EndNote, ProCite, RefWorks, and Reference Manager.

Format:
Include:
Determination of Equivalent Moment of Inertia of Flywheel for Inertial Endurance Test of Excavator Slewing System
J. Korean Soc. Precis. Eng.. 2017;34(6):383-390.   Published online June 1, 2017
Close

Figure

  • 0
  • 1
  • 2
  • 3
  • 4
  • 5
  • 6
  • 7
  • 8
  • 9
  • 10
  • 11
  • 12
  • 13
  • 14
  • 15
Determination of Equivalent Moment of Inertia of Flywheel for Inertial Endurance Test of Excavator Slewing System
Image Image Image Image Image Image Image Image Image Image Image Image Image Image Image Image
Fig. 1 Assembly drawing of the slewing reducer
Fig. 2 Power flow of the slewing reducer gearbox
Fig. 3 Simulation model of PID controller
Fig. 4 A view of test rig of excavator
Fig. 5 Configuration of test rig components
Fig. 6 A view of length of working device of excavator
Fig. 7 Torque and speed measured when acceleration & deceleration time was 4 sec
Fig. 8 Comparison of angular velocity during acceleration and deceleration operation
Fig. 9 Variation of angular speed measured when acceleration time was 4 - 5 sec
Fig. 10 Variation of torque measured when acceleration time was 4-5 sec
Fig. 11 Configuration of slewing system
Fig. 12 Comparison between test torque and simulation torque according to time delay
Fig. 13 Layout of simulation model for excavator slewing system
Fig. 14 Comparison of torque profile between test and simulation
Fig. 15 Layout of simulation model for lab test equipment
Fig. 16 Comparison of torque profile between test and lab test simulation
Determination of Equivalent Moment of Inertia of Flywheel for Inertial Endurance Test of Excavator Slewing System
Gear tooth Gear ratio
Sun Planet Ring
Stage 1 17 20 58 4.412
Stage 2 17 20 58 4.412
Pinion & Ring 13 - 86 6.615
Total gear ratio 128.76
Equipment Company/Model Spec.
Motor HYOSUNG/
HS183UR207HPHSD
Rated: 22 kW,
1,775 rpm
Telemetry DATATEL TELEMETRY/
DT1001T-ST
Max: 30 kgf∙m
Encoder Kubler/8.A020.3A11.3600 Max: 3,000 rpm
#1 #6
Test Simulation Test Simulation
Torque [Nm] 34.19 33.91 -36.45 -37.08
Error rate [%] 0.82 1.73
Deviation [Nm] 0.28 0.63
#1 #6
Test Lab test
simulation
Test Lab test
simulation
Torque [Nm] 34.19 33.91 -36.45 -37.26
Error rate [%] 0.91 2.22
Deviation [Nm] 0.31 0.81
Table 1 Specification of slewing reducer
Table 2 Specification of the test equipment
Table 3 Comparison of peak torque between test and simulation
Table 4 Comparison of peak torque between test and lab test simulation